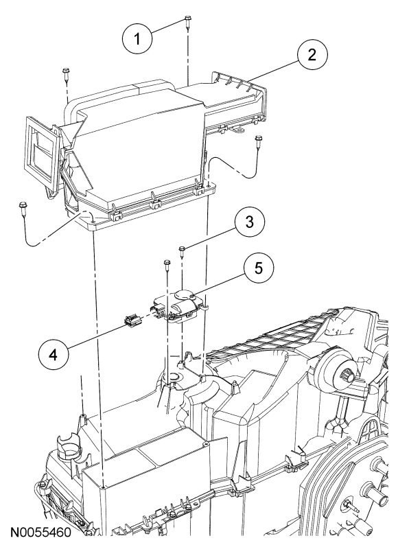
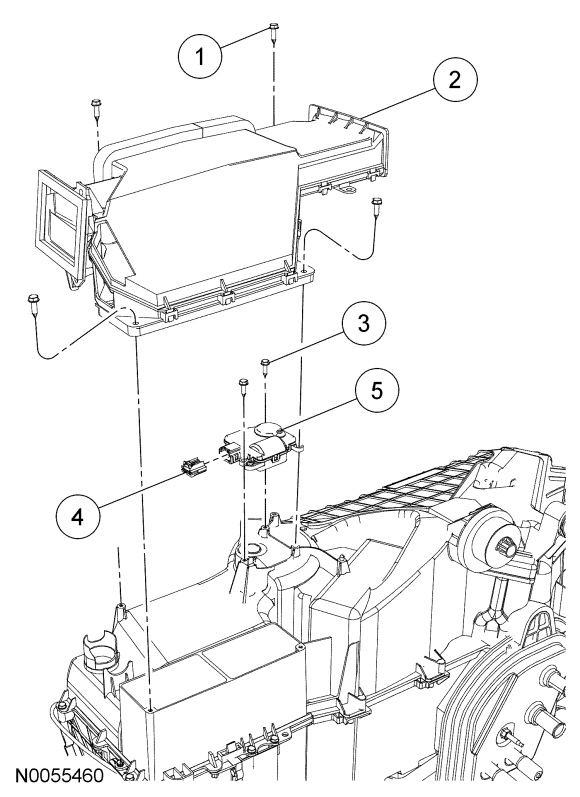
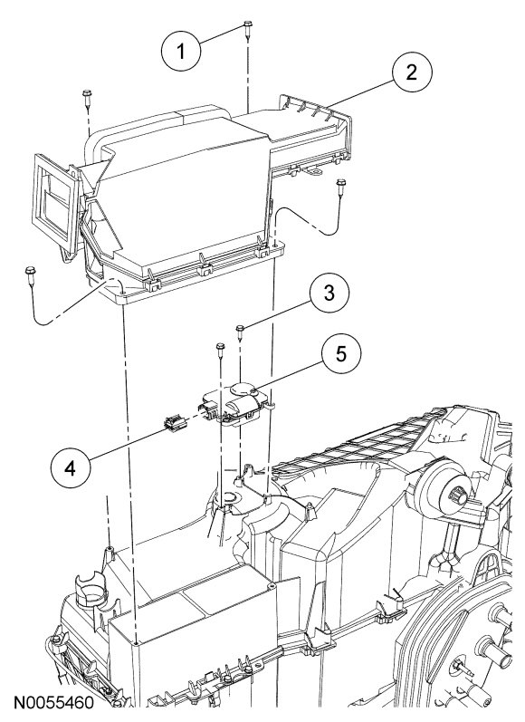
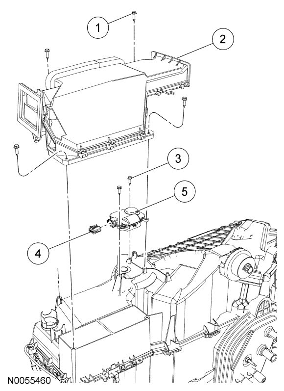
This is the book procedure (the picture is upside down just to show the location of the actuator) I am not sure that you have to remove the HVAC housing though, it looks like it would be possible to remove the floor duct screws and drop it enough to get to the actuator.
The left hand temperature blend door actuator is present on dual-zone Electronic Automatic Temperature Control (EATC) vehicles to control the left hand temperature blend door only.
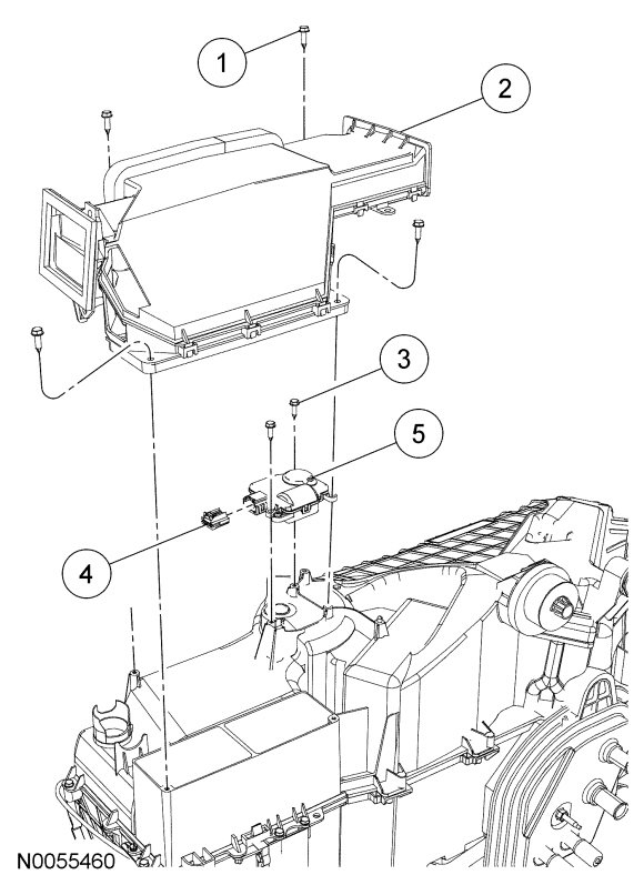
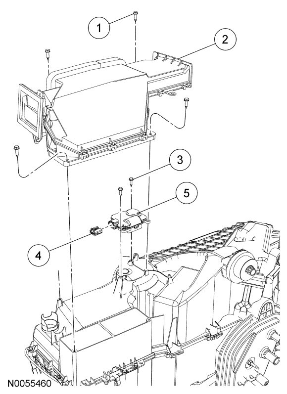
Remove the heater core and evaporator core housing.
Remove the four floor duct screws and remove the floor duct.
Disconnect the left hand temperature blend door actuator electrical connector.
Remove the two left hand temperature blend door actuator screws.
Remove the left hand temperature blend door actuator.
To install, reverse the removal procedure.
Note: Because the battery has been disconnected as part of the removal procedure, the HVAC module will initialize and calibrate the actuators when the ignition switch is switched to the ON position. The purpose of the module actuator position calibration is to allow the HVAC module to reinitialize and calibrate the actuator stop points. Calibration of the actuators will take approximately thirty seconds.
Images (Click to enlarge)
Jul 30, 2020 at 10:00 AM