Defroster makes a clunking sound when selected

2003 SATURN VUE
170,000 MILES • 3.0L • 6 CYL • 4WD • AUTOMATIC
Avatar
JEFFNTHAI
  • MEMBER
  • 2 POSTS
The defroster, when selected, will make a clunking sound and continue making the clunk every twenty to thirty seconds. I am assuming the blend door is vacuum operated and loosing vacuum and opens and closes at will?
Haven't checked into this, just researching the problem to find out how involved this repair is.
Any help would be appreciated
Mar 6, 2019 at 10:28 AM
Advertisement
Avatar
JACOBANDNICKOLAS
  • CERTIFIED EXPERT
  • 110,175 POSTS
Welcome to 2CarPros.

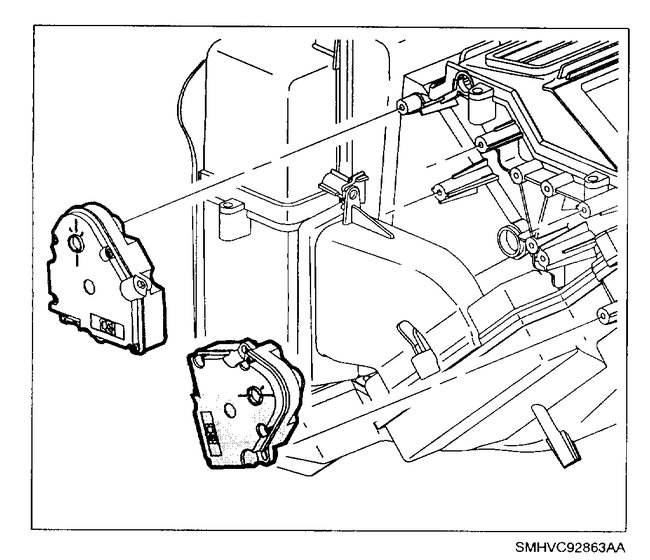
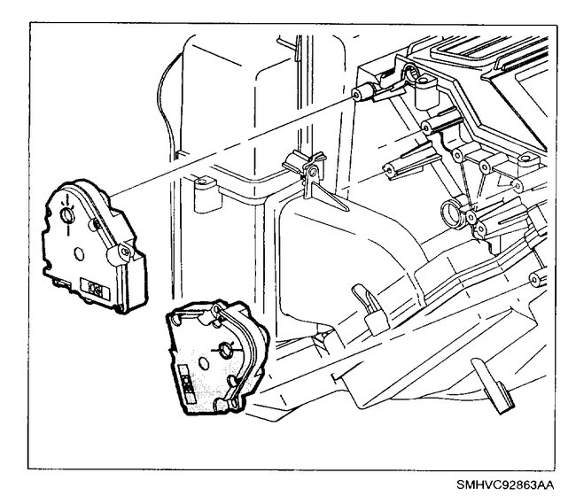
The component you are referring to is a mode door actuator and this vehicle has one specific to the defroster. If you look at picture , number 4 shows the defroster actuator location. Here are the directions for replacement:

____________________________

FLOOR OR DEFROST MODE ACTUATOR
REMOVAL


Picture 2

1. Disconnect actuator from HVAC module wiring harness.
2. Remove actuator to HVAC case screws and remove actuator.

INSTALLATION
1. Align flats on actuator opening with flats on door shah and install actuator with screws.
2. Connect HVAC module wiring harness to actuator.

Torque:
Actuator to HVAC Case Screws: 1 N.m (9 in. lbs.)

NOTE: Any time a HVAC module mode actuator or HVAC controller is replaced, the HVAC controller will need to be calibrated to insure proper air distribution.

3. Calibrate mode door by simultaneously pushing the A/C and RECIRC buttons on the HVAC controller 3 times each within 2 seconds of initial push.
^ A/C and RECIRC button LED's will flash while this calibration is taking place.
^ Calibration will take anywhere between 10 to 30 seconds depending on battery voltage.
^ LED's will quit flashing when completed.
4. Cycle ignition and verify major operation.

_____________________________

Let me know if this helps.

Take care,
Joe
Mar 6, 2019 at 1:54 PM
Avatar
JEFFNTHAI
  • MEMBER
  • 2 POSTS
You did not tell me if this sounds to be the problem or not? Is this what you believe to be wrong? Is the actuator vacuum operated? You said it had electrical connections, so I don't believe it is? Why is it opening and closing repeatedly?
Mar 6, 2019 at 4:02 PM
Advertisement
Avatar
JACOBANDNICKOLAS
  • CERTIFIED EXPERT
  • 110,175 POSTS
Welcome back:

The component is electric and not vacuum operated. Inside, there are plastic gears that can break or wear out. When that happens, you will hear the clicking noise.
Mar 6, 2019 at 7:49 PM