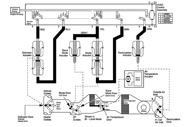
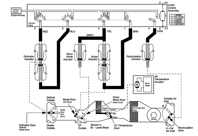
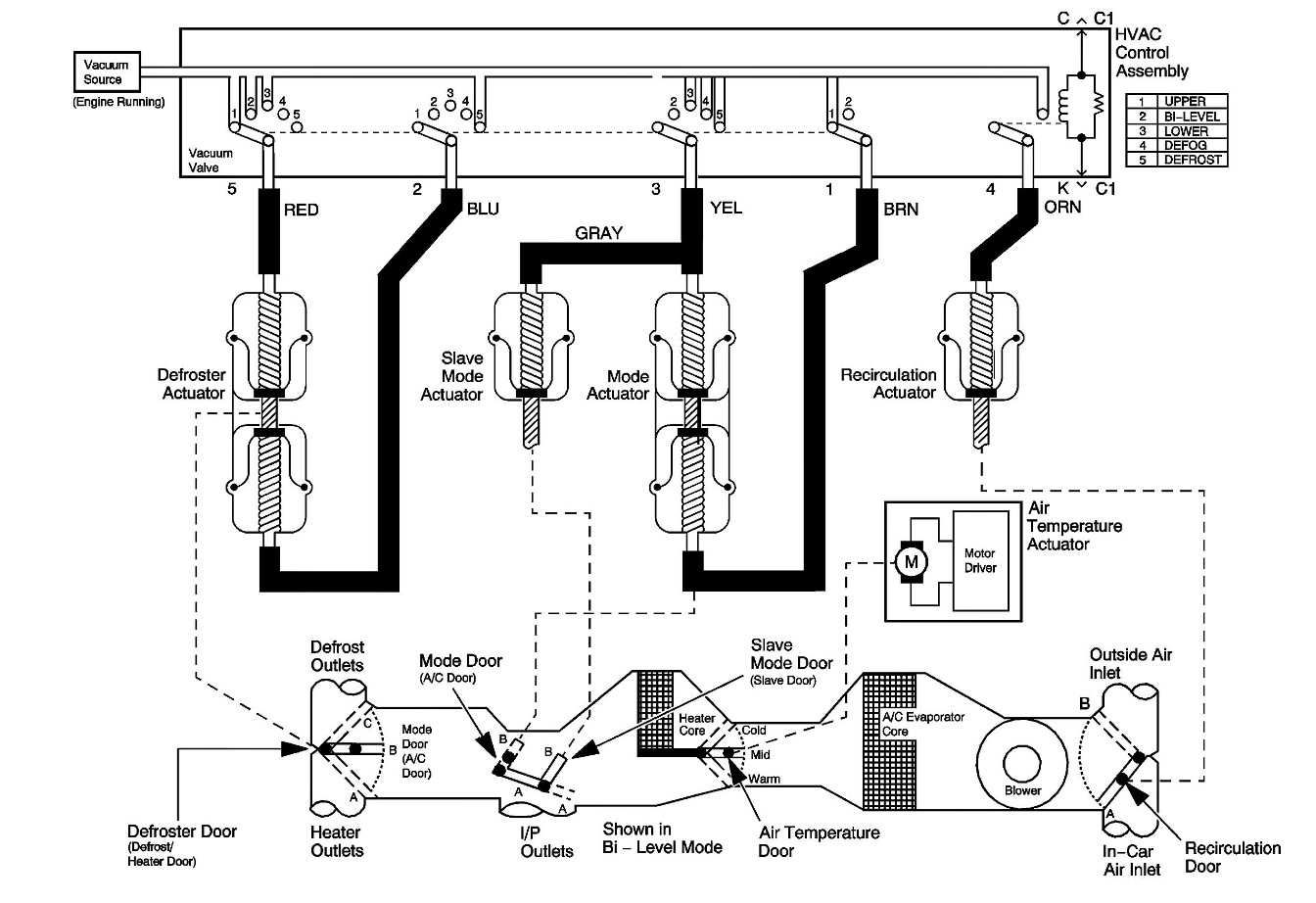
when i turn on the control knob for the heat, it comes out of the dash, nothing from the bottom of the floor. The A/C works fine, the heat only blows out the top vents. People tell me it's the blend door actuator or vacuum lines under the hood. If it is the blend door, where is it and how many are there? I'm lost on this issue, plus some say you have to pull the dash out to get to them. i hope not. Thanks for any help on this major issue.
Dec 15, 2023 at 7:25 PM



