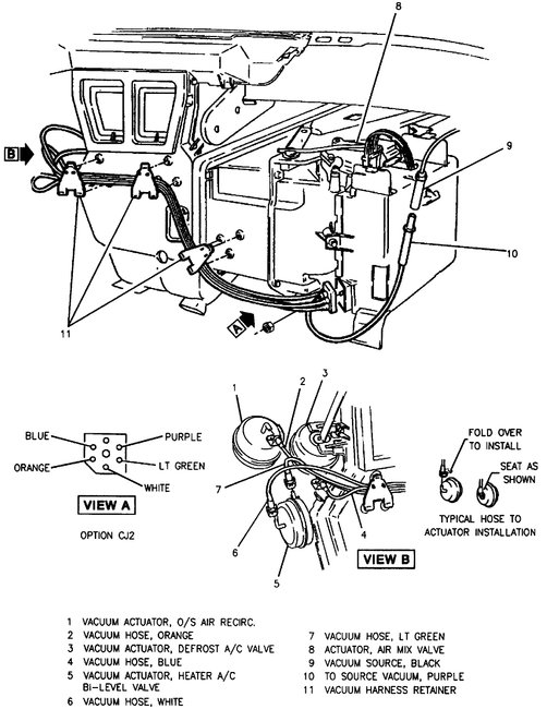
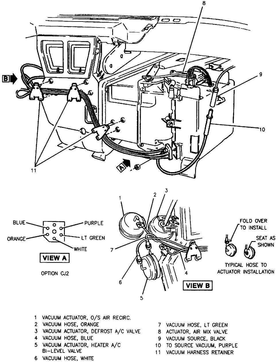
The knob where you select defrost or heat is not working.
I can hear no vacuum noises when I turn the knob like I used to. I hear nothing moving under the dash when turning the knob. The AC light works and the rear window defroster works. I feel the issue is vacuum related.
Please give me troubleshooting advice.
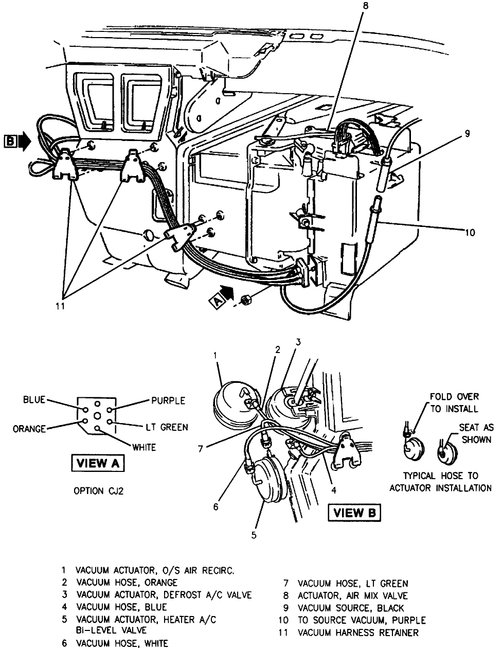
I can hear no vacuum noises when I turn the knob like I used to. I hear nothing moving under the dash when turning the knob. The AC light works and the rear window defroster works. I feel the issue is vacuum related.
Please give me troubleshooting advice.
Dec 11, 2017 at 1:28 PM
