Heat blower only comes out of the floor vent

2011 CHEVROLET TRAVERSE
100,000 MILES • AUTOMATIC
Avatar
DENNIS R BENTLEY JR
  • MEMBER
  • 2 POSTS
I can turn on the heat and air but it only comes out of the floor vent. Would this be a bad actuator and is there more then one?
Jun 16, 2019 at 3:51 PM
Advertisement
Avatar
DANNY L
  • CERTIFIED EXPERT
  • 5,648 POSTS
Hello, I'm Danny.

Quick question first. Is yours the automatic or manual HVAC system? Hope to hear from you soon.. Thanks for using 2CarPros.
Danny-
Jun 16, 2019 at 3:59 PM
Avatar
DENNIS R BENTLEY JR
  • MEMBER
  • 2 POSTS
I do not know if it is automatic or manual how do you tell. My car has turn knobs to change the position from the floor to vent or defrost.
Jun 16, 2019 at 4:14 PM
Advertisement
Avatar
DANNY L
  • CERTIFIED EXPERT
  • 5,648 POSTS
Hello again.

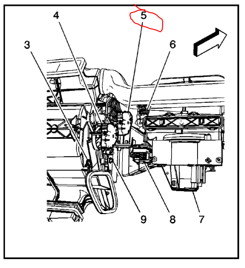
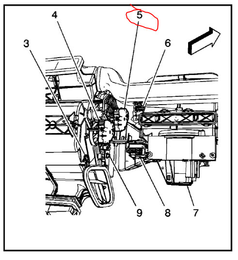
You have the manual system. It sounds like you're having a problem with the blend door actuator.It's a small electric motor that is mounted to your HVAC unit and opens/closes a door to route air through the different air ducts. Here is a tutorial showing what is involved for it's replacement:

https://www.2carpros.com/articles/replace-blend-door-motor

I've attached pictures below showing its location. It is number 5 in the first picture. Second picture shows the screws to be removed.Hope this helps and thanks again for using 2CarPros.
Danny-
Jun 16, 2019 at 4:29 PM