Heat and A/C fluctuate

2006 SATURN VUE
102,000 MILES • 3.5L • V6 • 2WD • AUTOMATIC
Avatar
THEMAILMAN
  • MEMBER
  • 102 POSTS
The other day, my wife and I were on the interstate, driving to the Monday night football game, about ninety miles from home. After being on the highway for a while, the A/C started fluctuating a little. Cooler, then a little warm, then cold, then warm, and so on. It did not seem to have anything to do with engine speed or vehicle speed, or settings. To test, I had her switch it to full blast A/C (it had been on a nearly intermediate setting). It would go ice cold, to cool, and back to ice cold, and so on. Then we cranked it on to full heat, with the A/C disengaged. It continued the same behavior. Full hot, then not quite as hot, then full hot.

It did not do this on the way home, or since. If I had to guess, I would think that the control head could not make up its mind on where to position the blend door. When/if it does it again, is there a way I can check to see what it is doing without paying a ridiculous diagnostic fee?
Nov 15, 2017 at 7:59 PM
Advertisement
Avatar
STEVE W.
  • CERTIFIED EXPERT
  • 15,113 POSTS
If it stopped doing it after you restarted the car I would check the battery connections and the grounds. Especially the grounds for the dash and HVAC unit. Sometimes the current surge of the starter will "correct" a bad connection for a while.

Did you hear/feel any change in air output? If you select full hot/cold does it cycle correctly?
Nov 16, 2017 at 7:00 AM
Avatar
THEMAILMAN
  • MEMBER
  • 102 POSTS
As far as output strength, the blower stayed pretty constant. When switching from hot to cold and vice versa, it seemed to switch fine. What you said about the battery cables does make some sense, actually. The positive cable was a little loose a few weeks, so I tightened it as much as I could. But it seems like it is time to replace the terminals. I am planning on doing that this weekend, or next, along with new spark plugs (because it has some aftermarket ones in there) and an oil change. Also, it has been a little sluggish to start lately, but that seems to be due to an older battery and the change in weather.

So I have got my work cut out for me.
Nov 16, 2017 at 7:20 PM
Advertisement
Avatar
STRAILER
  • CERTIFIED EXPERT
  • 53,855 POSTS
This will happen if the temperature blend door actuator position pot is dirty or not working at all. The controller hunts to find a "happy place" but cannot so it keeps on cycling. I would try and replace the actuator, 9 times out of ten the problem is the motor portion of the system.

Here is a guide to help you see what you are in for when doing the job.

https://www.2carpros.com/articles/replace-blend-door-motor

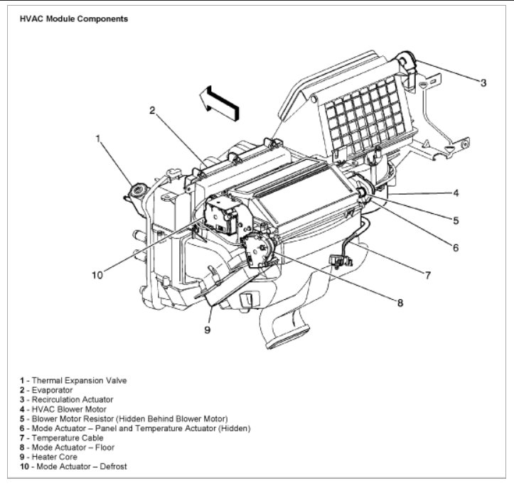
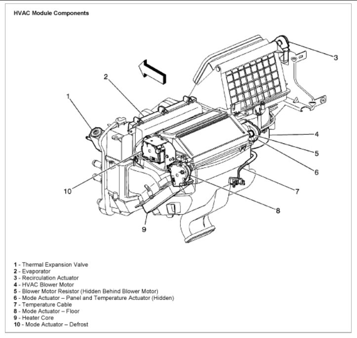
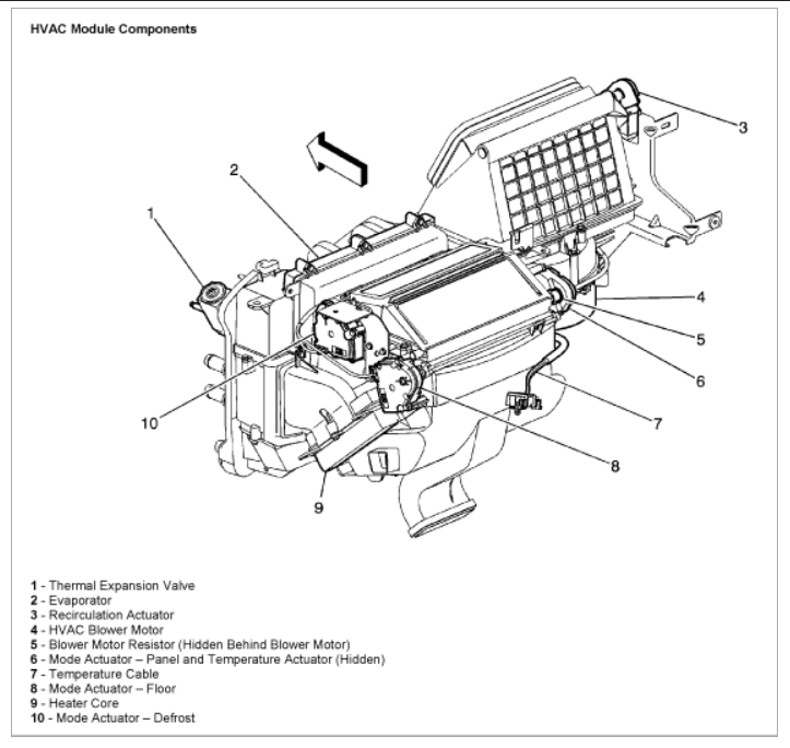
Here is where the temperature blend door actuator is located in your car (below)

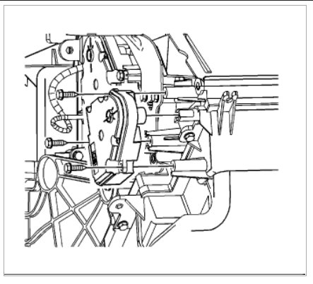
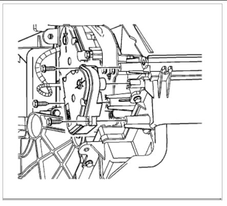
Align the air temperature actuator with the door shaft and rotate into position.
Install the air temperature actuator screws to the HVAC module.
NOTE: Refer to Fastener Notice.

Tighten the screws to 1 N.m (9 lb in) .

Connect the electrical connector to the air temperature actuator.
Calibrate the mode actuators by simultaneously pushing the A/C and RECIRC buttons on the HVAC control module 3 times each, within 2 seconds of initial push.
The A/C and RECIRC button LED's will flash while this calibration is taking place.
The calibration will take anywhere between 10 to 30 seconds depending on battery voltage.
The LEDs will quit flashing when the calibration is complete.
IMPORTANT: Any time a mode actuator or the HVAC control module is replaced, the HVAC control module must be calibrated to ensure proper air distribution.

Cycle the ignition and verify proper operation.
Install the instrument panel compartment.

Check this image below. Temperature, Defroster, floor and panel in that order

Let us know what happens and please upload pictures or videos of the problem.

Cheers, Ken
Nov 19, 2017 at 1:30 PM