heat/air control not working properly

2003 GMC C1500
145,000 MILES • 5.3L • V8 • 2WD • AUTOMATIC
Avatar
MIKE GIBSON
  • MEMBER
  • 1 POST
the controller does not do anything. it will not light up either.
May 2, 2021 at 5:25 PM
Advertisement
Avatar
KASEKENNY
  • CERTIFIED EXPERT
  • 18,907 POSTS
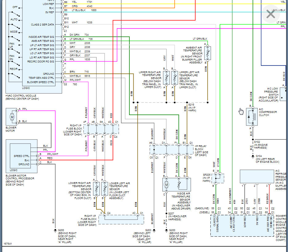
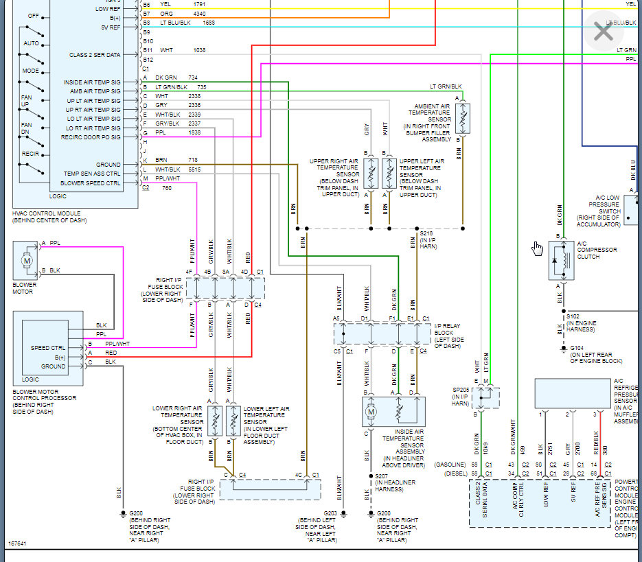
Either there is a fuse issue (HVAC 1 Fuse) in the left IP fuse block or one of the fuses shown in the wiring diagram below in the under hood fuse block.

If there are not fuse issues then most likely the unit itself has failed and needs replaced.

https://www.2carpros.com/articles/how-to-check-a-car-fuse

To confirm this we need to check the power at the control module and if it has power then the unit has failed.

https://www.2carpros.com/articles/how-to-check-wiring

Please review the wiring diagram below and let us know what you find with this and we can go from there. Thanks
May 3, 2021 at 7:06 PM