Heat/AC blower motor not working properly?

1995 OLDSMOBILE 98
100,000 MILES • 3.8L • V6 • 2WD • AUTOMATIC
Avatar
RANDOG41
  • MEMBER
  • 2 POSTS
First my blower motor stayed on when the car was turned off, I disconnected the wire connection to motor to shut off. Sometime later I reconnected to troubleshoot, the motor came back on but shut down shortly after and would not come back on. Then a short time later the heater and A/C control panel shut down, it no longer lights up or shows outside temperatures, etc. I have checked all fuses under dash and under hood motor shows 8 to 19 ohms when tested. i tried to trace the purple and black wires coming from the motor but could not determine where they go once going through the firewall.
Mar 24, 2023 at 6:04 AM
Advertisement
Avatar
STRAILER
  • CERTIFIED EXPERT
  • 53,854 POSTS
This happens when the blower motor control module goes out here is the location so you can change it out. Check out the images (below). Please let us know what happens.
Mar 24, 2023 at 7:09 PM
Avatar
RANDOG41
  • MEMBER
  • 2 POSTS
I replaced the module as suggested. Now the heater fan runs constantly on high,blowing through both defrost and lower ducts,with heat.The control panel does not light or respond in any way,fan speed,on , off etc.The fan does now shut off when lgnition is off. I pulled wire from motor to shut system down for now.
Apr 7, 2023 at 8:08 AM
Advertisement
Avatar
STRAILER
  • CERTIFIED EXPERT
  • 53,854 POSTS
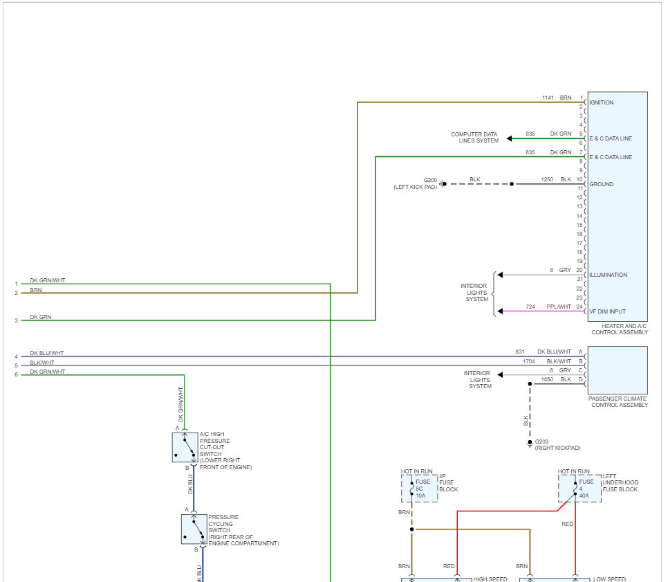
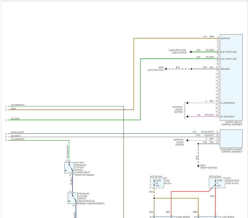
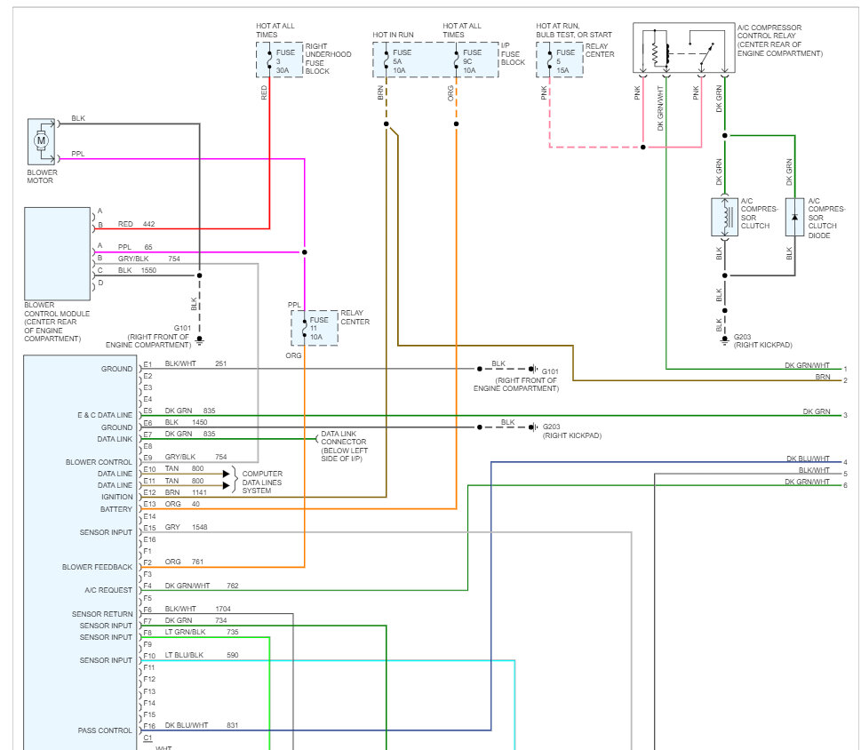
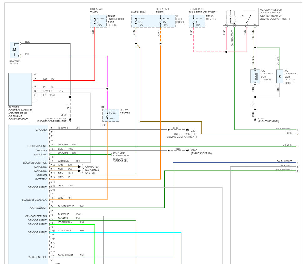
Just to be clear to replaced # 7 in the images above, correct? If so, let's check the system power inputs and grounds, I have included the wiring diagrams so you can see how the system works and a guide to help you with the test. If everything checks out the HVAC control head must be no good. Also check the system fuses #11 in the relay center.

https://www.2carpros.com/articles/how-to-check-wiring

Check out the images (below). Please let us know what happens.

Apr 10, 2023 at 9:33 AM