Gear shift problem

2004 INFINITI QX56
222,000 MILES • V8 • 4WD • AUTOMATIC
Avatar
ROBERT SWAN
  • MEMBER
  • 8 POSTS
I am having problems with putting my car in gear. I have to press an object inside of a hole on the side of the gear shift to put the car in reverse or drive. A friend told me that my reverse-neutral switch has to be reset. If this is true, how do you reset it?
Mar 18, 2018 at 6:59 AM
Advertisement
Avatar
STEVE W.
  • CERTIFIED EXPERT
  • 15,113 POSTS
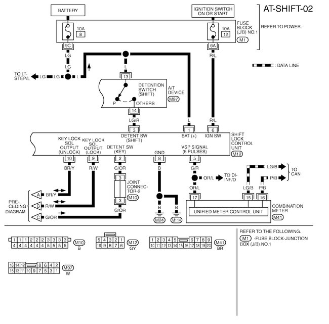
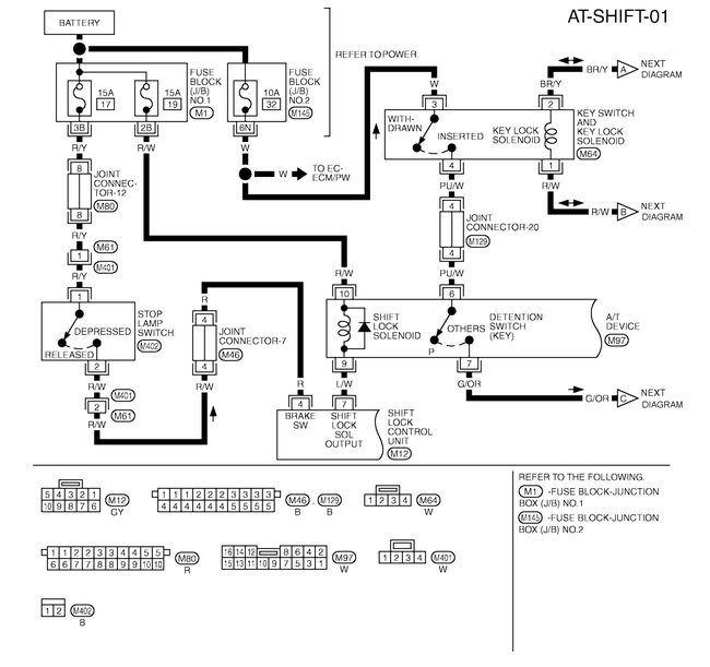
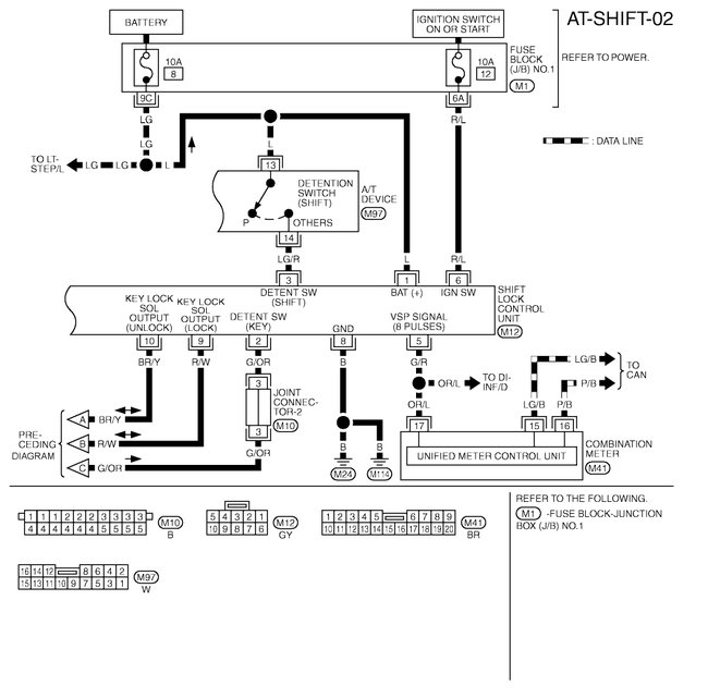
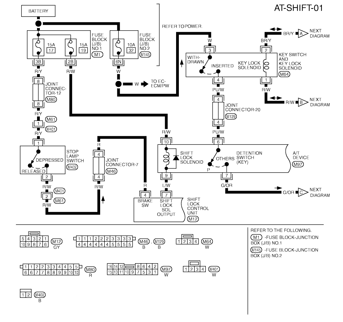
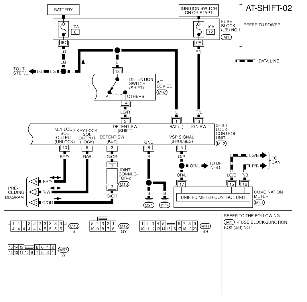
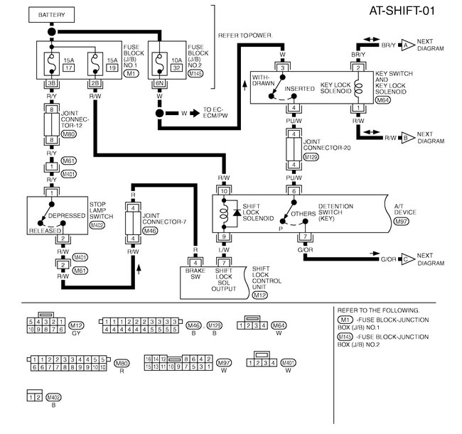
More likely it is the shift interlock solenoid. When you step on the brake it should click and release the shift lever so you can take it out of park. Using the hole to release it means you are doing the solenoids job because it is not operating. There are a few components involved, the switch on the brake lever, the shift interlock module, the solenoid itself and the wiring. Any of them can fail and cause this issue.

I would start by checking fuses 12 and 19 if either one blows the interlock module does not receive power. Next would be to test the solenoid itself, It is a part of the shift control unit (lever and mount in the console) That requires removing the console filler panel and the console. Then you can get to the connector on the rear of the shifter to test it using battery voltage. Just be sure which terminals you use as the wrong ones could damage the shifter or the control module which is behind the dash above the knee bolster.
If you have working brake lights the switch is okay as the interlock uses the same connections.
If the fuses are good, the solenoid works (common failure item) and the brake lights (switch) work then the only item left would be the interlock control module.
Mar 18, 2018 at 8:21 AM