Headlights, tail lights, signal radio and A/C blower not working

2003 SUZUKI XL7
132,000 MILES • V6 • 4WD • AUTOMATIC
Avatar
TOYPACIFIC
  • MEMBER
  • 159 POSTS
I recently just purchased this vehicle from someone who's husband just passed and the cars been sitting. She doesn't know anything about the car just that it's been one owner. Everything runs fine but I ran into an issue which I forgot to check upon purchase . It was very cheap so I thought I'd take my chance .
Anyways here is the issue: Headlights , signal ,hazards radio and A/C blower all wont turn on. No tail lights either. I checked all fuses and all seem to be good. Is there another way to diagnose this issue and maybe get a diagram of where these fuses and wires are supposedly located? Dash lights are on the A/C light is on but no interior lights bulbs are good. Radio wont turn on at all power locks don't work but windows work . maybe you might have a bigger question as to what might be happening and what I can do? Thank you in advance.
Mar 27, 2021 at 8:47 PM
Advertisement
Avatar
JACOBANDNICKOLAS
  • CERTIFIED EXPERT
  • 110,175 POSTS
Hi,

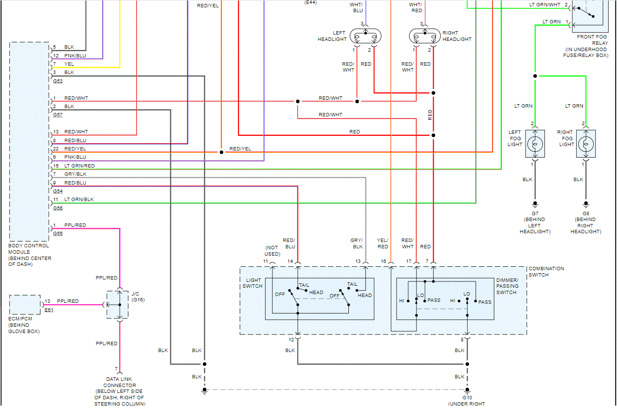
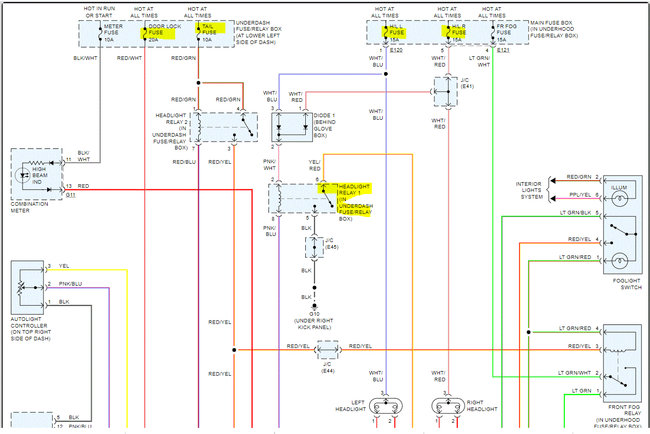
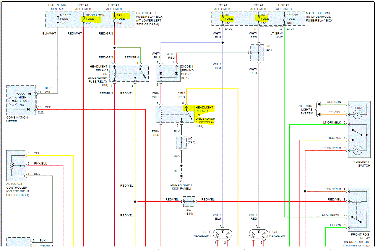
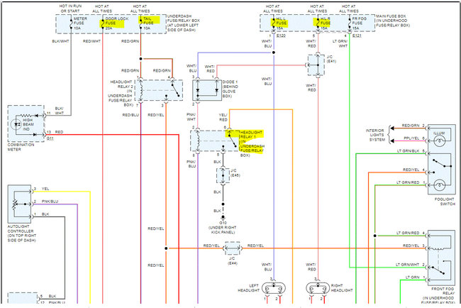
The one thing that stands out to me is that all fuses for the affected components are under the dash except the headlamps. I'm questioning if power is getting to the fuse box.

If you look at pics 1 and 2, I attached the headlamp wiring schematic and highlighted the fuses. Pics 3 and 4 are related to the blower motor.

What I want you to do is check the fuses I indicated. In addition, I need you to confirm there is power to and from them. Here is a link you may find helpful for doing this:

https://www.2carpros.com/articles/how-to-check-a-car-fuse

Pic 5 shows the fuse location in the fuse box under the dash. Pic 6 shows the under hood fuse box (headlamps).

Let me know what you find or if you have other questions.

Take care,
Joe

See pics below.
Mar 28, 2021 at 9:27 PM