Headlights will not turn off

2010 VOLKSWAGEN CC
80,000 MILES
Avatar
MOUNI NANGI
  • MEMBER
  • 1 POST
unable to turn headlights off after ignition is turned off.
Jan 5, 2020 at 6:49 PM
Advertisement
Avatar
KASEKENNY
  • CERTIFIED EXPERT
  • 18,907 POSTS
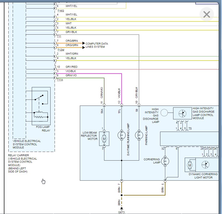
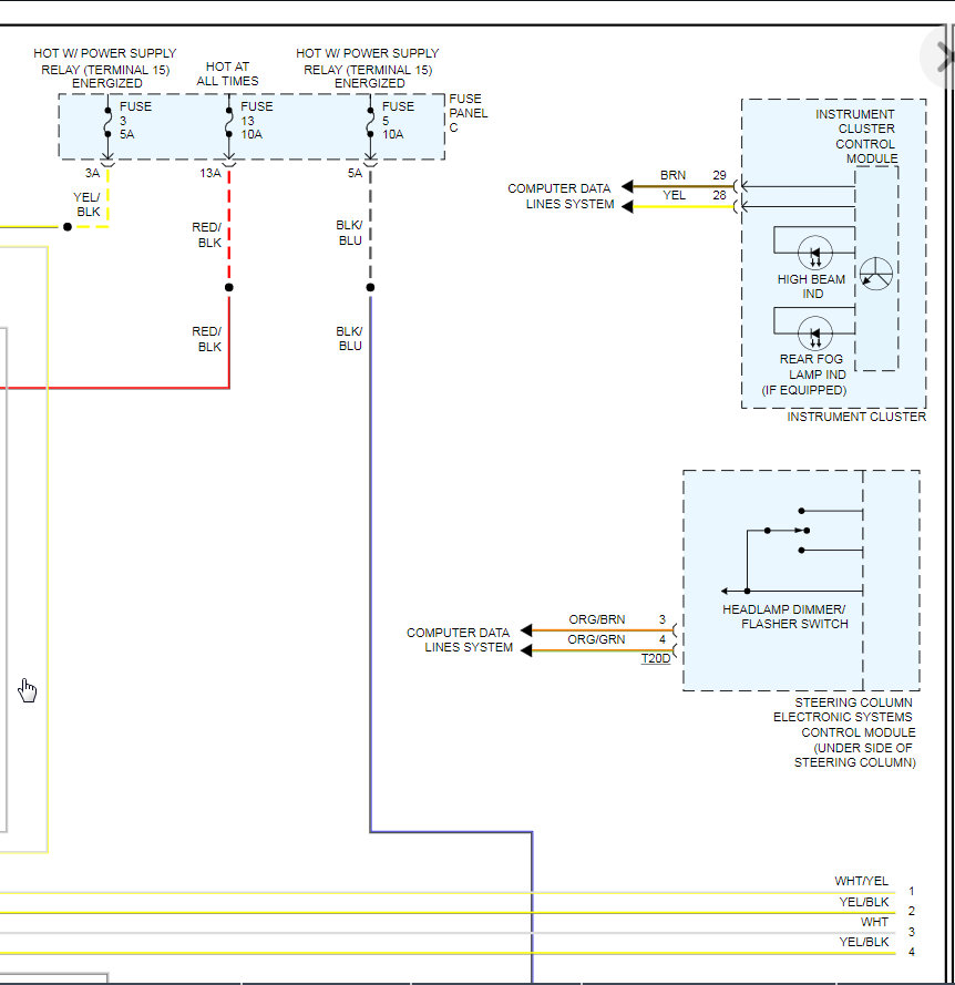
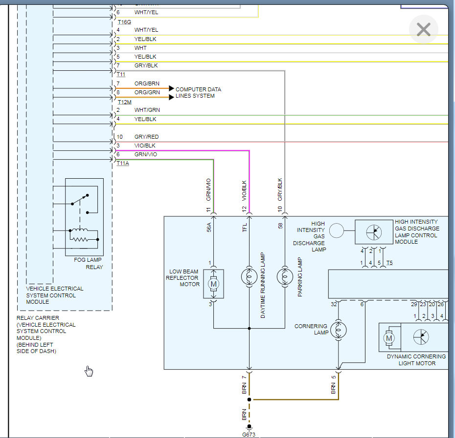
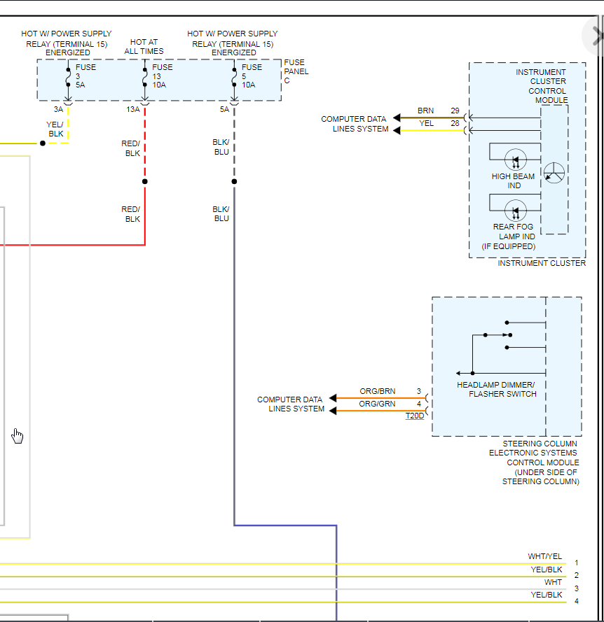
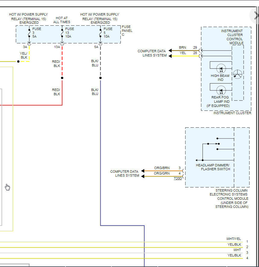
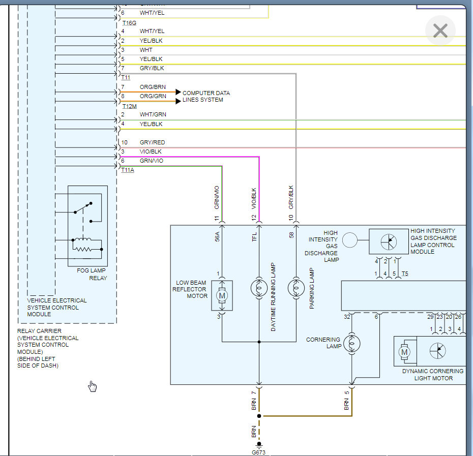
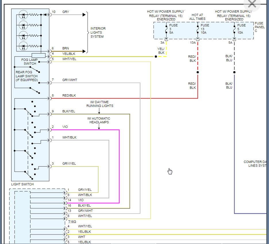
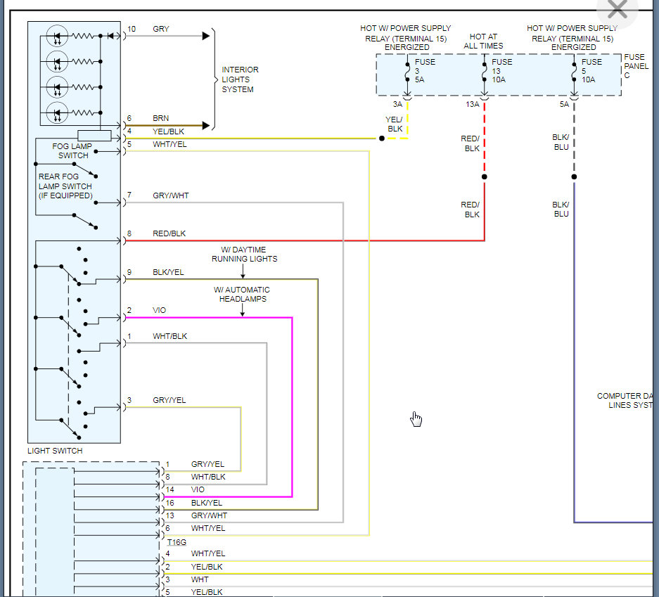
Do you have HID headlamps? If so, I attached the wiring diagram. This is more than likely a faulty switch or control module. I assume you have the switch turned off and they just remain on? If so then we need to hook up a scan tool to see what the control module is seeing as the switch state.

Let me know if you have a just normal halogen bulbs and I can send that info but the solution is most likely the same as I suspect the switch is the issue.
Jan 7, 2020 at 9:23 AM