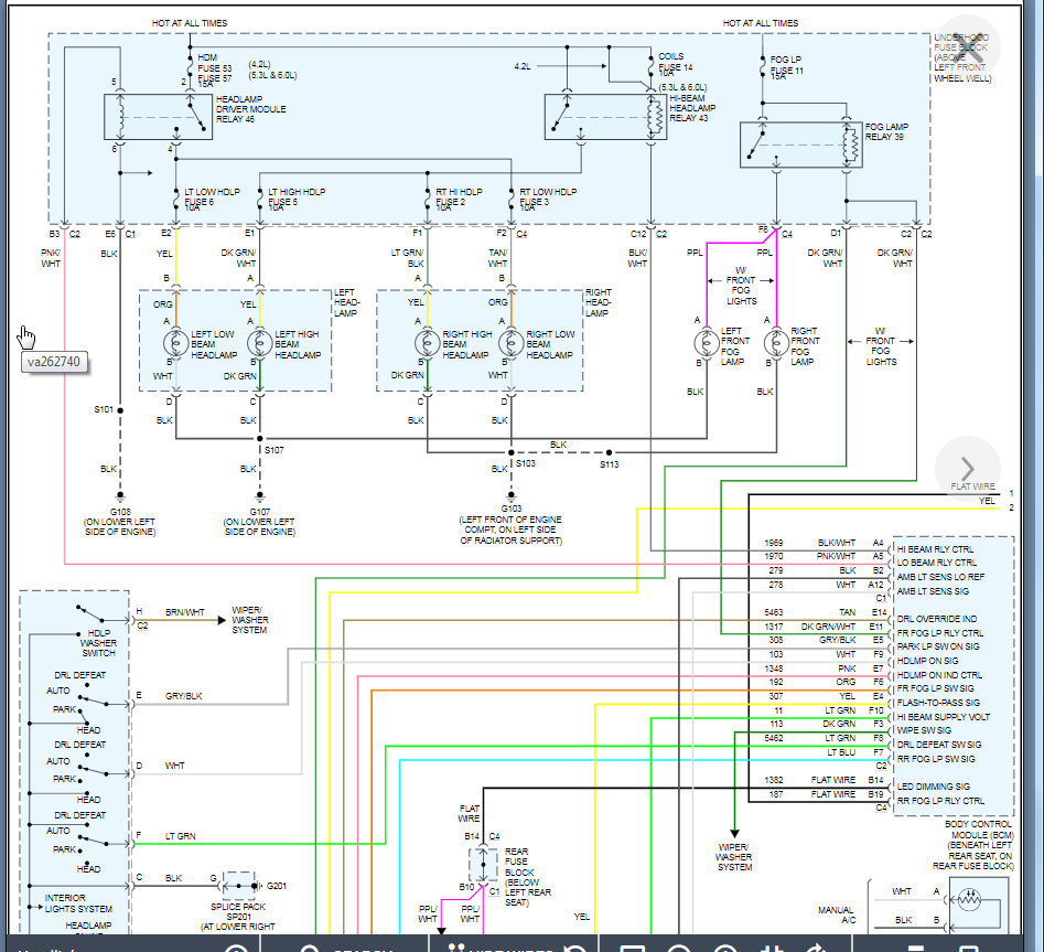
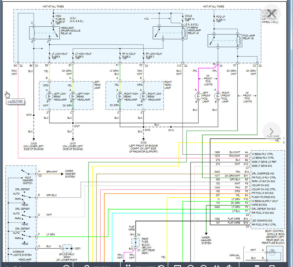
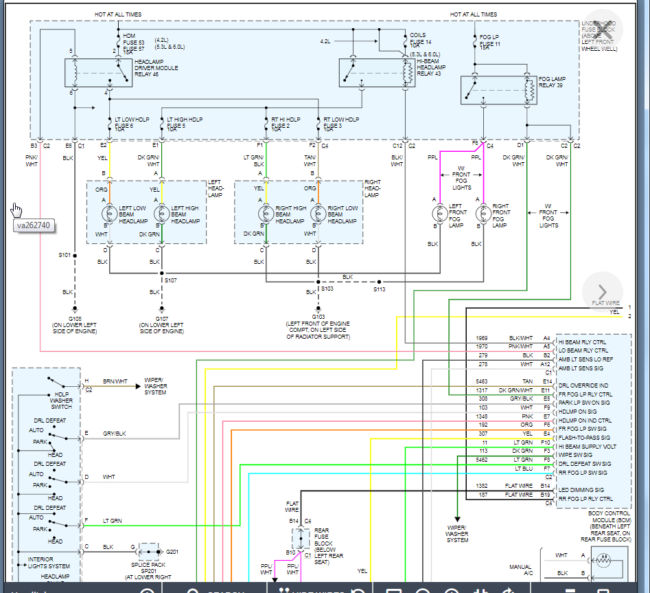
My envoys headlights will turn off sporadically when driving at night. I have changed the headlight relay and it worked for about a week. Now the headlights will turn off again while driving, but then turn on again when you shut the car off and then won't turn off draining my battery. What can I do to fix this?
Nov 14, 2020 at 10:21 AM



