Automatic headlights turn off and stay off at night

2000 CHEVROLET PRIZM
180,000 MILES • 4 CYL • 2WD • AUTOMATIC
Avatar
INUDRAGON
  • MEMBER
  • 1 POST
About 5 days ago, my headlights started acting up. My headlights seem to work, but as soon as it turns to night time, when it automatically turns them on, my headlights go off and stay turned off. The brights don't work at any time. I checked the fuses and replaced a couple, but am still having this problem. I don't know a lot about cars, so I'm at a complete loss.

Edit: Forgot to mention that the tail lights, turn signal, and brake lights work just fine.
Aug 24, 2021 at 8:45 AM
Advertisement
Avatar
JACOBANDNICKOLAS
  • CERTIFIED EXPERT
  • 110,175 POSTS
Hi,

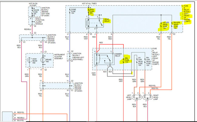
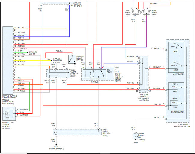
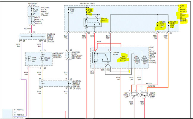
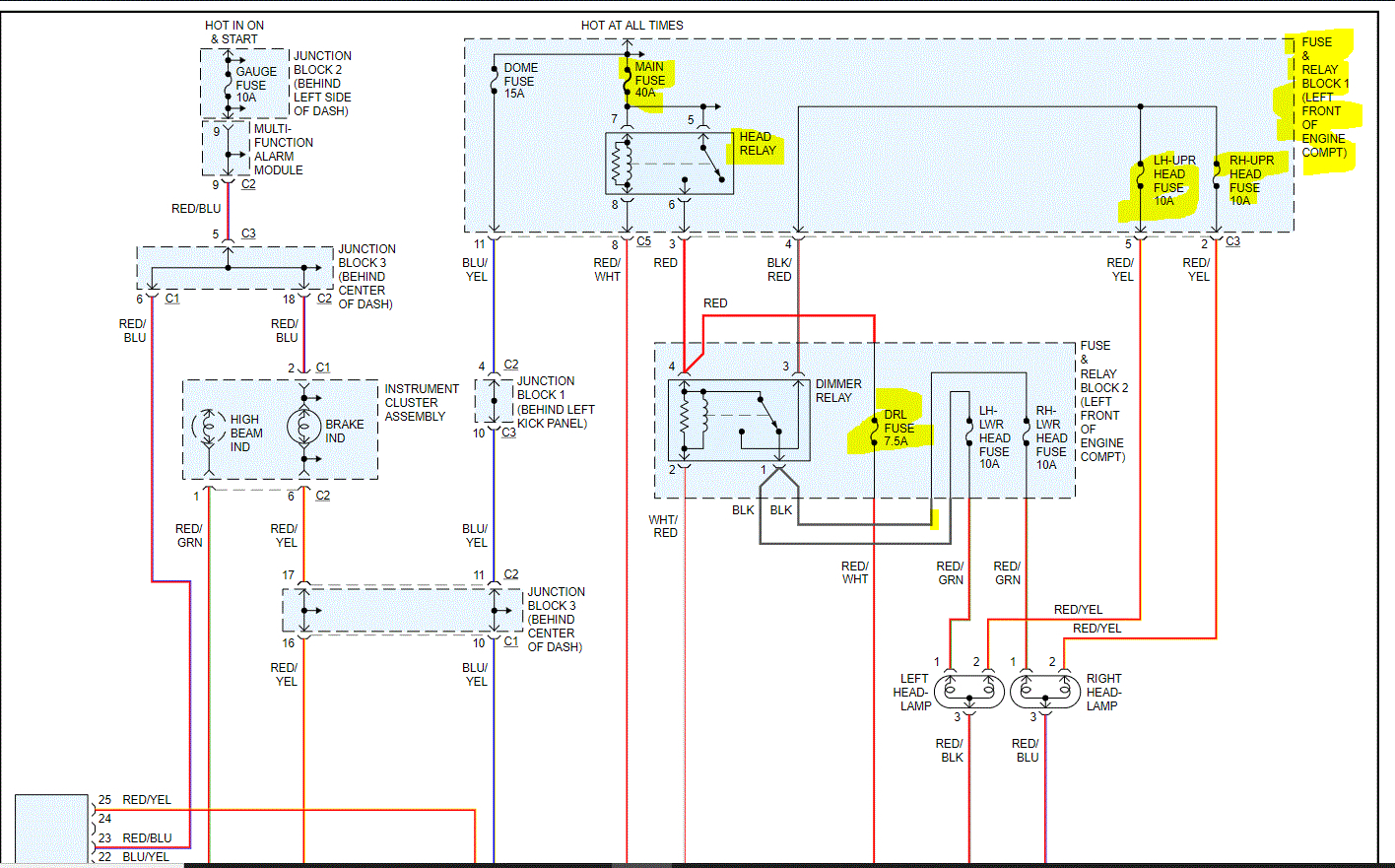
There are a few different fuses that need to be checked. I attached the wiring schematic below of the headlamp system. It was one page long, but I cut it in half to make it readable.

On the schematic, I highlighted fuses and a relay. These are all located under the hood in fuse and relay boxes 1 and 2.

When checking the fuses, it is important to confirm there is power to them in addition to checking the fuse.

Here is a link you may find helpful:

https://www.2carpros.com/articles/how-to-check-a-car-fuse

Pics 3 and 4 show the fuse locations.

Also, here is a link that explains how to test a relay. Pull that as well and inspect it.

https://www.2carpros.com/articles/how-to-check-an-electrical-relay-and-wiring-control-circuit


Let me know what you find or if you have other questions.

Take care,

Joe

See pics below.



Aug 24, 2021 at 8:36 PM