Headlights turn off after thirty minutes

2004 TOYOTA TACOMA
185,000 MILES • 2.7L • 4 CYL • 2WD • MANUAL
Avatar
CALITOYOM
  • MEMBER
  • 1 POST
There was previously a ignition interlocking device in the truck. Exactly after thirty minutes the headlights turn off and can be brought back on by turning them off then on again. This happens like clock work with the truck on or off. I know that there are a few crimp connections from when the interlock was removed. Thanks, I look forward to your help.
Dec 10, 2016 at 9:40 PM
Advertisement
Avatar
STRAILER
  • CERTIFIED EXPERT
  • 53,855 POSTS
Hey CALITOYOM,

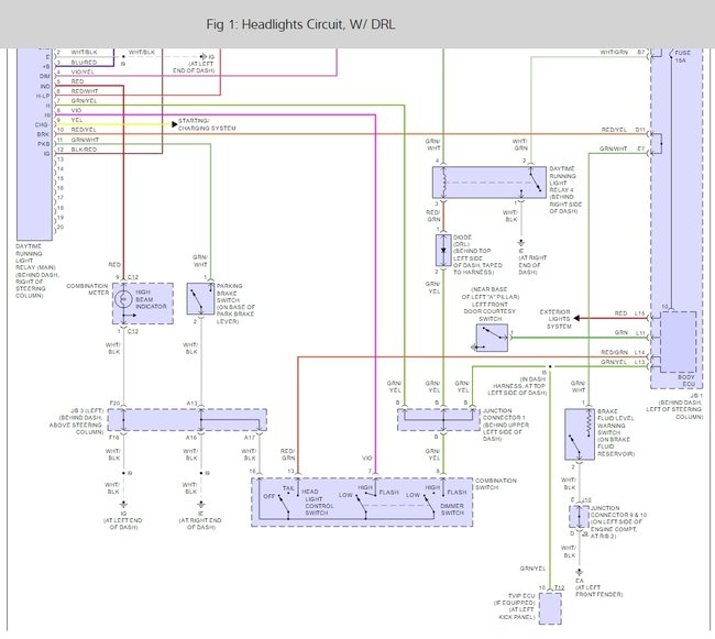
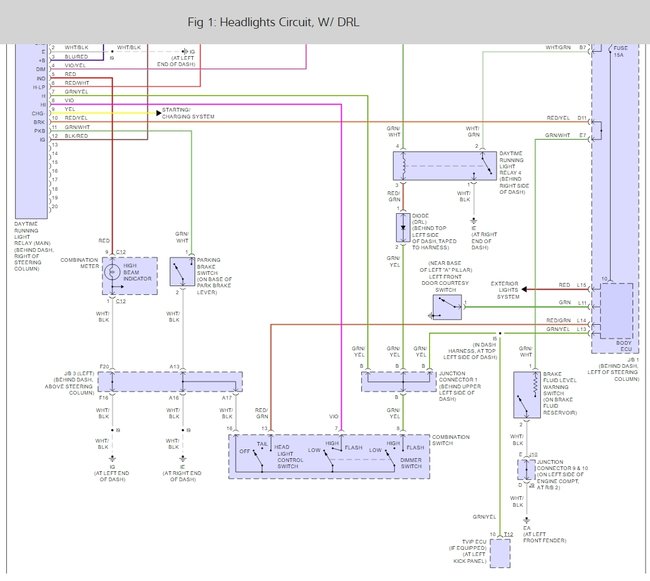
This sounds like a problem with the BCM which controls the headlight relay but I would chase down where the power stops using a test light, here is a guide for you to follow along with a diagram.

https://www.2carpros.com/articles/how-to-use-a-test-light-circuit-tester

Please run some tests and get back to us so we can continue helping you.

Best, Ken

Dec 12, 2016 at 3:15 PM