Headlights and Taillights shutting off intermittently?

2011 KIA SORENTO
174,000 MILES • 2.4L • 4 CYL • 2WD • AUTOMATIC
Avatar
REDMAN93
  • MEMBER
  • 1 POST
I can't drive at night due to the lights shutting off intermittently.
May 2, 2023 at 10:45 AM
Advertisement
Avatar
STRAILER
  • CERTIFIED EXPERT
  • 53,854 POSTS
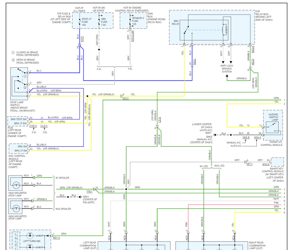
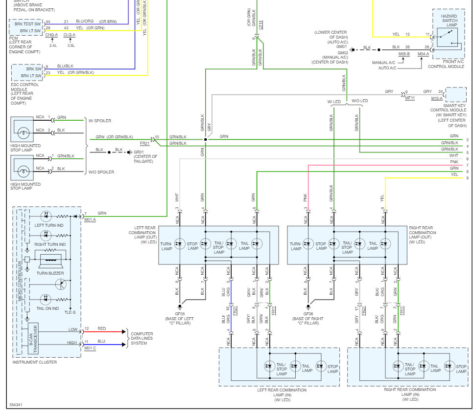
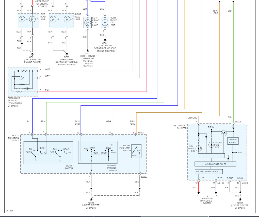
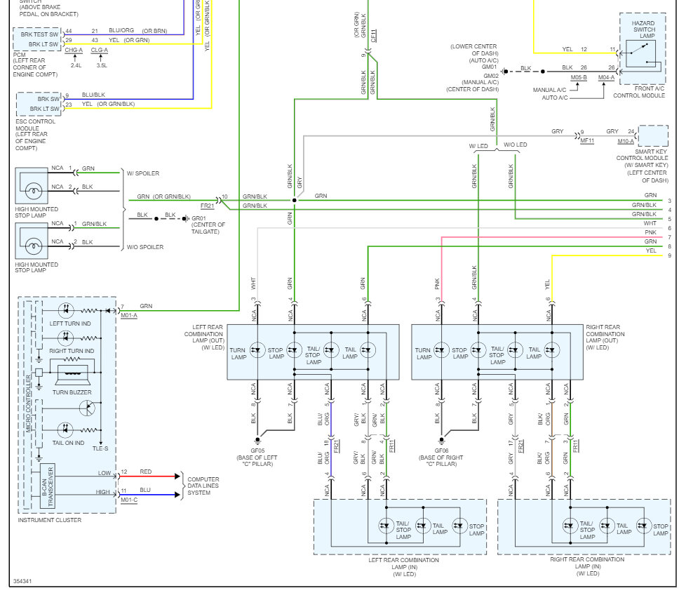
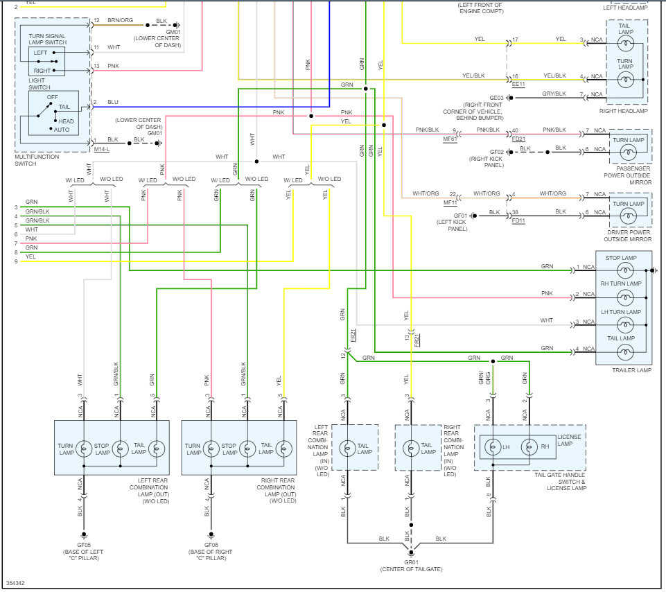
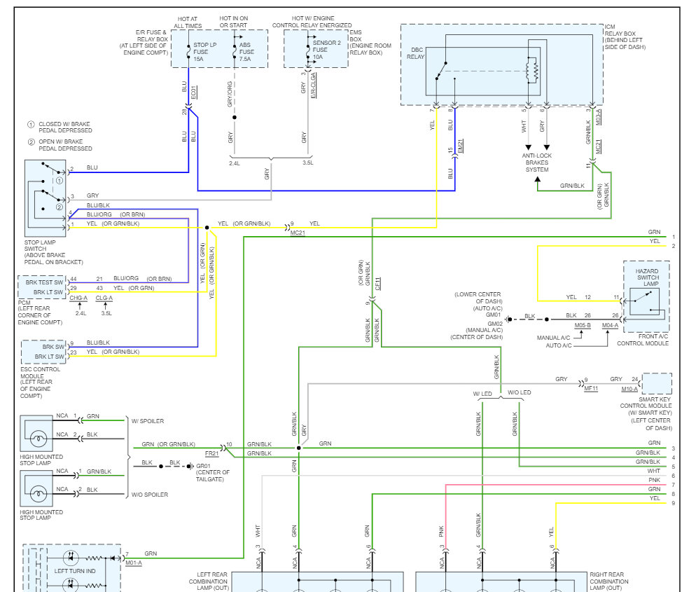
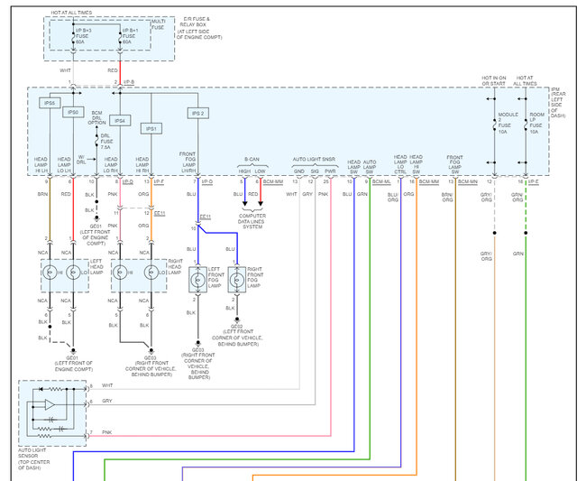
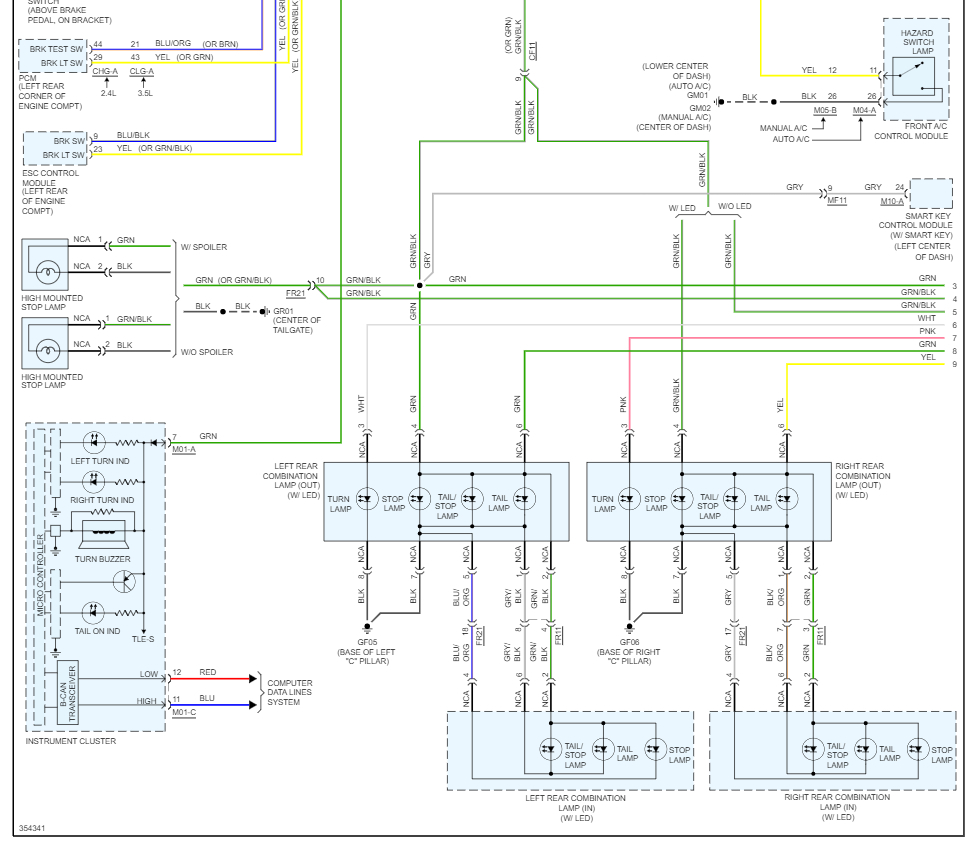
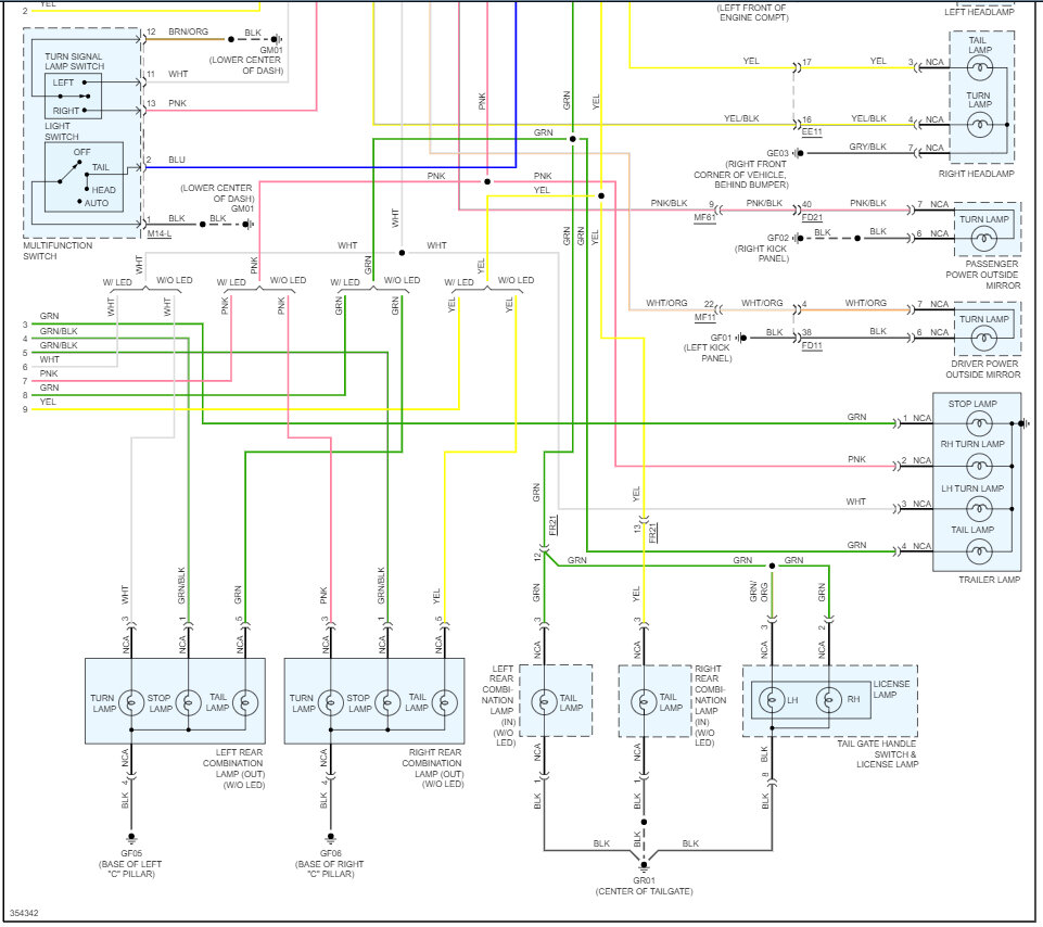
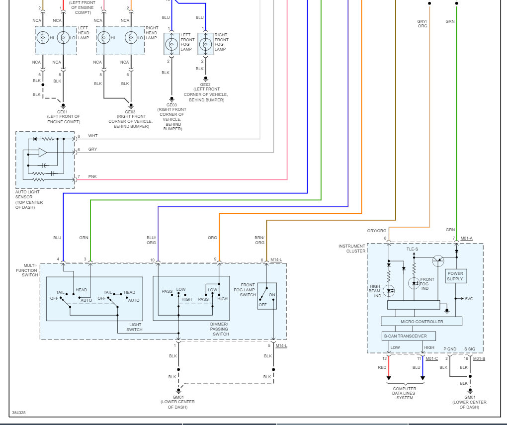
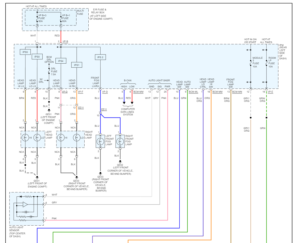
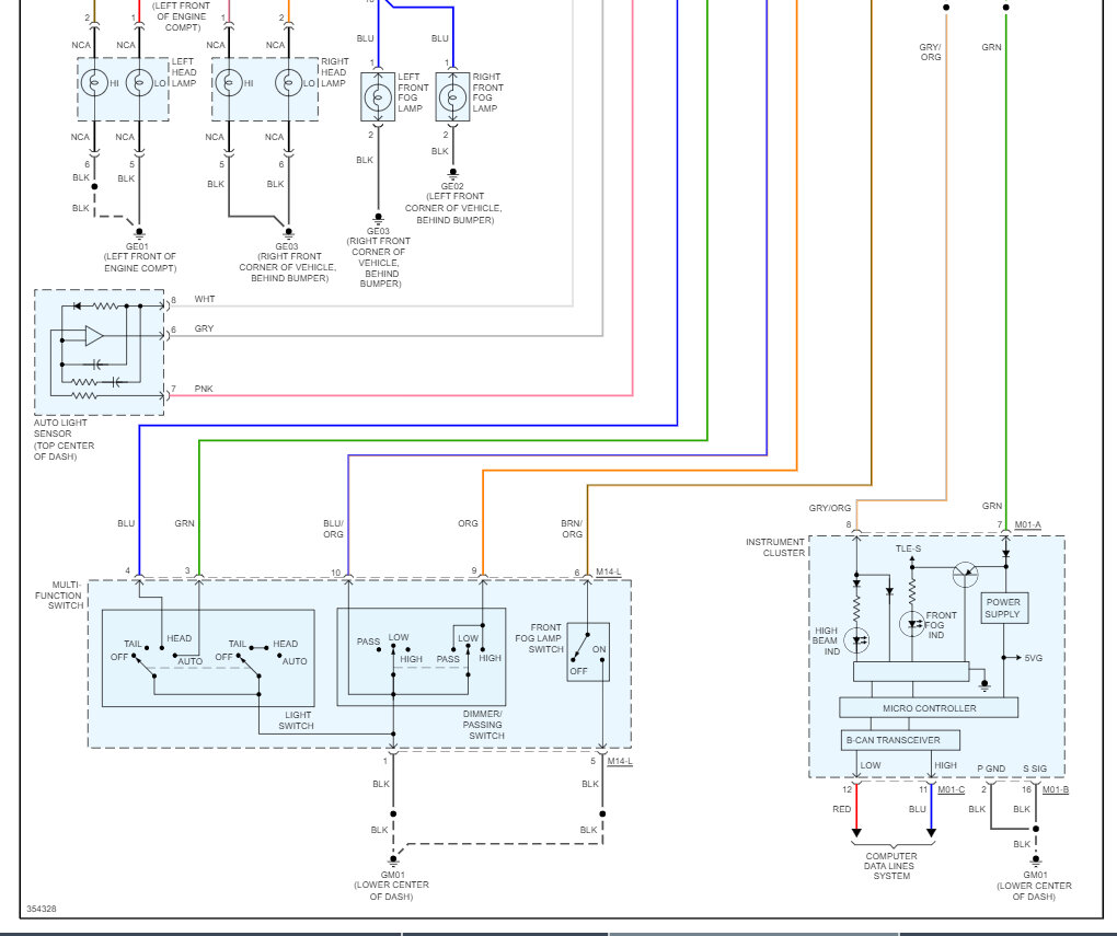
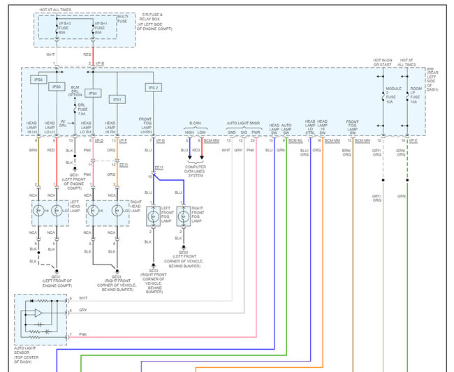
The happens when the IPM is going out. here are the headlight and taillight wiring diagrams so you can see how the systems work and where they get their power from. I have also included how to change out the IPM and its location. You can get a preprogrammed unit by searching Google or Ebay. Check out the images (below). Please let us know if you need anything else to get the problem fixed.
May 2, 2023 at 4:39 PM