Headlights stay on when key off

2000 DODGE CARAVAN
265,000 MILES • 3.3L • 6 CYL • 2WD • AUTOMATIC
Avatar
BURLEIGHJF
  • MEMBER
  • 2 POSTS
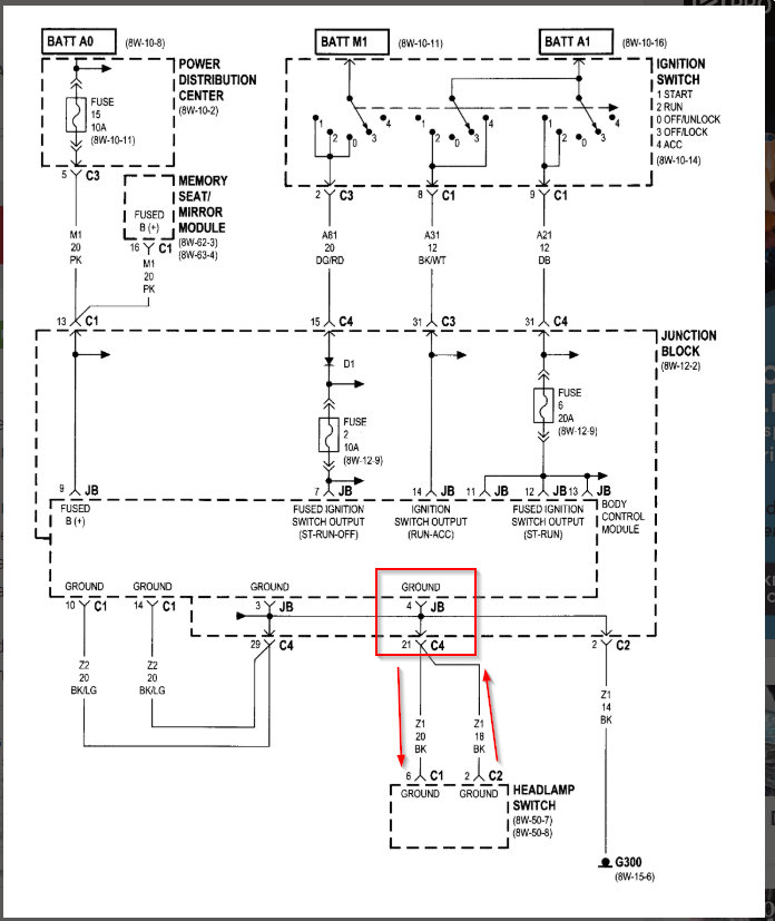
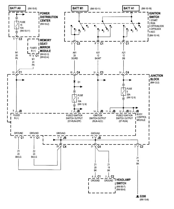
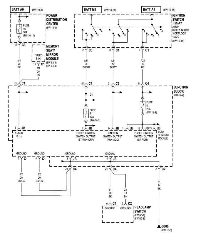
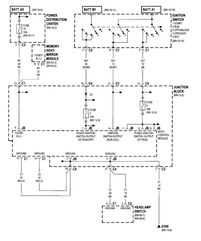
Re-manufactured BCM installed all functions restored turn off engine key off headlights come on wont switch off by main switch.
Dec 9, 2019 at 2:44 PM
Advertisement
Avatar
KASEKENNY
  • CERTIFIED EXPERT
  • 18,907 POSTS
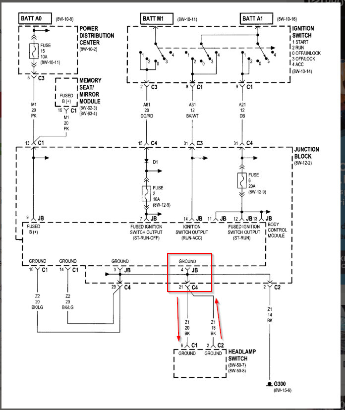
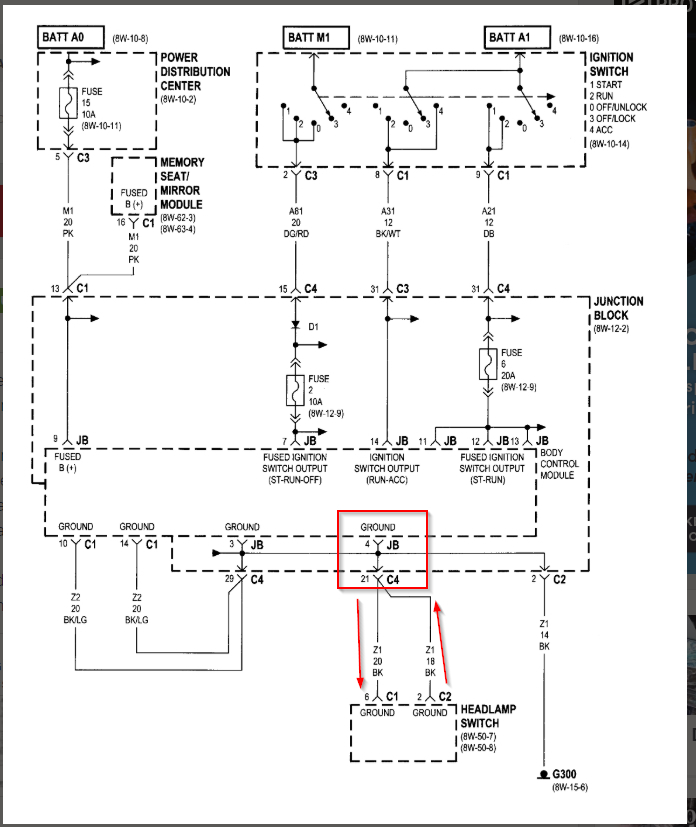
I suspect you have an issue with the BCM. The reason I say this, is the headlamp switch is what is called a ground side control switch. This means when you turn the switch, it completes the ground circuit for the headlamps and the power flows from the BCM to the headlamps. The fact that the switch appears to have no control over the lamps then that means they have constant ground. If this happened immediately after the installation of the BCM then that is your issue.

I would call the re-man company and tell them this is what you have and they should send you another or take this back and fix the ground for it.
Dec 10, 2019 at 3:28 PM
Avatar
BURLEIGHJF
  • MEMBER
  • 2 POSTS
thank you for this.
Dec 26, 2019 at 2:28 PM
Advertisement