Headlights flashing on and off then stay off?

2009 DODGE NITRO
86,000 MILES • 2.7L • V6 • 4WD • AUTOMATIC
Avatar
RENO RENEGADE
  • MEMBER
  • 4 POSTS
Why are my headlights flashing on and off then stay off, I have new bulbs and a new battery I have checked all fuses, and I know there's no fuse for the headlights as its computer controlled.
Need help ASAP.
Thanks Reno
Feb 3, 2025 at 8:14 AM
Advertisement
Avatar
STRAILER
  • CERTIFIED EXPERT
  • 53,854 POSTS
Hi Reno,

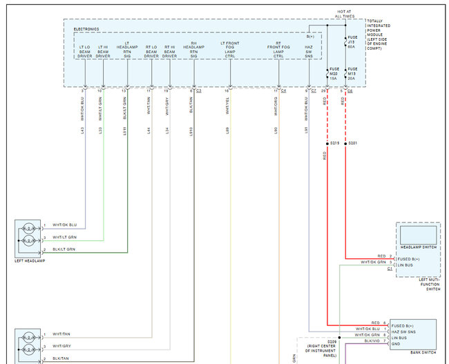
Chances are the TIPM is going bad which is common in these cars, here is the headlight wiring diagrams so you can see how the systems work, also replacing the TIPM is easy because it-self learns. You might want to try a new headlight switch, I have seen those go bad as well. I have included how to change the TIPM out as well. Check out the images (below). Please let us know what happens.
Feb 4, 2025 at 10:12 AM
Avatar
RENO RENEGADE
  • MEMBER
  • 4 POSTS
Thanks for the reply much appreciated, I will check it out
Reno
Feb 4, 2025 at 10:56 AM
Advertisement
Avatar
STRAILER
  • CERTIFIED EXPERT
  • 53,854 POSTS
You can try jumping the headlight switch (two wires) to see if that fixes the problem as well.
Feb 5, 2025 at 7:54 AM
Avatar
RENO RENEGADE
  • MEMBER
  • 4 POSTS
Jumping the headlights switch? The two wires connected to the multifunctional switch inside the steering column?
Feb 5, 2025 at 9:07 AM
Avatar
STRAILER
  • CERTIFIED EXPERT
  • 53,854 POSTS
Yes, check out the wiring diagrams if you jump the red and wht/dk grn it will by-pass the switch so you can see if that fixes it, then you can replace the switch.
Feb 6, 2025 at 8:02 AM
Avatar
RENO RENEGADE
  • MEMBER
  • 4 POSTS
Okay, I will take a look as I haven't taken the steering column apart yet, and i have a new stalk ordered. Thank you for the input I really hope it works. I don't think it's the TIPM as everything else works perfect.
Feb 6, 2025 at 10:10 AM
Avatar
STRAILER
  • CERTIFIED EXPERT
  • 53,854 POSTS
Sounds good, have a nice weekend !
Feb 7, 2025 at 5:41 PM