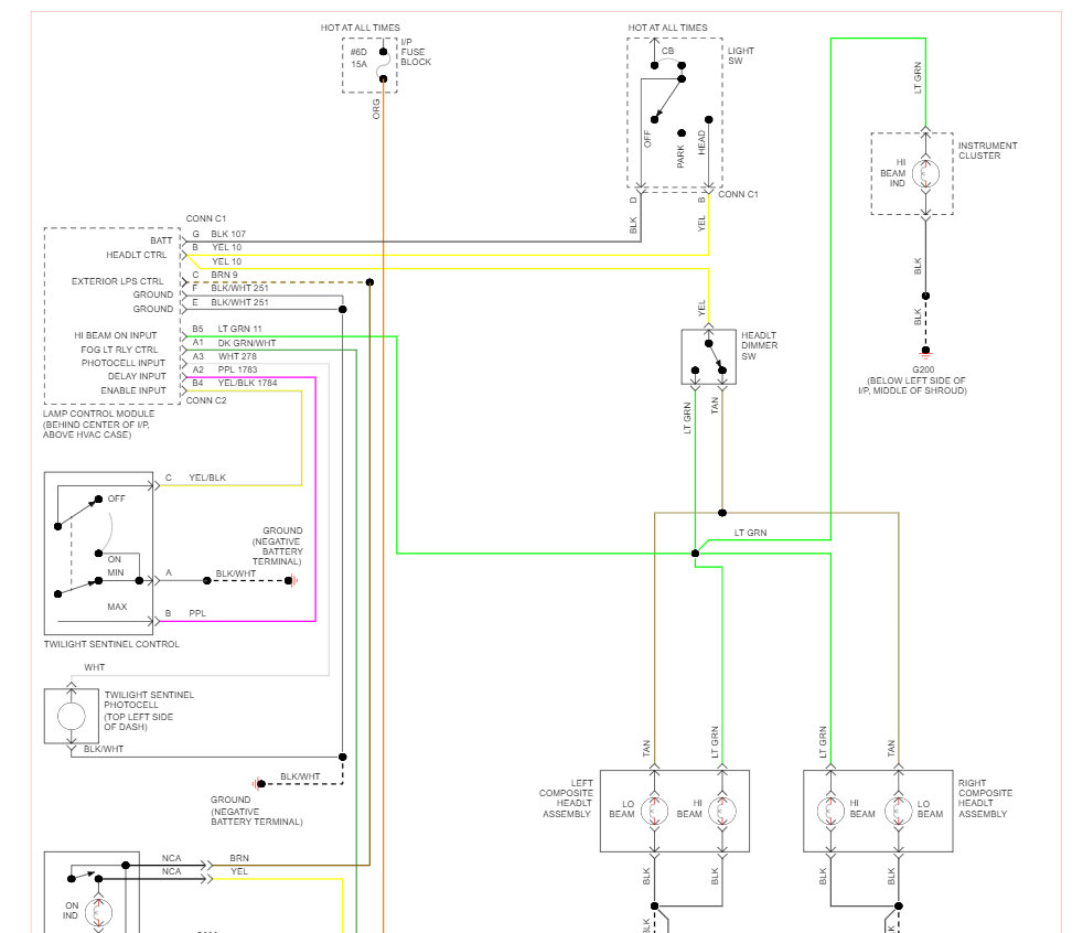
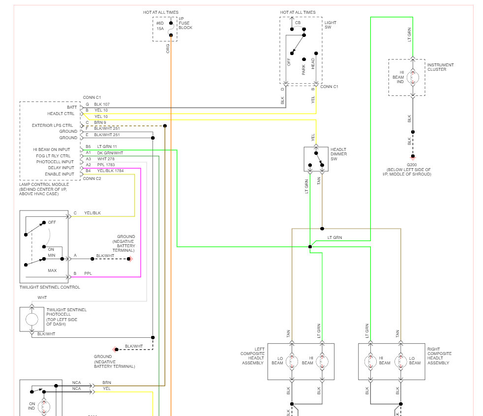
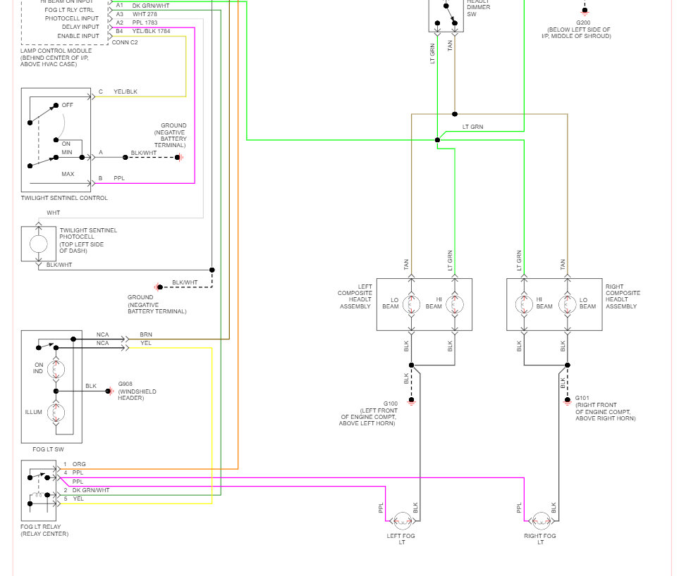
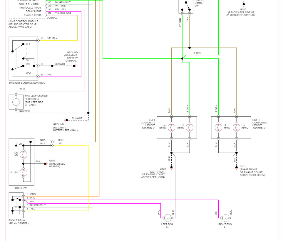
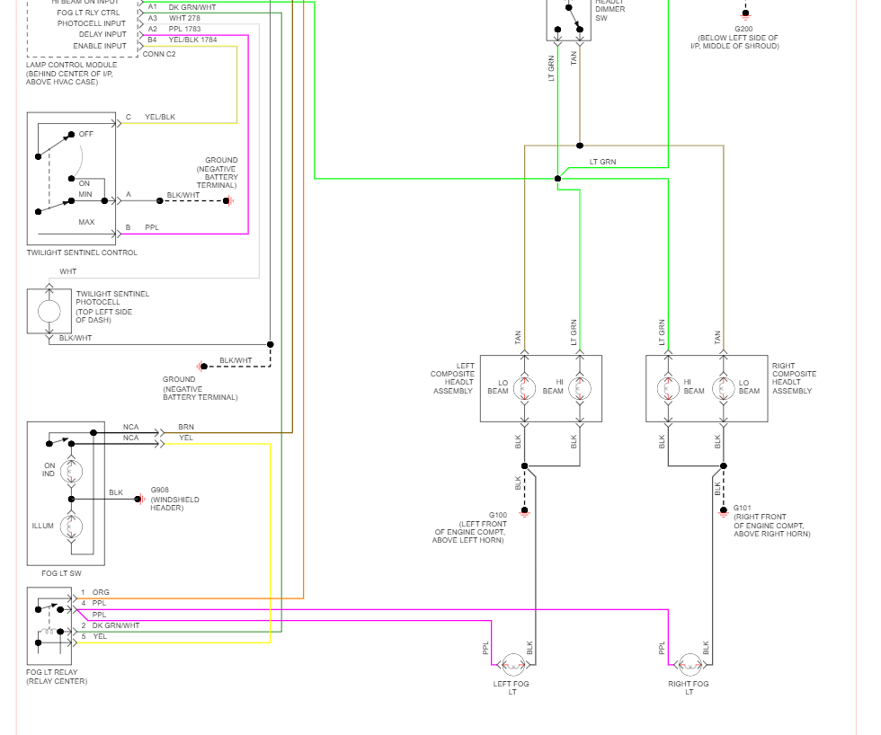
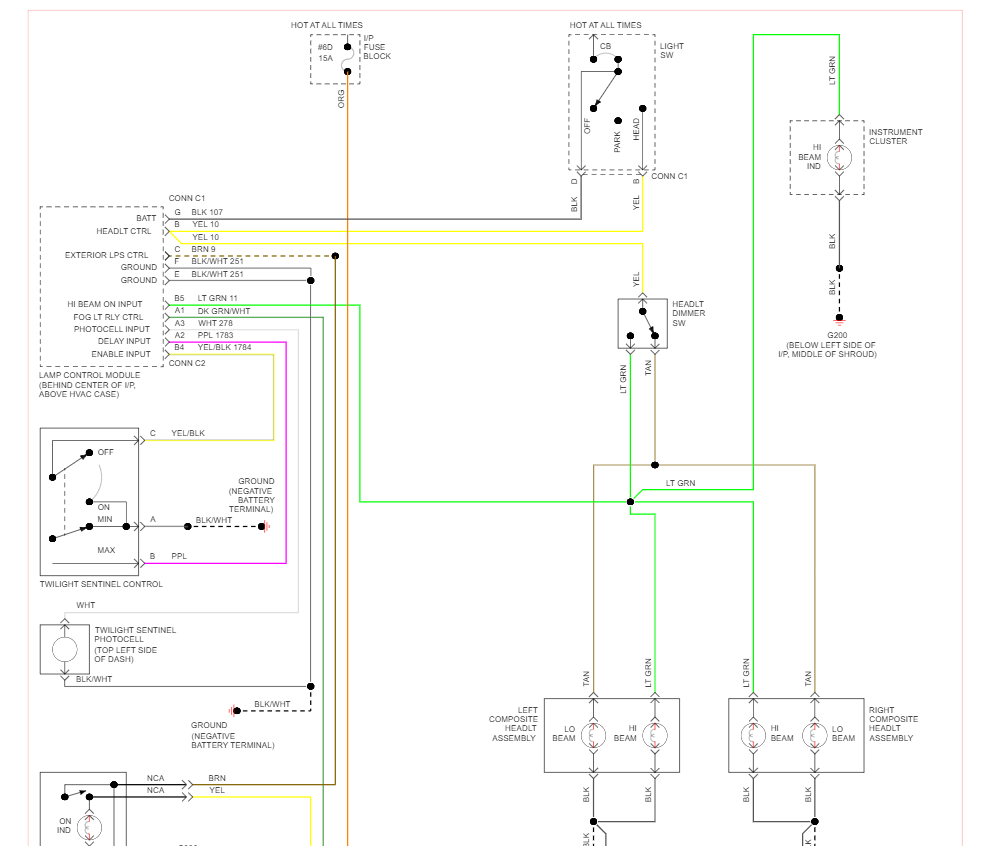
When I pull out the knob the twilight sentinel works and the yellow lights on the front of the car turn on, but not the headlights. Funny thing is that if I pull the turn signal/wipers rod towards me, I’ll get illumination from possibly the high beams until I let go. I still have no idea where the headlight fuse or relay is after checking the manual, and don’t know how to replace a headlight switch or where to get one.
Thanks!
Thanks!
May 6, 2023 at 10:36 AM


