Headlights not working

2002 CHEVROLET 2500
140,000 MILES • 6.6L • V8 • 4WD • AUTOMATIC
Avatar
DIESEL76
  • MEMBER
  • 1 POST
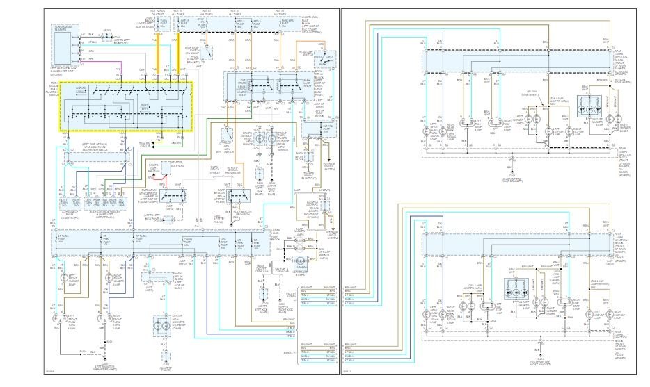
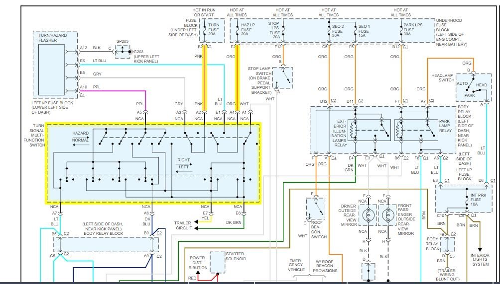
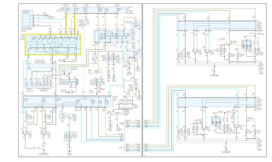
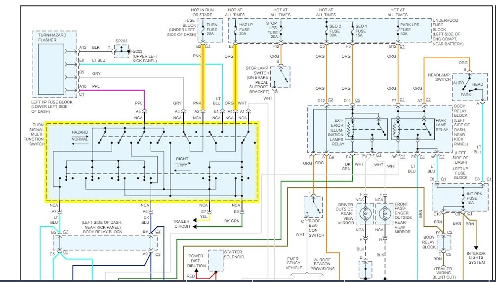
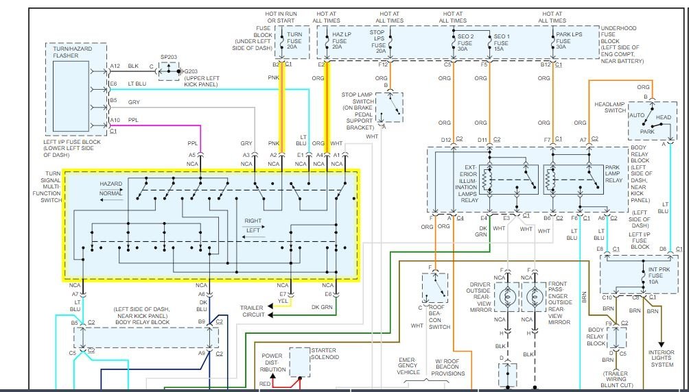
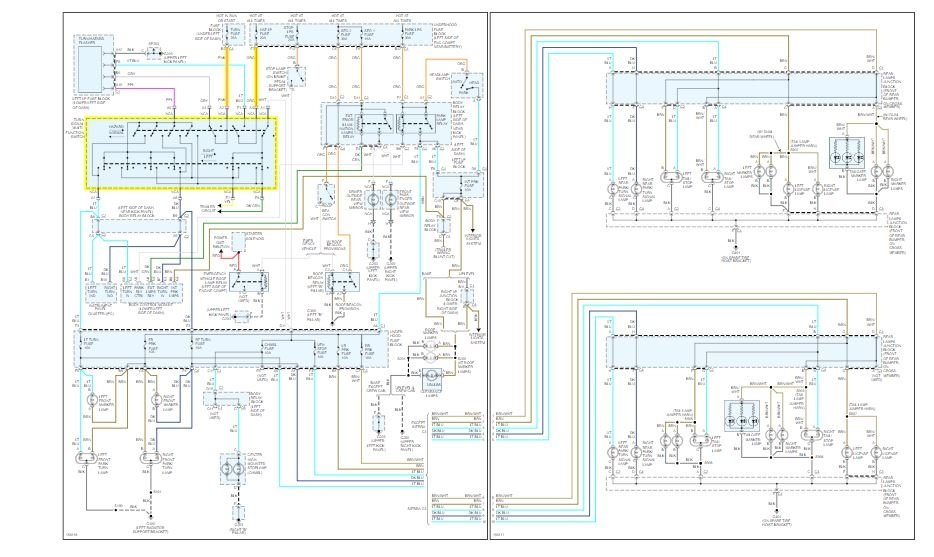
Replaced combination switch because of a short and loose wire. replaced light control switch which turns on and off lights with the dimmer wheel on it. still no lights.
Apr 20, 2019 at 2:36 PM
Advertisement
Avatar
ASEMASTER6371
  • CERTIFIED EXPERT
  • 52,796 POSTS
Good evening,

I attached a wiring diagram for you to view. Verify power on both fuses on both sides for the power to the switch.

If you have a test light, check for power out of the switch with the lights on.

Roy
Apr 20, 2019 at 4:54 PM