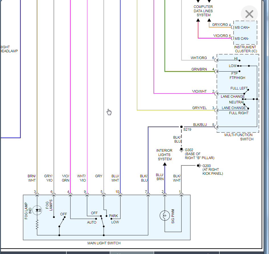
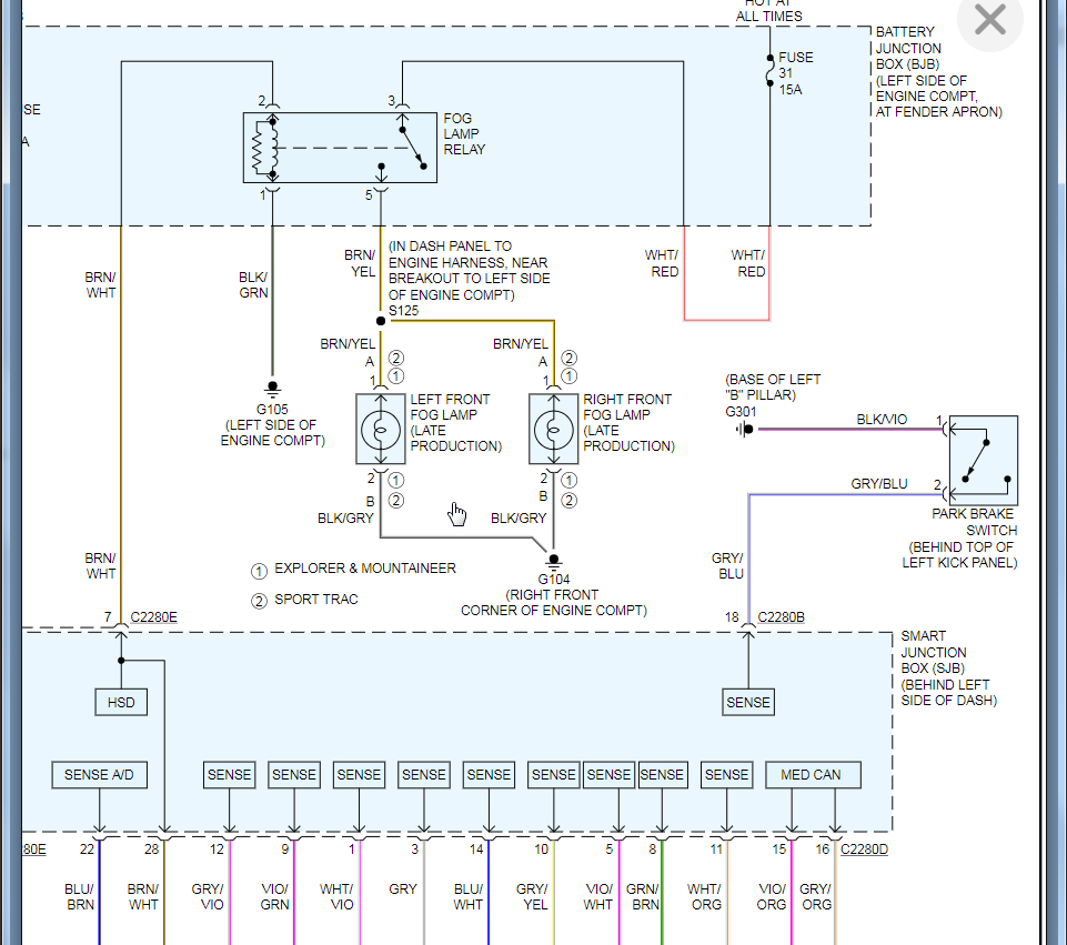
My low beam/DRL/ headlights are not working. The parking lights work, high beams work, fog lights work so I am assuming it is not the headlight switch ?!
- Not the bulbs
- Not the fuses ( tested 29 and 34 in fuse box - confirmed power )
I have no power at the headlight bulb end of the harness? No loose connections.At first it was the right side light, now it is both sides.. I am lost I have been through most anything I can think of. Please help.
- Not the bulbs
- Not the fuses ( tested 29 and 34 in fuse box - confirmed power )
I have no power at the headlight bulb end of the harness? No loose connections.At first it was the right side light, now it is both sides.. I am lost I have been through most anything I can think of. Please help.
Jan 18, 2020 at 6:49 PM









