☰
Login
Join
×
Home
Answered Questions
Repair Topics
Repair & Service Guides
Popular Questions
Warning Lights
Trouble Codes
How It Works
Testing / Diagnostics
Symptoms
Videos
Login
Become a Member
Home
Pontiac
Firebird
Exterior Light
Headlight
Wiring
Headlights issue wiring diagram?
1996 PONTIAC FIREBIRD
234,567 MILES • 6 CYL
JOJOSLAYTON
MEMBER
6 POSTS
FOLLOW
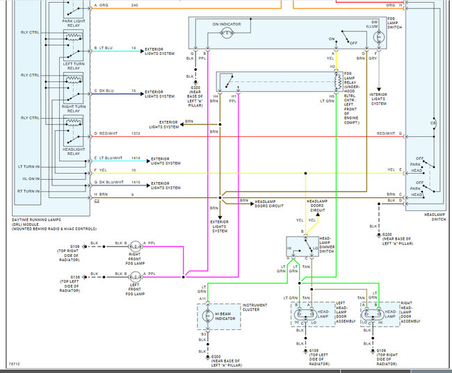
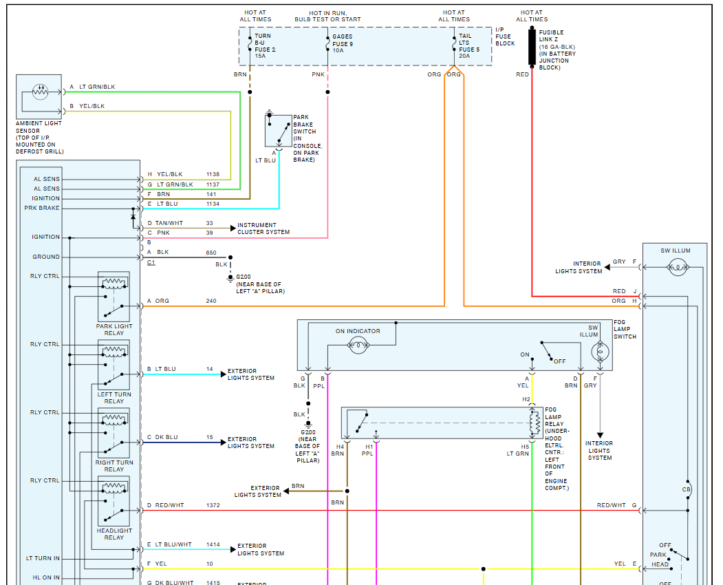
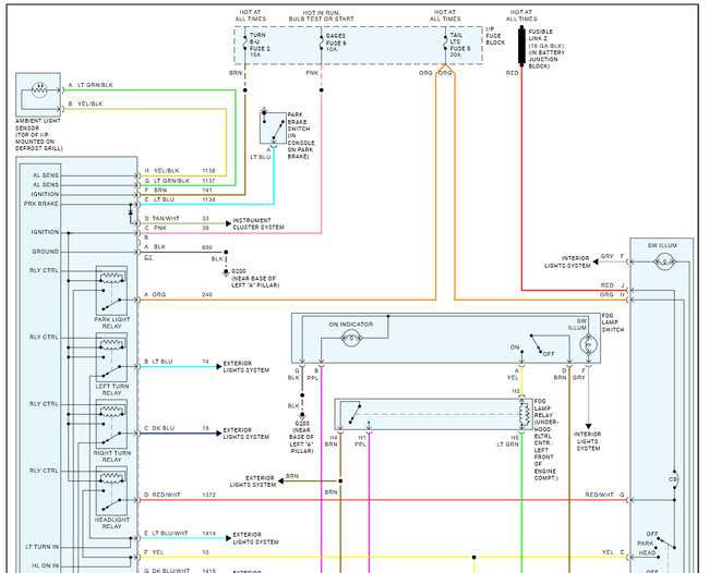
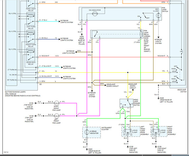
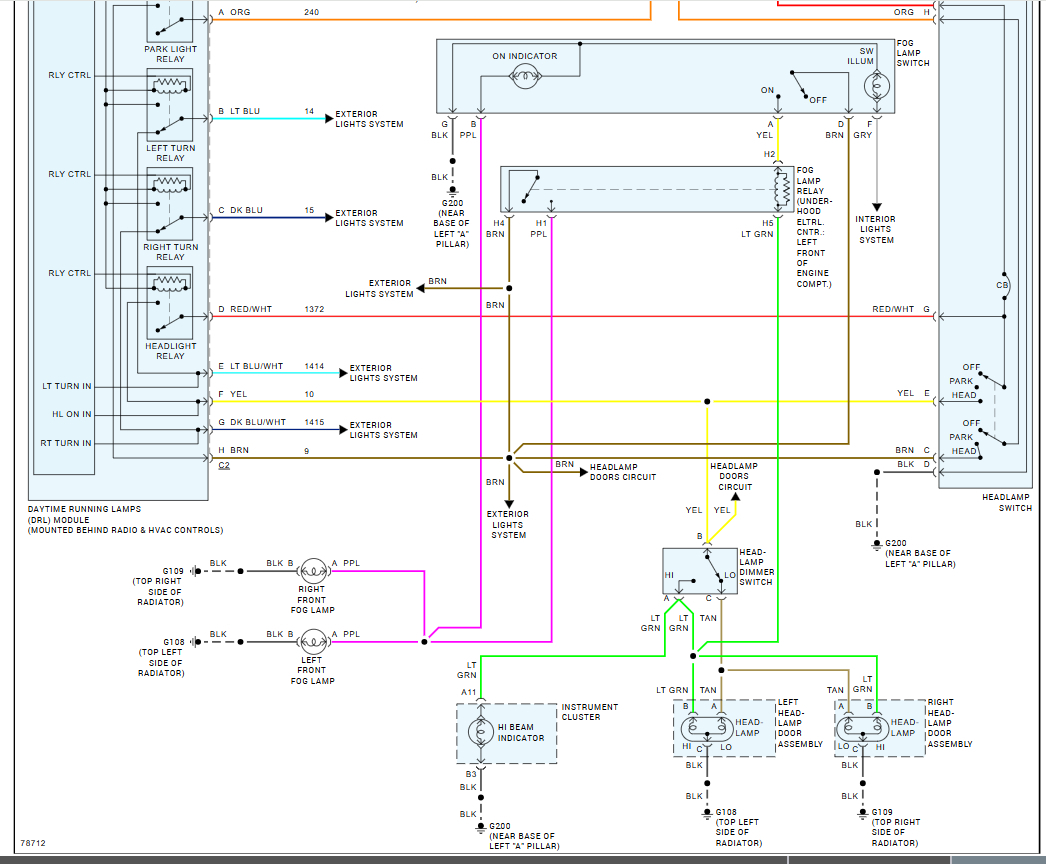
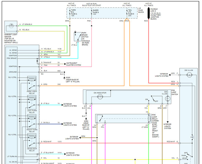
I need the wiring diagram for a 96 Pontiac firebird headlight switch.
Feb 8, 2026 at 10:11 AM
Advertisement
STRAILER
CERTIFIED EXPERT
53,854 POSTS
Sure, here is the wiring diagrams for the headlight switch as requested. Check out the images (below). Let us know if you need anything else.
Images (Click to enlarge)
Feb 9, 2026 at 8:04 AM