HID Headlights when turning on the low beams the fuse blows?

2000 FORD MUSTANG
232,000 MILES • 3.8L • V6 • 2WD • AUTOMATIC
Avatar
CHRIS KINARD
  • MEMBER
  • 94 POSTS
I have HID headlights with a ballast and the left low beam is not working. the right one is and both high beams are working and when I turn on my low beams it blows my fuse.
Jan 10, 2025 at 11:06 AM
Advertisement
Avatar
STRAILER
  • CERTIFIED EXPERT
  • 53,855 POSTS
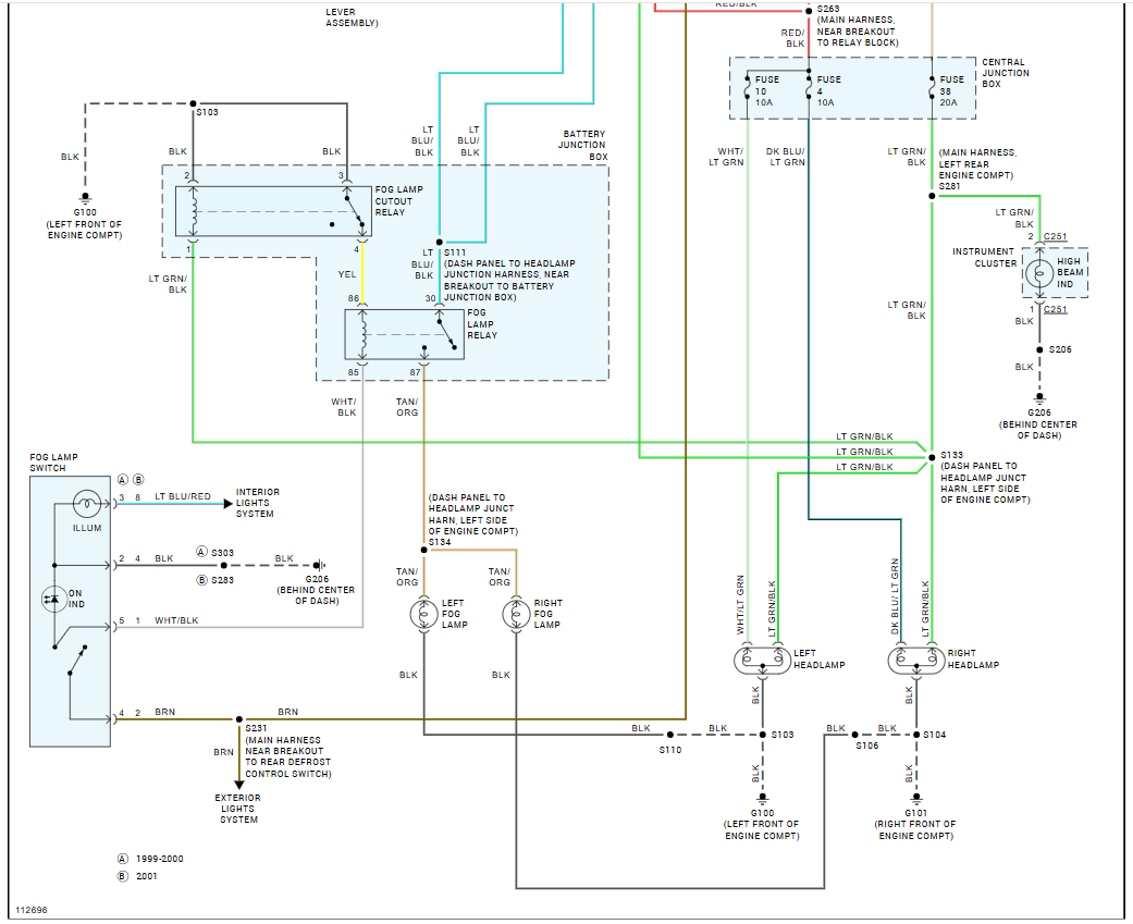
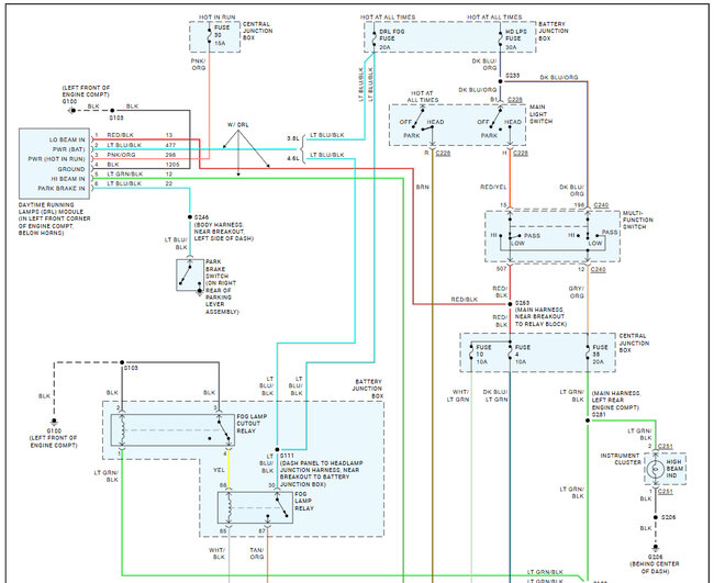
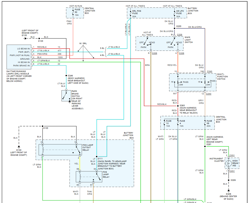
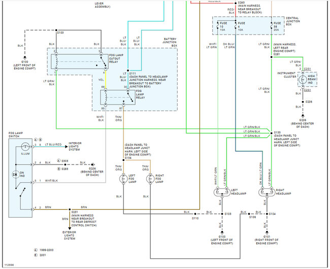
Hey Chris, the first thing I would do is disconnect the HID ballast, (left side) and then replace the fuse and turn the headlight on to see if the fuse blows. If the fuse stays good replace the ballast. Here are the headlight wiring diagrams so you can see how the system works. Also, can you tell me the fuse number that blows? Check out the images (below). Please let us know what happens.
Jan 10, 2025 at 5:03 PM
Avatar
CHRIS KINARD
  • MEMBER
  • 94 POSTS
It is fuse 10.
Jan 13, 2025 at 9:45 AM
Advertisement
Avatar
STRAILER
  • CERTIFIED EXPERT
  • 53,855 POSTS
Yep, that powers the left headlight only. Does the fuse still blow when the ballast is disconnected, and you turn the lights on?
Jan 13, 2025 at 1:50 PM