Headlights going out intermittently?

2002 CHEVROLET EXPRESS
178,000 MILES • 4.3L • 6 CYL • 2WD • AUTOMATIC
Avatar
TRINITY58
  • MEMBER
  • 14 POSTS
The vehicle listed above is a 1500. I got with the previous owner who stated that at one time there was a problem with both headlights going out at the same time. He took it somewhere and this is what they did. The headlights are currently working when manually turned on, but I have no daytime running lights. They cut the white wire and installed a fuse under the hood by the master cylinder and ran a black wire through the firewall to the back of an electrical connector under the dash. Maybe the DRL module was shorting out and they by passed it? Or something with the headlight switch itself?
Apr 16, 2024 at 10:34 PM
Advertisement
Avatar
TRINITY58
  • MEMBER
  • 14 POSTS
here is a picture under the dash where they spliced in the black wire.
Apr 16, 2024 at 10:41 PM
Avatar
STRAILER
  • CERTIFIED EXPERT
  • 53,854 POSTS
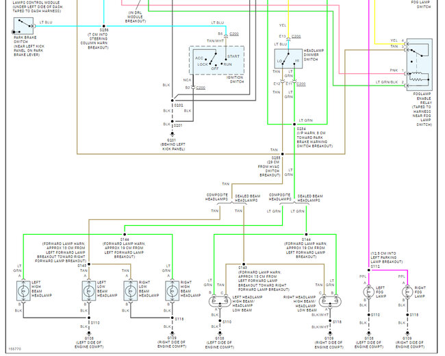
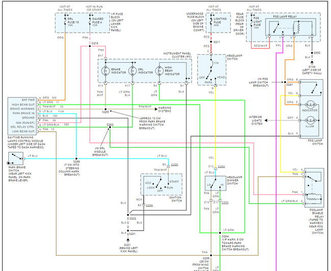
Is that an albino squirrel? Amazing! Anyway, I don't like it when people do creative wiring like this. Here are the wiring diagrams for the headlight so we can fix it correctly. The problem was probably the dimmer switch to begin with. Also, there is a DRL control module, but it could be cut out of the system. You can see they cut into the brown wire which powers the low beam headlights.

Use this guide to check for power along the way:

https://www.2carpros.com/articles/how-to-use-a-test-light-circuit-tester

Check out the images (below). Please upload pictures or videos in your response to the problem so we can see what's going on.
Apr 17, 2024 at 10:21 AM
Advertisement