Headlights do not work, but fuses, bulbs, and switch all good

2003 FORD F-150
170,000 MILES • 4.6L • V8 • 2WD • AUTOMATIC
Avatar
FATHERDAGON
  • MEMBER
  • 3 POSTS
If I pull backwards on the turn signal lever, I can get the lights to come on. But normally the low beams or brights do no turn on. I have replaced the bulbs, I have checked all fuses labeled headlamp, I have replaced the headlight switch, and I still cannot get the headlights to come on.
Apr 17, 2021 at 1:10 PM
Advertisement
Avatar
JACOBANDNICKOLAS
  • CERTIFIED EXPERT
  • 110,175 POSTS
Hi,

If you get high beam when you pull on the multi-function switch lever, we have to start at the main switch.

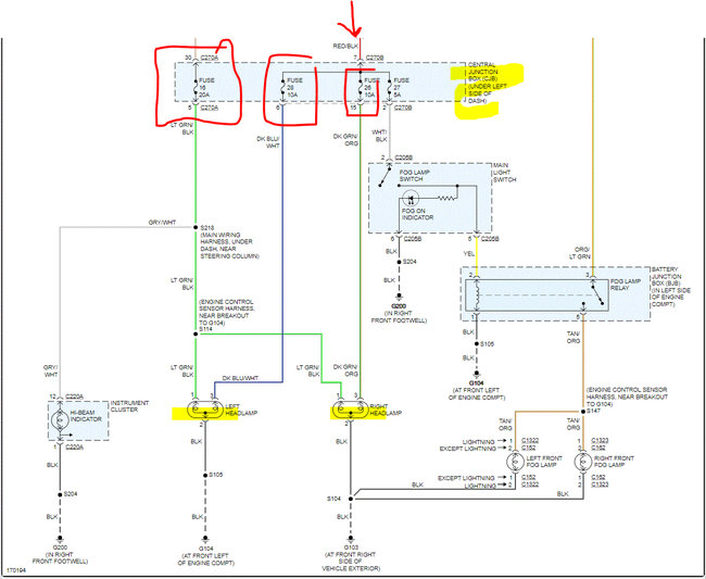
I have attached two pics below. They are the wiring schematics for the vehicle. Note: I selected one without daytime driving lights (DRL). If you have DRL, let me know.

So, there are several fuses that need to be checked. In addition to checking the fuses, I need you to confirm there is power to and from them. Here is a link you may find helpful:

https://www.2carpros.com/articles/how-to-check-a-car-fuse

In the pics below, I circled the fuses. Some are under the hood and others are in the vehicle.

If all fuses are good, start at the main switch. In the connector will be a dark blue wire with an orange tracer. It should have 12v at all times.

If it does, check the red wire with the yellow tracer at the switch. It should get 12v when the headlamp switch is in the on position.

If it is good, check for power at the red/yellow wire at the multi-function switch. If power is there and out from the switch, confirm again there is power to the fuses in the central junction box under the dash. Note: Those fuses will only have power when the lights are turned on.

From that point, power is distributed to the lights. So if you have power the entire way to the fuses in the central junction box and out from it, then go to the headlamp sockets and check for power.

Here is a link you may find helpful:

https://www.2carpros.com/articles/how-to-check-wiring

Since you get headlamps when you pull the multi-function switch, I suspect the problem is between the fuse box under the hood and the main headlamp switch. I realize the switch is new, so I'm questioning if the fuse is good and if there is power to the fuse in the underhood fuse box.

Pics 3 and 4 below are the fuses I need you to check. Pic 3 is the underhood fuse box and pic 4 is the one in the vehicle. Remember, in addition to checking the condition of the fuse, you need to confirm there is power to and from them.

I know this seems like a lot, but we need to know where power is lost. Normally, I work backwards from the headlamps back. I went the opposite way hoping it is one of the first things you check.

Let me know what you find or if you have other questions.

Take care,

Joe

See pics below.



Apr 17, 2021 at 9:06 PM
Avatar
FATHERDAGON
  • MEMBER
  • 3 POSTS
Thank you for the incredibly detailed information. It was extremely helpful. I thought I had a bad connection at the battery junction box, so I bypassed it with a fusible link. So now I have power at the battery junction box. I have power to and from the headlamp switch. I have power to the multi function switch. But I do not have power at the fuses in the central junction box and the fuses are good. My assumption at this point is that I may have a faulty multi function switch. I should also add that this problem started after having a voltage regulator issue that was creating voltage spikes. This has since been corrected, but I assume this could have damaged the switch? Thoughts? Thanks again.
Apr 18, 2021 at 1:50 PM
Advertisement
Avatar
FATHERDAGON
  • MEMBER
  • 3 POSTS
I went ahead and created a jumper to bypass the multi function switch, and my lights worked. So, I went ahead and replaced the multi function switch, and now I have working lights. With your information I was able to resolve the issue. Thank you for the help.
Apr 18, 2021 at 4:32 PM
Avatar
JACOBANDNICKOLAS
  • CERTIFIED EXPERT
  • 110,175 POSTS
Hi,

Great job. I'm glad to hear you got it figured out. Wiring can be difficult. Yes, something could have been damaged due to the voltage spikes. I've seen fires caused by them, so I'm glad that's fixed.

If you ever have questions in the future, please feel free to come back. You're always welcome here.

Take care,

Joe
Apr 18, 2021 at 5:39 PM