The headlights do not work?

2000 BUICK CENTURY
157,000 MILES • 3.1L • 4 CYL • 2WD • AUTOMATIC
Avatar
MIZZ VEE
  • MEMBER
  • 13 POSTS
i just got this car yesterday and went to get in it last night and could not get my headlights to come on my dash lights worked. so, i checked the fuses under the hood that were for them, and they are good. so, i checked the bulbs and again they are good idk or have a clue how to check for a short in the wiring the orange lights on the side come on but not the headlights., please help and sadly i don't have a repair manual to look at for advice. I'm told there are 2 fuse panels but i can only find one.
Aug 11, 2024 at 11:33 PM
Advertisement
Avatar
STRAILER
  • CERTIFIED EXPERT
  • 53,855 POSTS
It could be a voltage supply issue, I would check the two fuses that run the headlight system which are HDLP L and HDLP R under the hood, they should have power all the time.

Here is a guide to help you check:

https://www.2carpros.com/articles/how-to-check-a-car-fuse

Here are the fuse locations so you can check it out. The headlight switch simply grounds the bulbs to make them work. Check out the images (below). Let us know how it goes.

Aug 12, 2024 at 10:36 AM
Avatar
MIZZ VEE
  • MEMBER
  • 13 POSTS
i pulled out both fuses 32 and 36 they nether were bad when i pulled them out when using a test light on them does it need to be attached to unpainted metal on the car or does that matter and is this the only fuse panel to check also the brights work but only if i hold the turn signal switch if i let it go they go out.
Aug 12, 2024 at 11:26 AM
Advertisement
Avatar
STRAILER
  • CERTIFIED EXPERT
  • 53,855 POSTS
Yes, the test light needs to be attached to a good ground source. Test the positive to ground first at the battery to see if the test light works, then check for power at the fuse. If you do have power it sounds like the switch is bad. Here is how to change it out. Check out the images (below). Please let us know what happens.
Aug 13, 2024 at 10:27 AM
Avatar
MIZZ VEE
  • MEMBER
  • 13 POSTS
okay, so both sides of each fuse for the headlamps light up are not burned out i don't find a fuse for the high beams or a relay related to the headlamps at all in ether fuse box so now i wonder is it the knob i pull to turn them on and adjust the brightness of the dash lights or the multi switch that i have to hold in order to get the brights to come on also when i drive day or night the DRLs come on and only go off when i pull that knob and push it back in after turning off the car even if i don't pull it on at all. Any suggestions?
Aug 13, 2024 at 10:37 AM
Avatar
STRAILER
  • CERTIFIED EXPERT
  • 53,855 POSTS
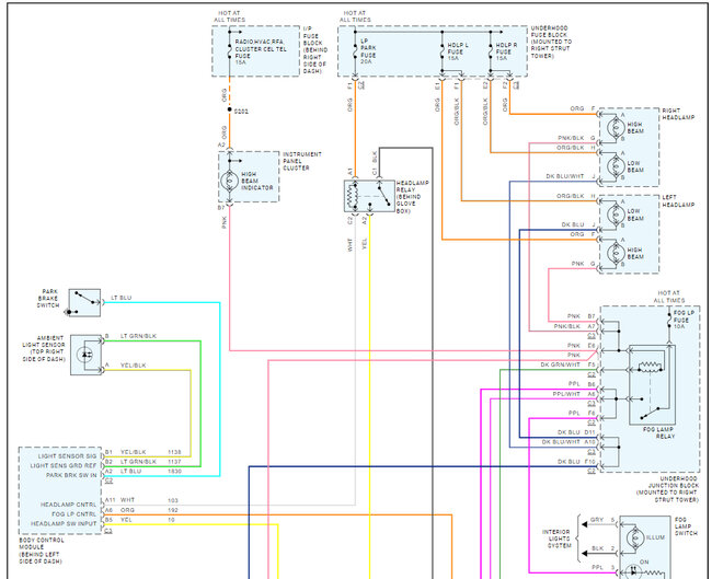
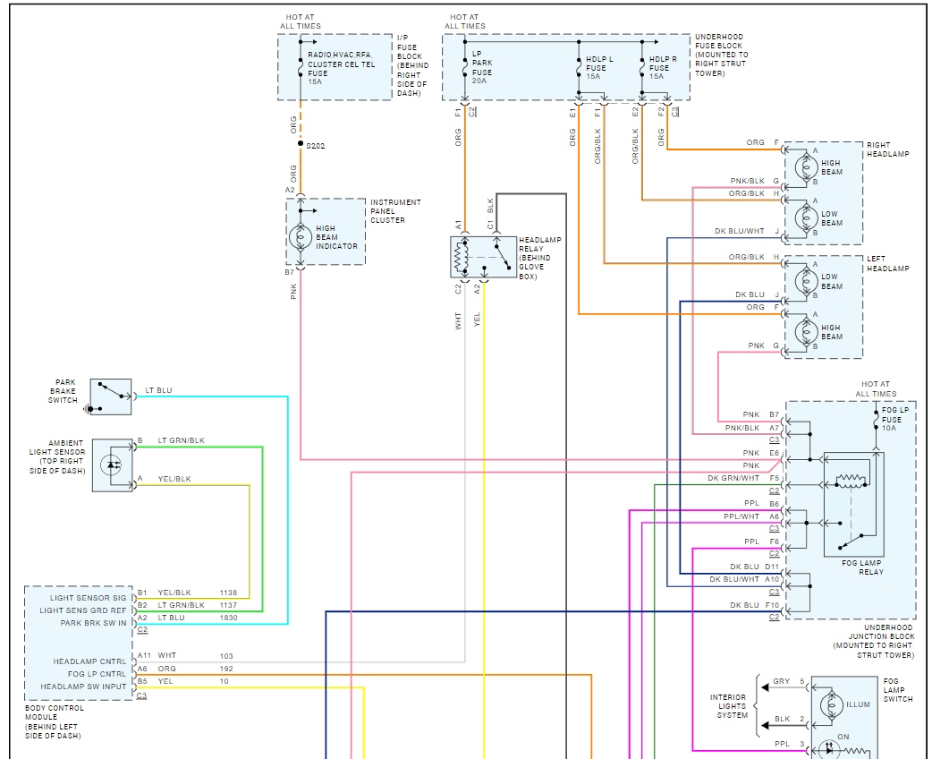
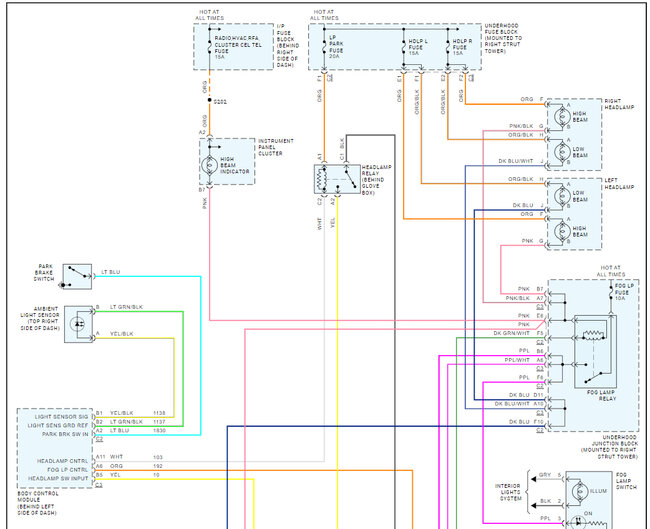
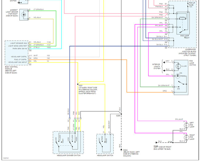
It sounds like the switch contacts are bad which happens, here are the headlight wiring diagrams so you can see how the system works.
Aug 13, 2024 at 11:14 AM
Avatar
MIZZ VEE
  • MEMBER
  • 13 POSTS
by switch do you mean the nob i pull to turn on the lights on or the multi switch that i hold to use the brights? this is also the switch for turn signals.
Aug 13, 2024 at 11:31 AM
Avatar
MIZZ VEE
  • MEMBER
  • 13 POSTS
by switch do you mean the nob i pull to turn on the lights on or the multi switch that i hold to use the brights this is also the switch for turn signals
Aug 13, 2024 at 11:31 AM
Avatar
MIZZ VEE
  • MEMBER
  • 13 POSTS
and when it comes to reading or understanding schematics i am an idiot and don't understand them.
Aug 13, 2024 at 11:34 AM
Avatar
STRAILER
  • CERTIFIED EXPERT
  • 53,855 POSTS
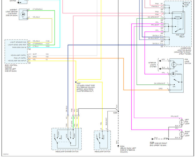
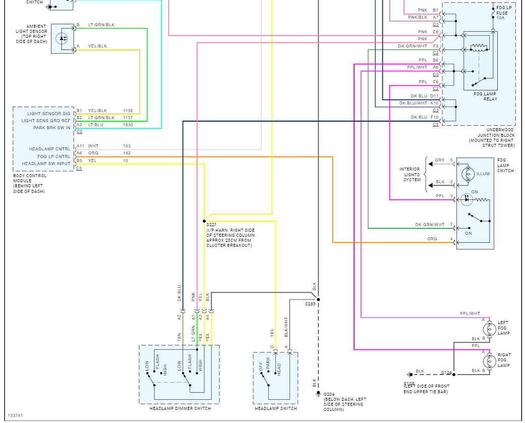
Wiring diagram are like a road map, just follow the lines and you can get an idea of how the system works. My bad, here is the headlight switch, not the multifunction switch. Please go over this guide which can help:

https://www.2carpros.com/articles/how-to-check-wiring


Check out the images (below). Please let us know what happens.
Aug 13, 2024 at 12:11 PM