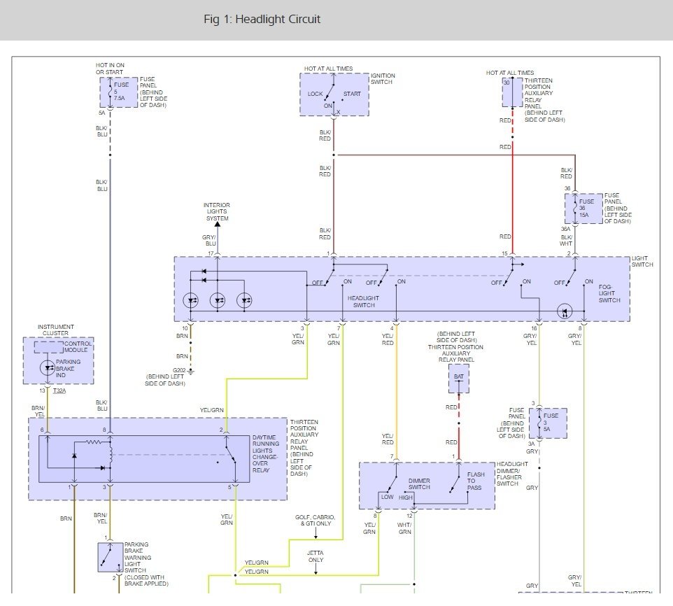
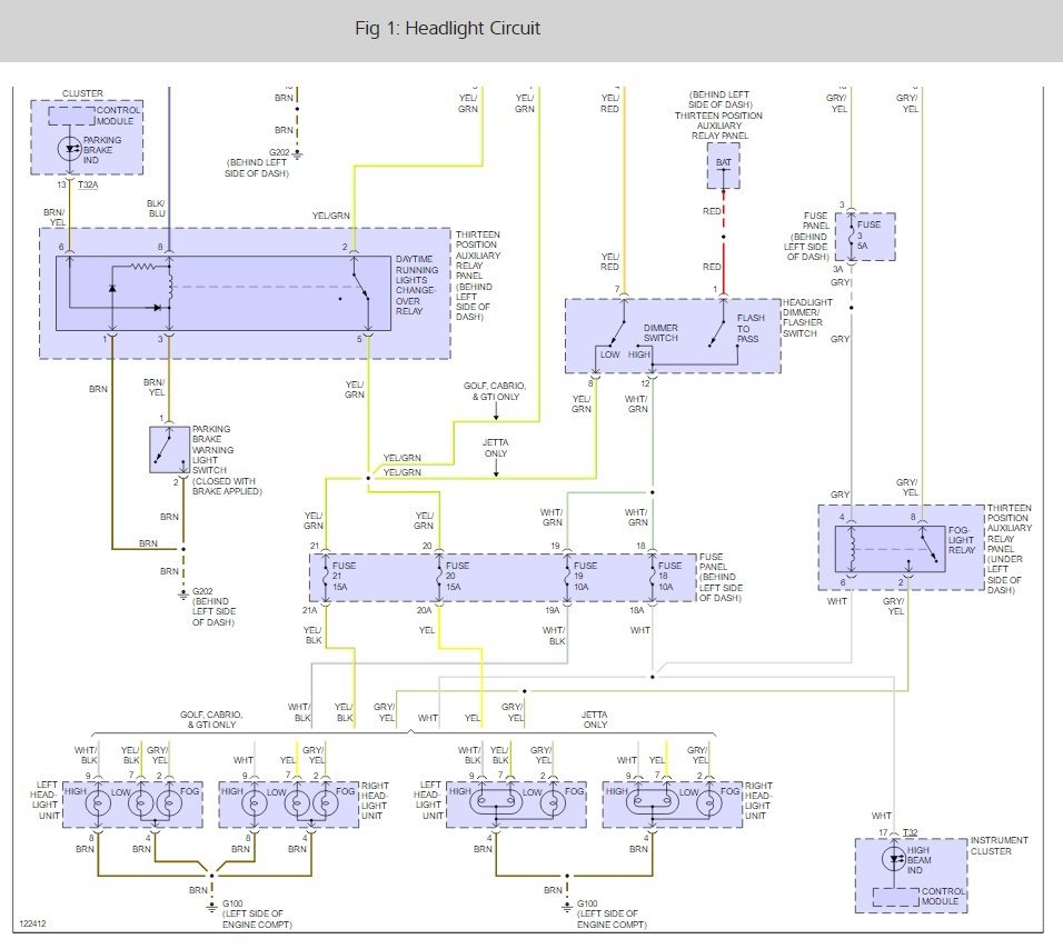
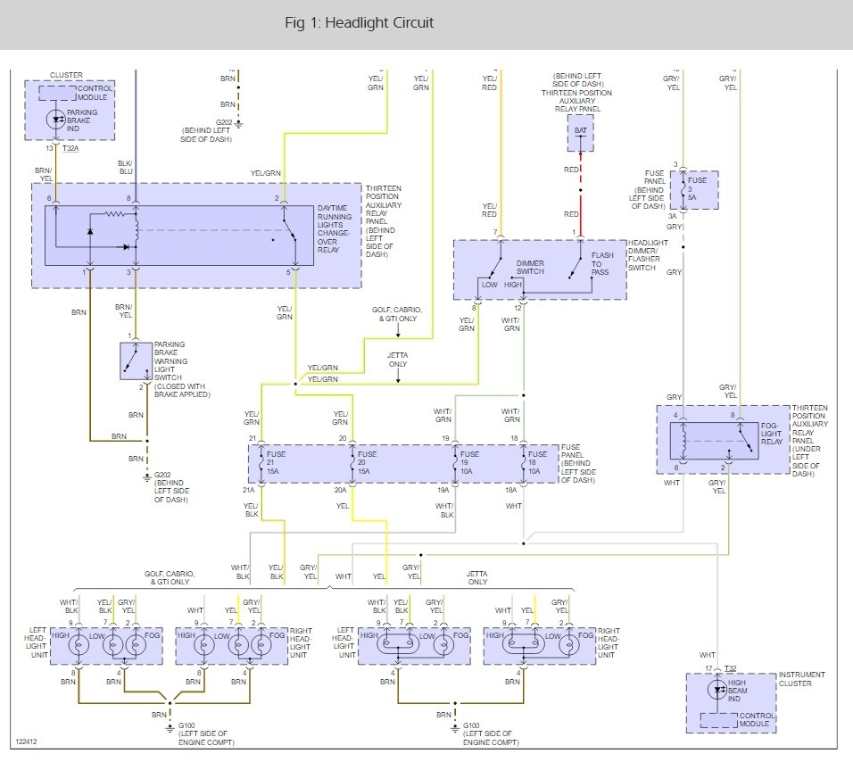
If I use the control arm and press to dash the driver low beam works and the passenger headlight goes off. If I press the control arm away to me the driver headlight goes out and the passenger headlight works. I did replace the bulbs and fuses. Both headlights will not turn on together and the daytime running light only the passenger side stays on. Can you give me a hint of what to do?
May 4, 2017 at 7:57 AM

