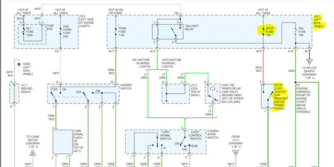
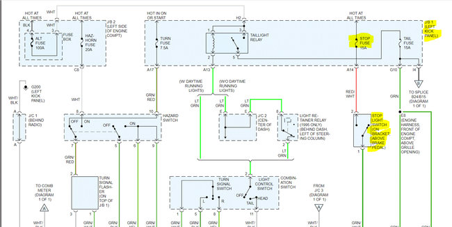
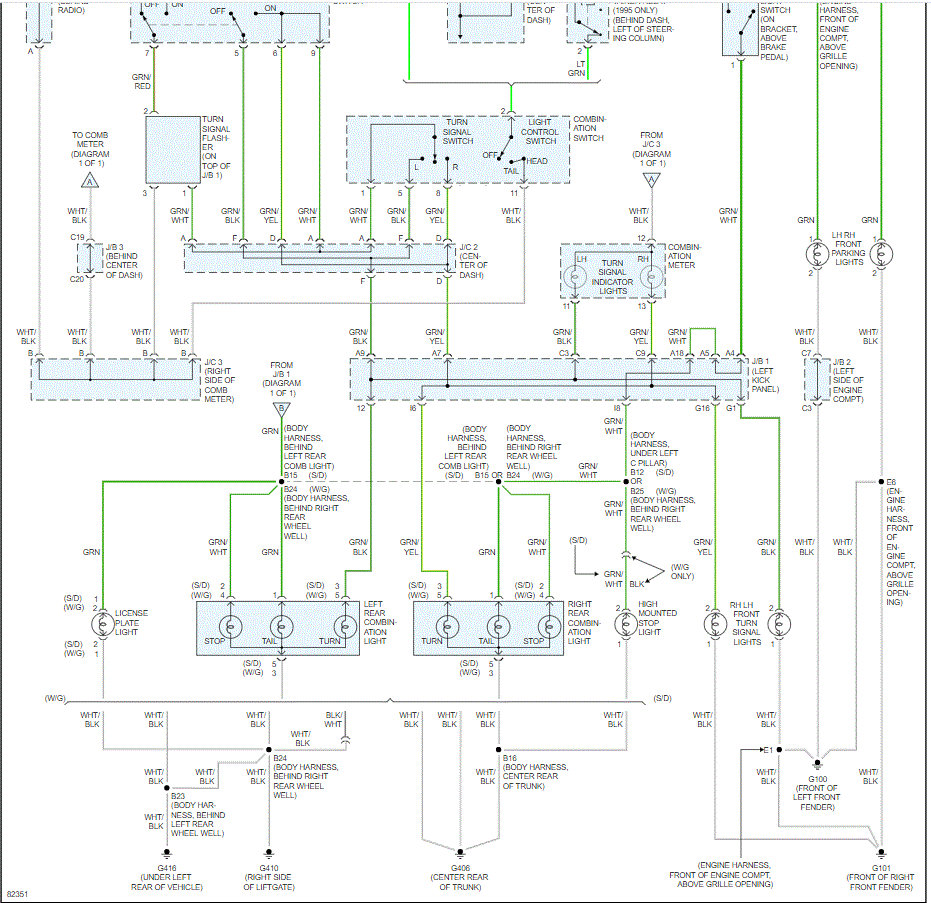
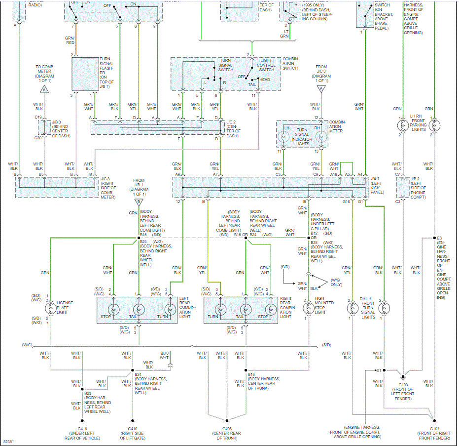
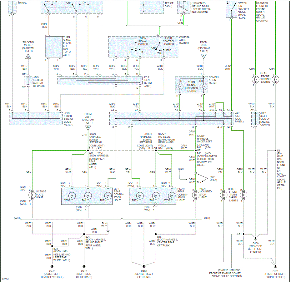
during an accident, the driver side turn signal light fell off tearing the wires that feed to it. Those wires shorted the body of the vehicle at some point and I assume that was responsible for causing the following two issues: First, the headlights don't come on anymore (not bad bulbs issue). Second, the rear brake lights (including 3rd light) now always stay on even when your foot is off the brake pedal. How can I fix these two issues? thanks
Jun 18, 2021 at 10:26 PM



