headlights wiring diagram needed

2008 KIA OPTIMA
223,465 MILES • 2.4L • 4 CYL • 2WD • AUTOMATIC
Avatar
BEN RODRIGUEZ
  • MEMBER
  • 2 POSTS
need a wiring color diagram for high and low beam headlights. please
Feb 25, 2021 at 6:06 AM
Advertisement
Avatar
JACOBANDNICKOLAS
  • CERTIFIED EXPERT
  • 110,175 POSTS
Hi,

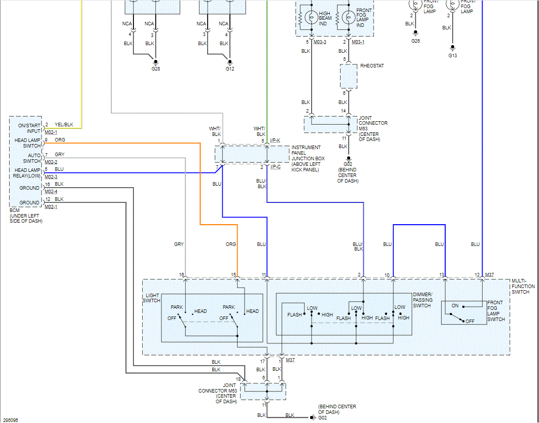
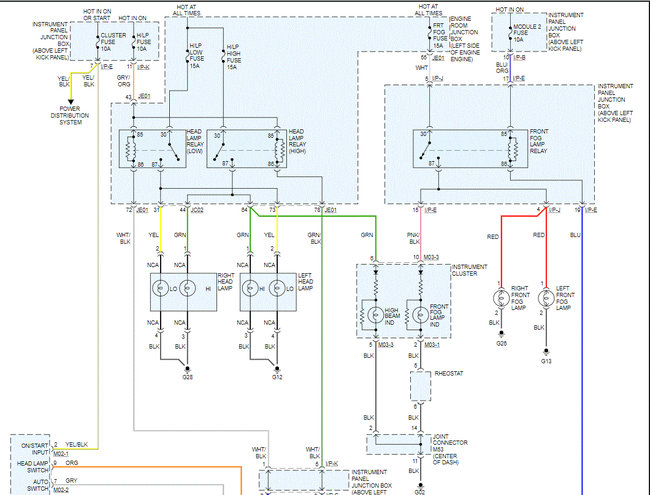
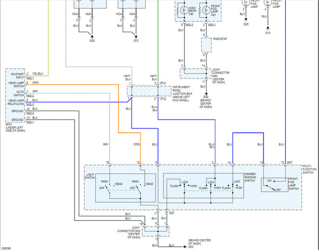
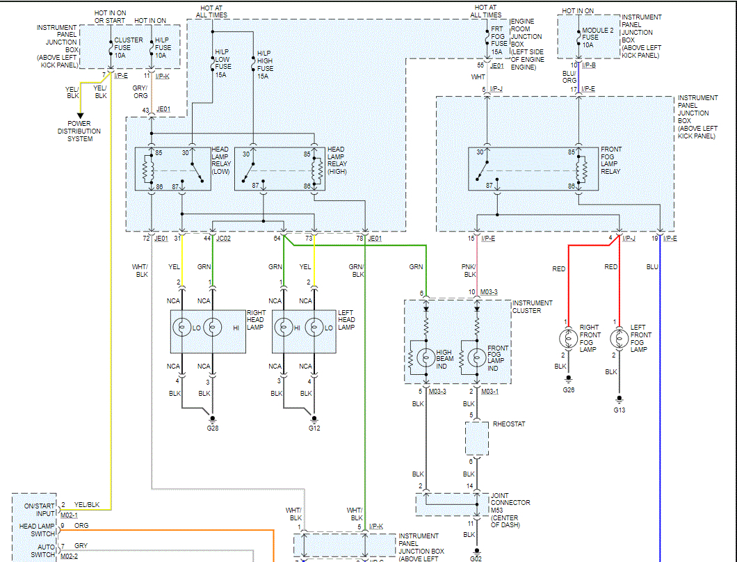
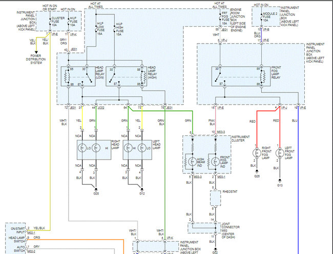
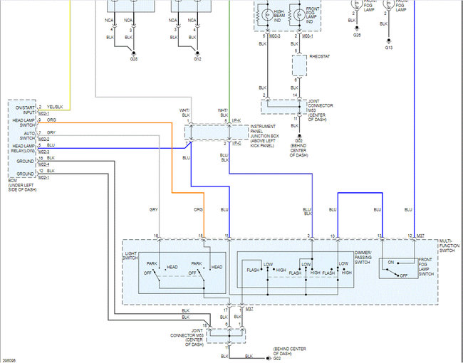
If you look at the pics below, I attached the entire wiring schematic for this vehicle without daytime driving lights. If you have daytime driving lights, I have to get a different schematic.

I had to cut the pic in half to make it readable, but I did overlap them so you can follow them easier.

Here is a link you may find helpful:

https://www.2carpros.com/articles/how-to-check-wiring

Let me know if this helps or if you have other questions.

Take care and God Bless,

Joe
Feb 25, 2021 at 6:15 PM