High beam headlights not working

2002 FORD F-150
2,889,275 MILES • 5.4L • V8 • 4WD • AUTOMATIC
Avatar
MARINE 02
  • MEMBER
  • 2 POSTS
My low beam headlights work fine but when I switch to high beam they don't come on. The high beam indicator light inside doesn't even come on on the dashboard. Where is the location of the headlights relay under the hood
Aug 4, 2021 at 11:40 AM
Advertisement
Avatar
SQM
  • CERTIFIED EXPERT
  • 6,383 POSTS
Hello,

First you need to check the fuse for the high beam headlights.
The fuse is located in the fuse box under the dash.
It should be the number 16 fuse, 20 AMP.

https://www.2carpros.com/articles/how-to-check-a-car-fuse

Next item needs to be checked is the headlight relays in the fuse box under the hood.

Here is how to check a relay:

https://www.2carpros.com/articles/how-to-check-an-electrical-relay-and-wiring-control-circuit

I have also attached a step by step diagnostics for that issue (see below).

Please let me know of any questions.

Thank you.
Aug 4, 2021 at 12:11 PM
Avatar
MARINE 02
  • MEMBER
  • 2 POSTS
Where is the relay for the headlights located at under the hood and which relay is it ?
Aug 4, 2021 at 1:22 PM
Advertisement
Avatar
SQM
  • CERTIFIED EXPERT
  • 6,383 POSTS
It is in the fuse box under the hood. Should be number 3, 30A.
Aug 4, 2021 at 2:15 PM
Avatar
KASEKENNY
  • CERTIFIED EXPERT
  • 18,907 POSTS
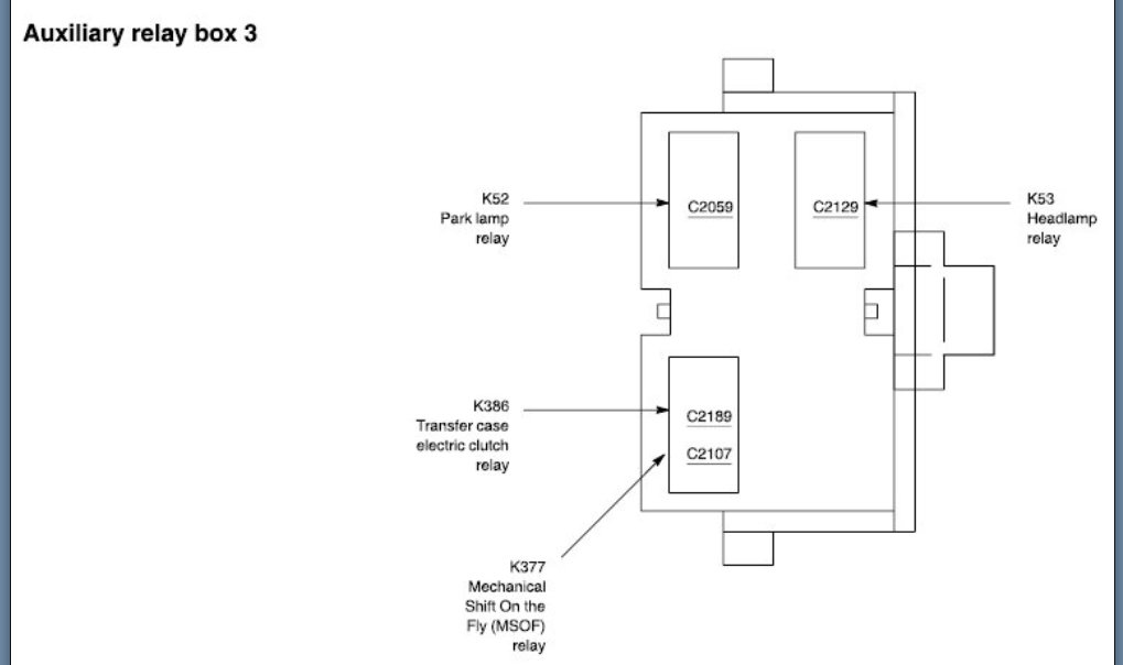
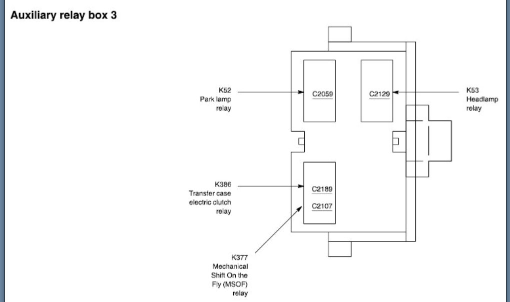
Just to jump in. If you are looking for the headlamp relay, it looks like it is in aux relay box 3 which is on the right side of the dash, which would be on the passenger side.

Take a look at the attachments below for the location and the wiring diagrams. However, if the high beams are the only thing not working and the indicator is not working either, then the fuse is the likely issue as SQM mentioned above. The high beams as well as the indicator are on the same side of the fuse so that should be ruled out for sure.

If the fuse is ok then the likely issue is the multi-function switch.

Please see below for the relay location and the fuse information. Let us know what you find.

Thanks
Aug 4, 2021 at 4:02 PM
Avatar
MARINE 02
  • MEMBER
  • 2 POSTS
Was not a relay box on the right side of the dash.
Aug 9, 2021 at 9:01 AM
Avatar
KASEKENNY
  • CERTIFIED EXPERT
  • 18,907 POSTS
Okay. Just to confirm you were looking on the passenger side of the vehicle because the right side is determined from sitting in the driver seat.

Then if you look at the wiring diagram it says right center of the dash. Take a look at this diagram and it gives a general location.

Let us know if you still can't find it and we can try and get more detailed info.

Thanks
Aug 9, 2021 at 9:04 AM