Headlights go out and come back on

1996 CHEVROLET S-10
123,769 MILES • 0.5L • 4 CYL • 2WD
Avatar
GINA345
  • MEMBER
  • 1 POST
While I’m driving the lights go out and come back on.
May 18, 2021 at 7:43 AM
Advertisement
Avatar
STRAILER
  • CERTIFIED EXPERT
  • 53,854 POSTS
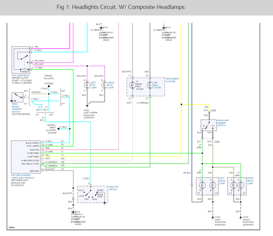
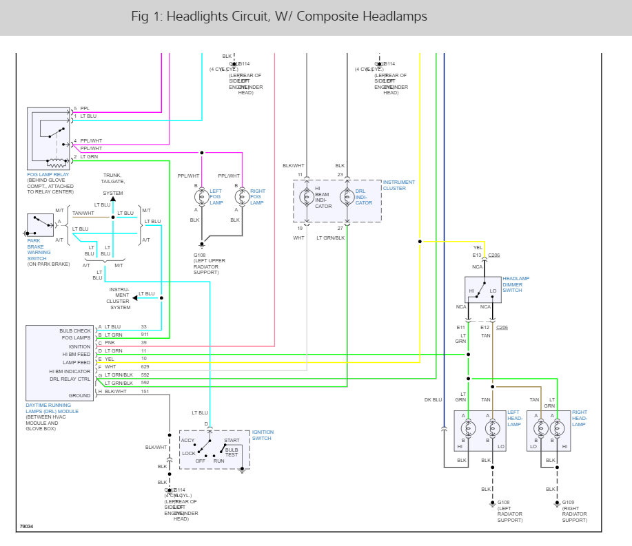
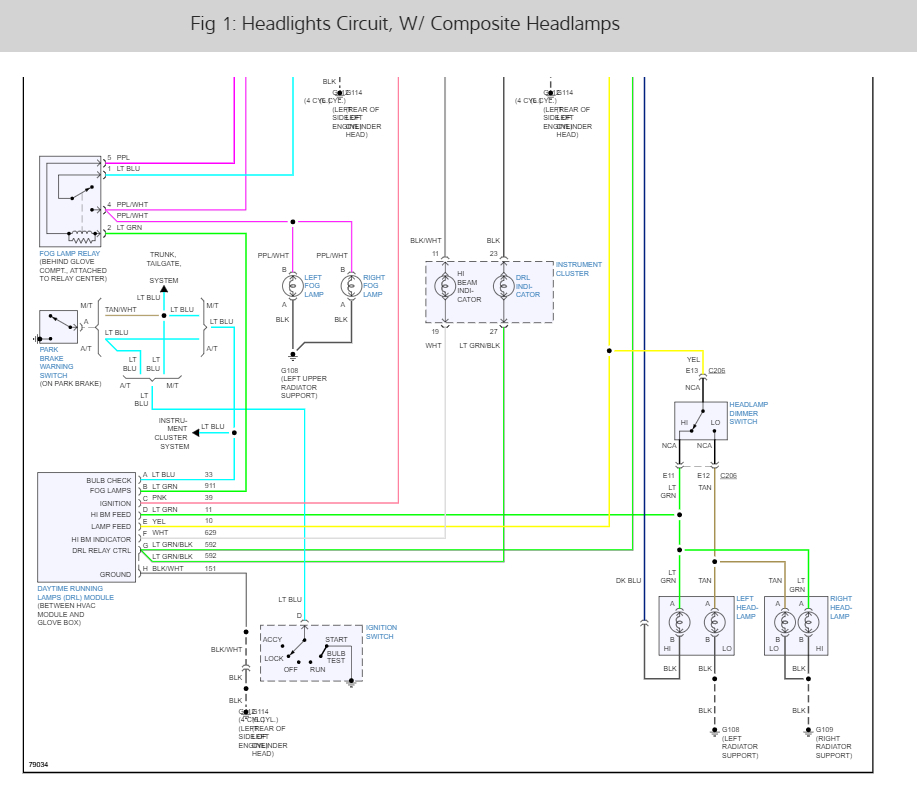
This is common when the DRL module is going out. here is the location so you can change it out with the headlight wiring diagrams so you can see how the system works:

https://www.2carpros.com/articles/how-to-check-wiring


Check out the diagrams (below). Let us know what happens and please upload pictures or videos of the problem.
May 19, 2021 at 11:24 AM