Just to clarify what the issue is that you are dealing with, when you turn the head lights on, they do not come on but the parking lights do come on?
Do the high beams work? Either when you have the lights on and you turn the high beams on or the flash to pass?
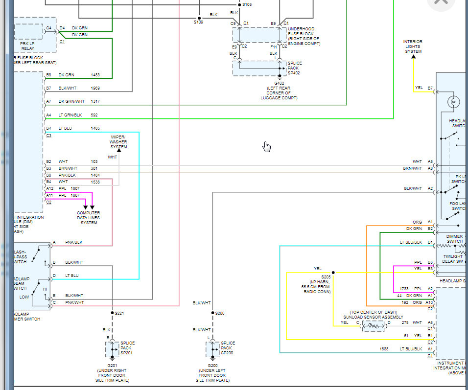
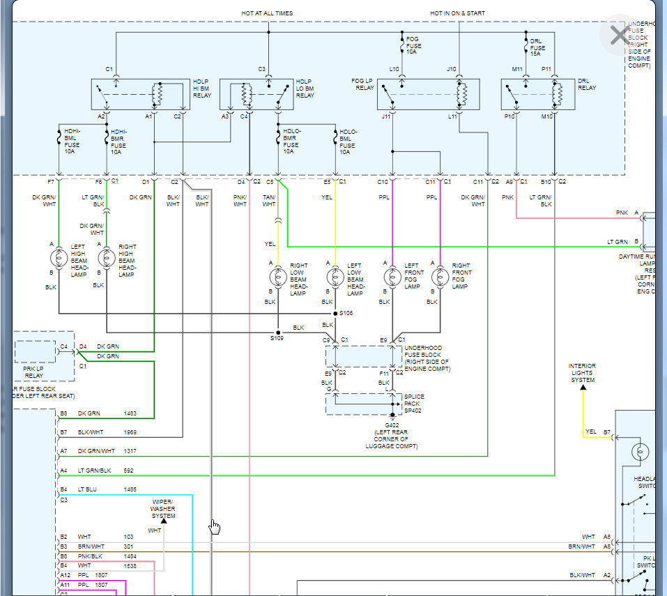
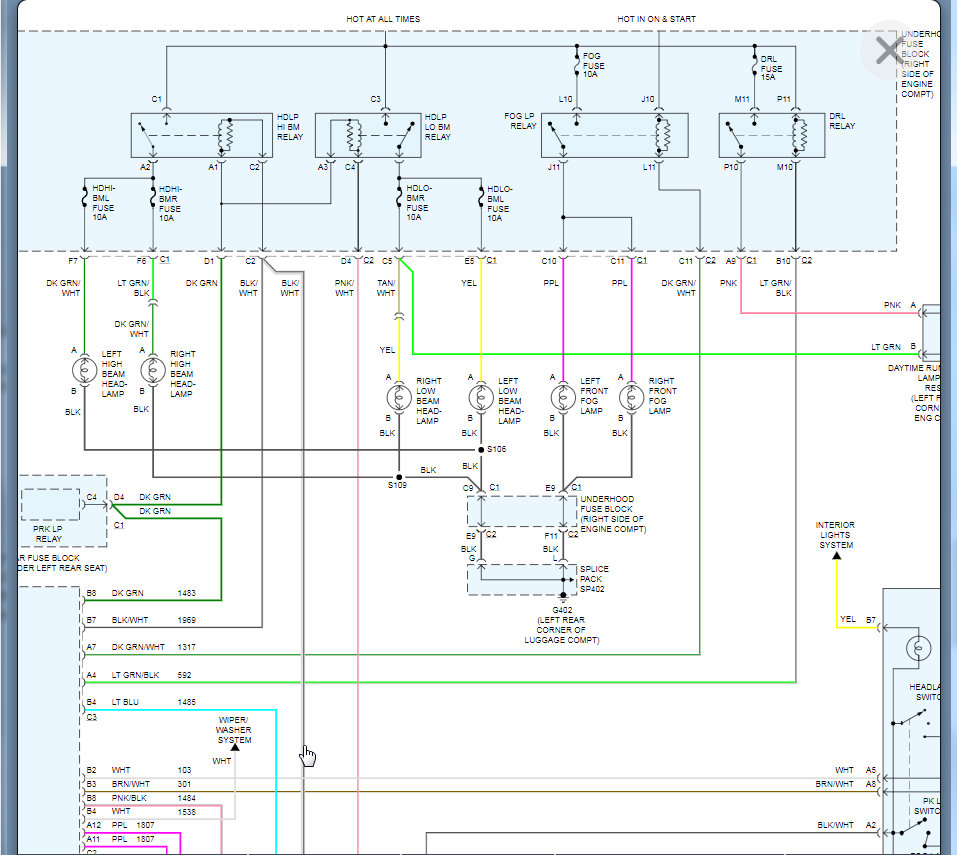
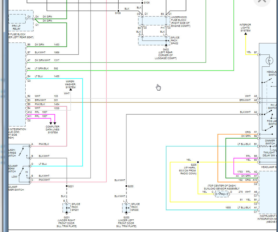
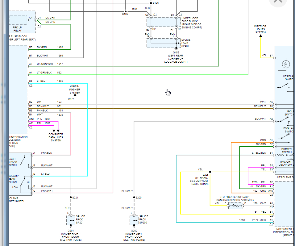
I would suggest starting with checking the signal from the switch to the relay. The last attachment below shows a close up on this wire from the switch to the relay. We need to test this by removing the relay and putting your red meter lead on battery positive and the black lead on the terminal of this wire and turn the headlights on. You should have 12 volts on the meter as the switch grounds this circuit to close the relay and that sends voltage to the headlights.
Let's run through this and see what turns up. Thanks
Images (Click to enlarge)
Feb 2, 2021 at 3:34 PM