Good morning,
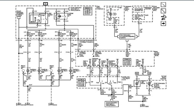
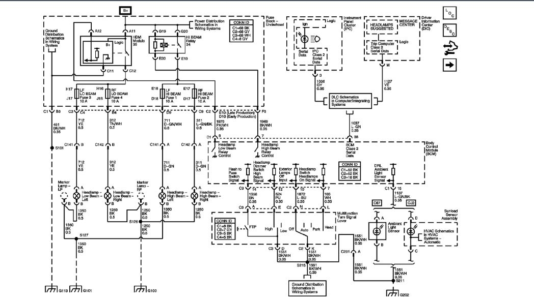
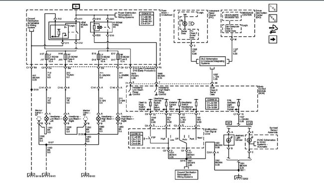
There are separate fuses for the headlights on the right side. You need to verify power at the fuse on both sides and then verify power to the connector.
Let us start there.
I attached the wire diagram for the lights below.
Roy
Images (Click to enlarge)
May 10, 2019 at 5:47 AM