Headlights not working properly

2012 CHEVROLET 2500
260,000 MILES • 6.6L • V8 • 4WD • AUTOMATIC
Avatar
AARONG85
  • MEMBER
  • 1 POST
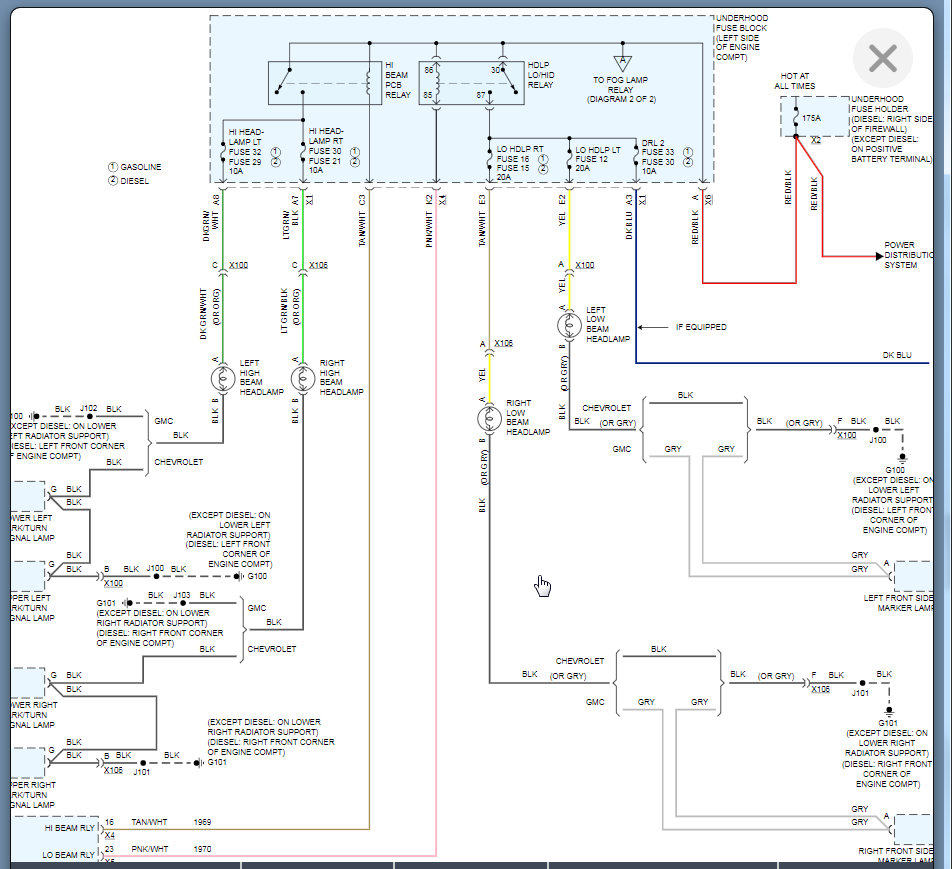
When my headlights turn on whether it’s daytime lights or night they all four turn on but very dim. And my left blinker will not blink and my mirror blinker stays lit up then when I switch to high beam they all turn off except my right low beam. Just started a couple of days ago. The video that I uploaded is how it looks on low beams.
Apr 22, 2021 at 8:38 AM
Advertisement
Avatar
KASEKENNY
  • CERTIFIED EXPERT
  • 18,907 POSTS
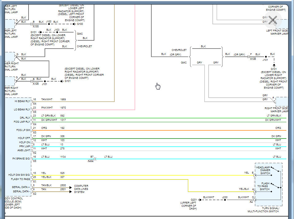
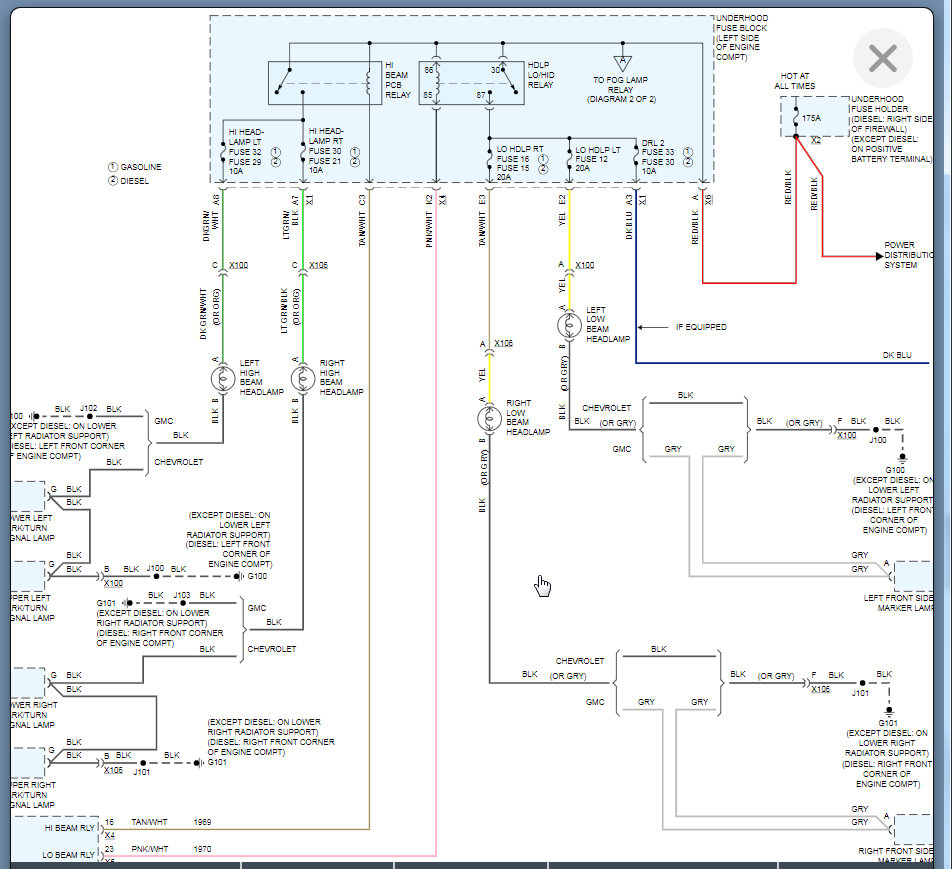
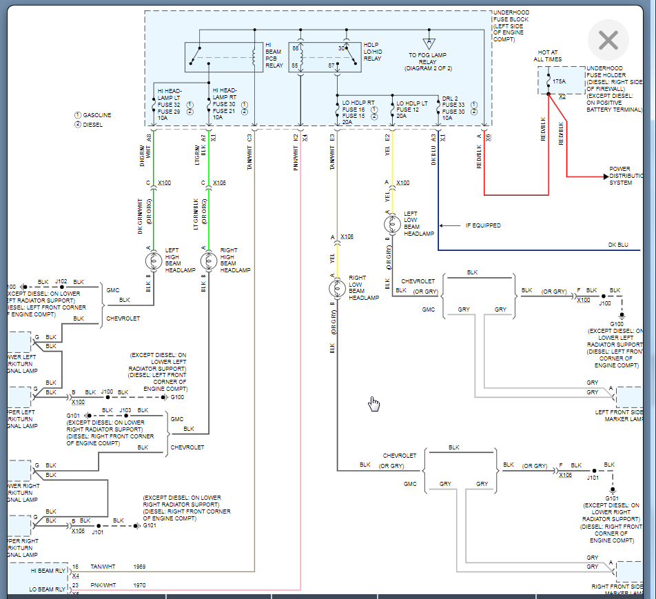
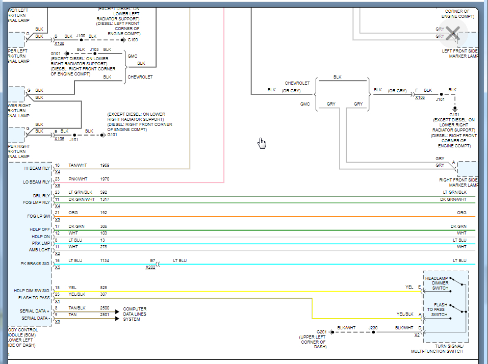
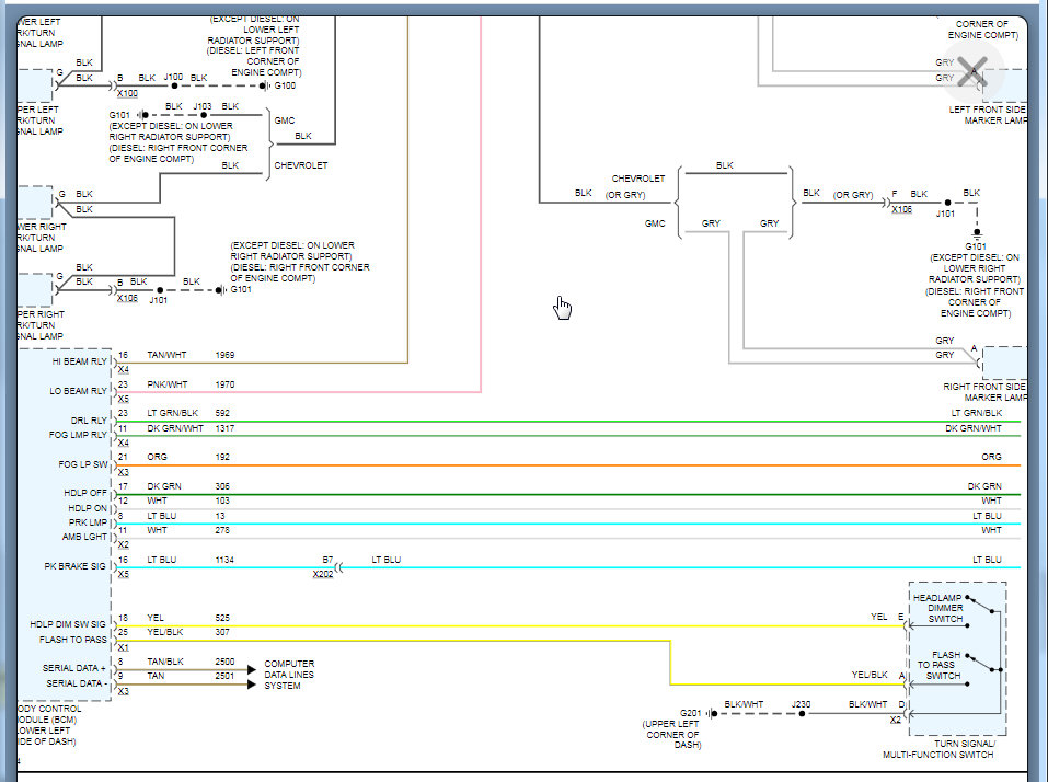
The most common cause of dim lights is a poor ground but I doubt that is the issue on your vehicle. The reason is, you have multiple grounds for each of these lights and they are staying on and turning off and odd times.

This most always points to a control module issue. I suspect you have a BCM issue and it could even be water intrusion in a connector or the module itself.

The BCM on this vehicle is under the dash so unless you have a water leak it is not a water issue but the fact remains that this is where I would start.

I would check the voltage of each of the output wires for these lights and see what you have. Clearly with the switch on you should have 12 volts on any of the driver wires and then signal wires will be between 0-5 volts.

https://www.2carpros.com/articles/how-to-check-wiring

Let me know what questions you have on this and we can go from there.
Apr 23, 2021 at 9:53 AM