Headlight wiring diagrams please?

2009 CHEVROLET SILVERADO
130,000 MILES
Avatar
DICC5252
  • MEMBER
  • 1 POST
The wiring that runs from the big wiring harness under the high beam to the low beam is burnt. Can I replace just this or get the whole assembly? There is alot of wires here and I just need that one piece.
Jun 26, 2018 at 6:22 PM
Advertisement
Avatar
STRAILER
  • CERTIFIED EXPERT
  • 53,854 POSTS
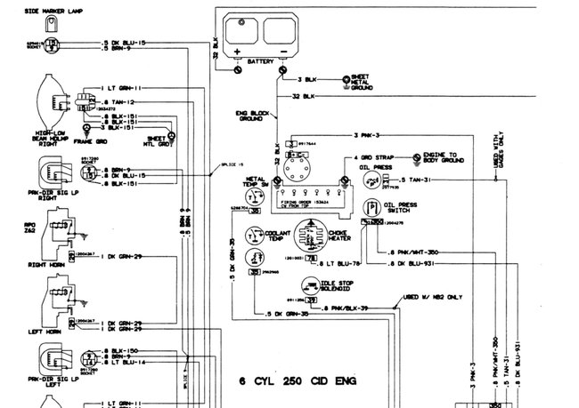
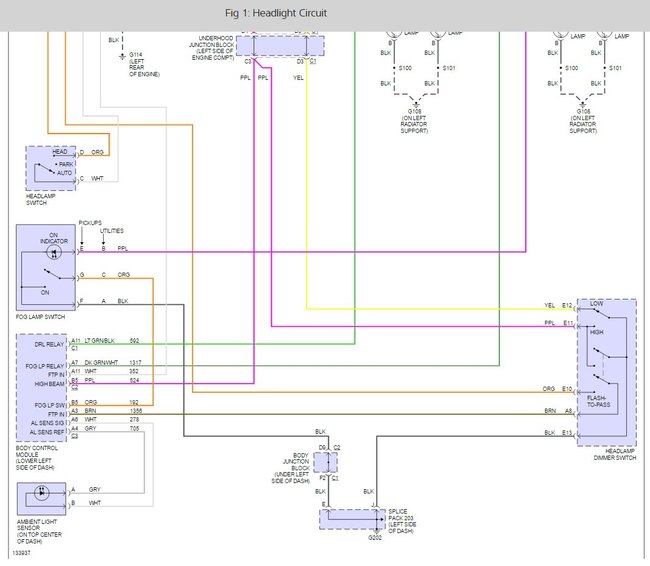
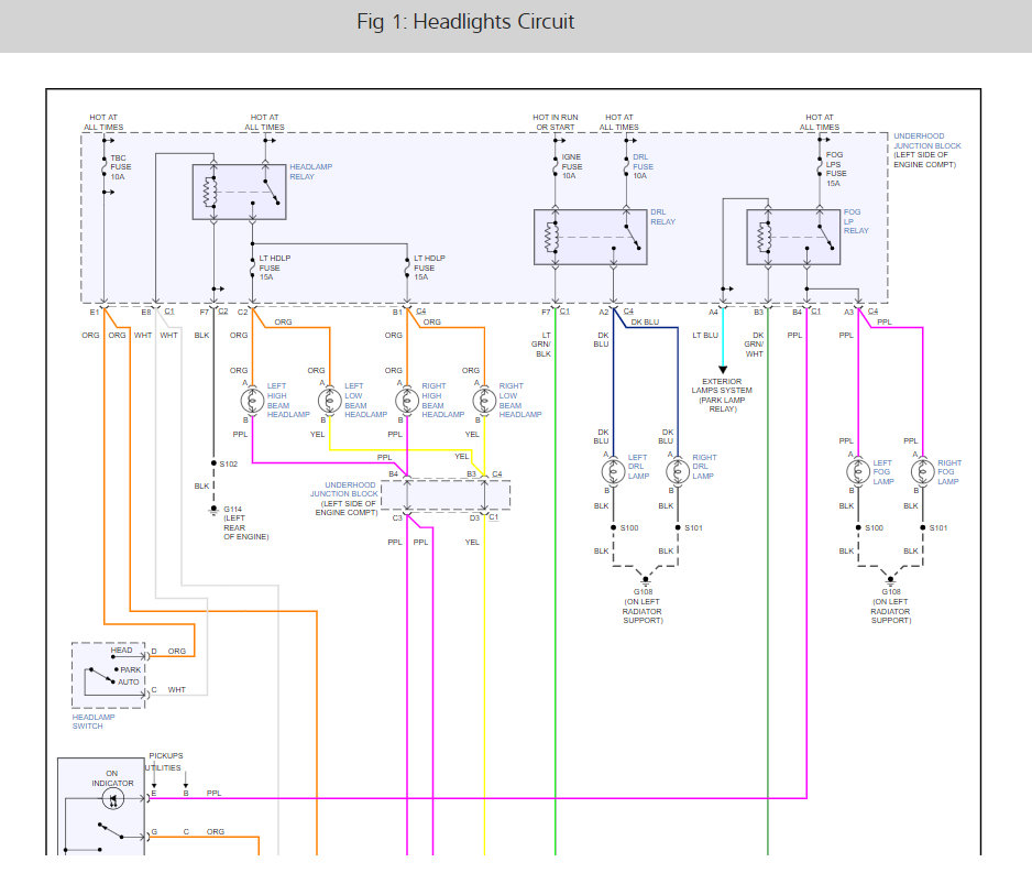
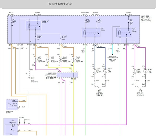
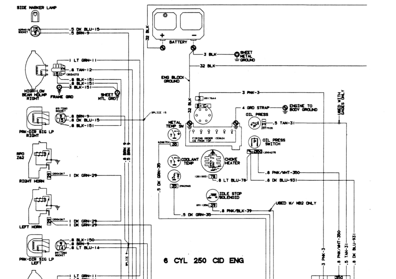
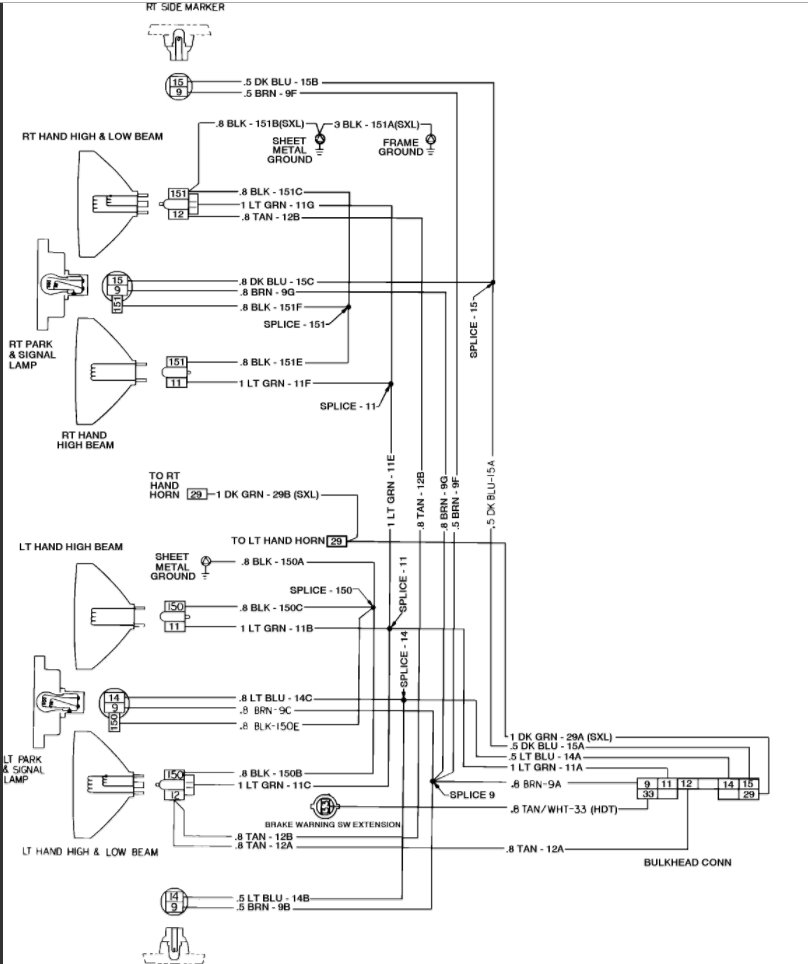
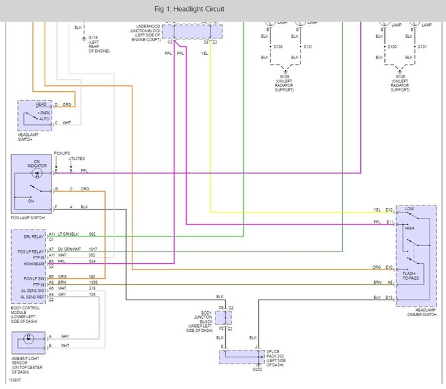
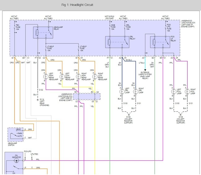
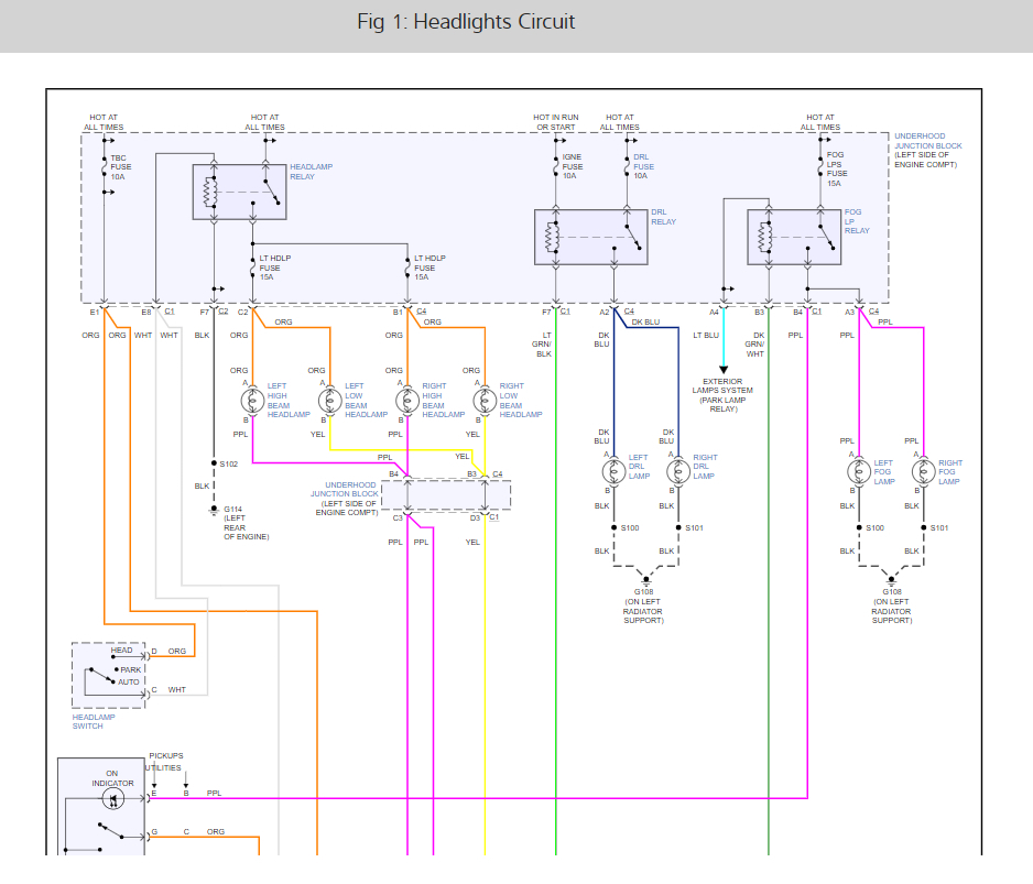
Here is the headlight wiring diagrams in the meantime so you can see how the systems works. Check out the diagrams (below). Please let us know what happens.
Jun 29, 2018 at 2:30 PM
Avatar
GTS55
  • MEMBER
  • 2 POSTS
headlights do not turn on. Tried swaping the HDLT relay in the electronics compartment in engine. They do not work either in the auto turn on or manual mode. Any suggestions? Thank you
Sep 27, 2020 at 11:15 AM (Merged)
Advertisement
Avatar
JDL
  • CERTIFIED EXPERT
  • 16,098 POSTS
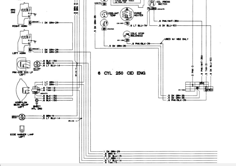
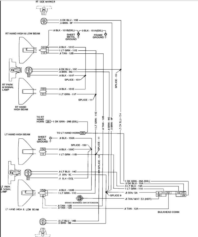
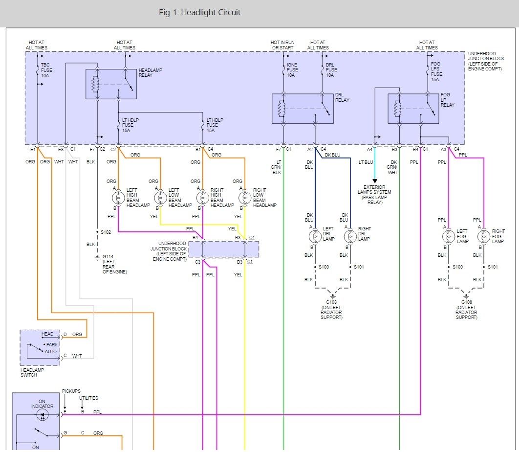
Welcome to the forum, when you turn on the headlamp switch, did you check the orange wire at the headlamp, should be hot? If that wire is hot, then we'll track the ground circuit. Here is a guide to help check the system and the headlight wiring diagrams featured below.

https://www.2carpros.com/articles/how-to-use-a-test-light-circuit-tester

Check out the diagrams (Below). Please let us know what you find. We are interested to see what it is.
Sep 27, 2020 at 11:15 AM (Merged)
Avatar
GTS55
  • MEMBER
  • 2 POSTS
Have not checked the orange wire but just found that the high beams work but not the low. So I changed the headlight relay out and now everything works! Thanks
Sep 27, 2020 at 11:15 AM (Merged)
Avatar
JDL
  • CERTIFIED EXPERT
  • 16,098 POSTS
Nice work, we are here to help, please use 2CarPros anytime.
Sep 27, 2020 at 11:15 AM (Merged)
Avatar
SUBZEROSCHMIDT
  • MEMBER
  • 1 POST
Electrical problem V8 Four Wheel Drive Automatic 130000 miles

broken wire I noticed that my headlights were not working started checking fuses everything good service adviser said likely the main switch.. so I changed it.. i already had some of the dash off.. lights started working ... then I noticed that the lights would come on and off as I moved the tilt steering... started taking more apart.. then went back to garage.. they said it was a box by the tilt steering and have ordered one for me...then i noticed a broken wire .........yellow with a red strip ...... anyone know what this wire is for.. or have a wiring diagram. I'll trace the other end. Waiting too see what the new part will look like.

I changed the switch for the head lights & the box on the steering wheel that includes the signal lights, wipers, 4 way flasher, cruise.

Head lights still not work.

BUt the big problem is that the truck will start, run for about 2-3 seconds, the shuts down. It does have the SECURITY light on.

Tried leave key in run position for 10 minutes the restarting, no help.

Tried spare key NO help?

Any HELP much appreciated.

I will send the pic to you ..... PLEASE HELP
Sep 27, 2020 at 11:15 AM (Merged)
Avatar
STRAILER
  • CERTIFIED EXPERT
  • 53,854 POSTS
Hello,

There is a DRL relay that can be causing you problems. Below are the wiring diagrams for the headlights.

Here is a guide to help test the relay

https://www.2carpros.com/articles/how-to-check-an-electrical-relay-and-wiring-control-circuit

First, check over all the connections that were removed and re-installed during the swap.

IF all is good, put the old part back in, since the original problem still remains and there is a new problem that didn't exist, I would return to that point.

If it starts and runs, return the part defective, and we will go back to the troubleshooting to headlights.

Did anything ever come of the mysterious yellow/red wire?

Please run some tests and get back to us so we can continue helping you.

Best, Ken
Sep 27, 2020 at 11:15 AM (Merged)
Avatar
AL3X2015
  • MEMBER
  • 2 POSTS
The other day both my low beams and high beams stopped working. My parking lights and all other lights work. My high beam indicator light also does not work. I opened the plug for the wiring harness close to the fire wall and used my volt meter on it. It shows 10.6 volts on the low beams when the truck is off and 12.2v when the truck is on. The high beams shows nothing even when switched. I put direct current from the battery to the headlights and they both work fine. I put a diffrent light to the low beam on the harness and nothing. It seems like the wire shows voltage but has no power. I have no idea what's wrong. I also checked all the fuses.
Sep 27, 2020 at 11:15 AM (Merged)
Avatar
HMAC300
  • CERTIFIED EXPERT
  • 48,601 POSTS
check fuses an drelay underhod fuse box first then get it scanned as it may be the drl module
Sep 27, 2020 at 11:15 AM (Merged)
Avatar
AL3X2015
  • MEMBER
  • 2 POSTS
I do not think there is a headlight under the good and I checked the one under the steering wheel and it was fine. I do not have my drls hooked up because I pulled the fuse to them about 8 months ago.
Sep 27, 2020 at 11:15 AM (Merged)
Avatar
HMAC300
  • CERTIFIED EXPERT
  • 48,601 POSTS
see pic for fuse even if you pulled the fuse for the drl the headlights still go through the module. it could also be the dimmer switch or multifunction switch.
Sep 27, 2020 at 11:15 AM (Merged)
Avatar
MATTHEW.EBKE
  • MEMBER
  • 1 POST
I own the vehicle listed above it is a k10 Scottsdale. I ran over a curb and my headlights shut off and have not worked since. all other lights still work just not the headlights. I have a new heavy duty headlight wiring harness from LMC truck installed and new Auxbeam LED headlights. I checked all connections on the lights and harness but found nothing wrong. any ideas on why this happened and how to repair?
Sep 27, 2020 at 11:16 AM (Merged)
Avatar
STRAILER
  • CERTIFIED EXPERT
  • 53,854 POSTS
Hello,

It sounds like you lost the ground or power supply.

Here is guide to help you check the power and ground for the system:

https://www.2carpros.com/articles/how-to-use-a-test-light-circuit-tester

Also, test through the headlight switch.

You are losing power somewhere use this headlight wiring diagram to help us find out where.

Check out the diagrams (below).

Please let us know what you find. We are interested to see what it is.

Cheers, Ken
Sep 27, 2020 at 11:16 AM (Merged)