Headlights and running lights are not working?

1996 INFINITI J30
16,000 MILES • 2WD • AUTOMATIC
Avatar
ASHHH7901
  • MEMBER
  • 1 POST
Hello, so we only have high beams and no running lights. Any idea what could cause this?
Mar 3, 2025 at 2:26 PM
Advertisement
Avatar
STRAILER
  • CERTIFIED EXPERT
  • 53,854 POSTS
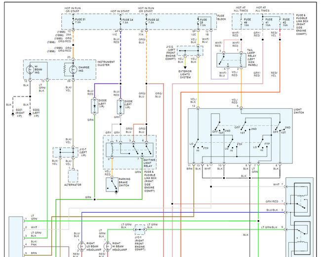
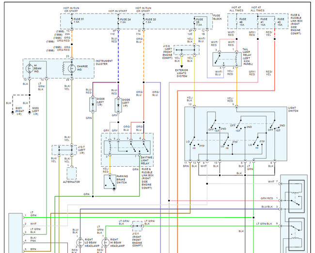
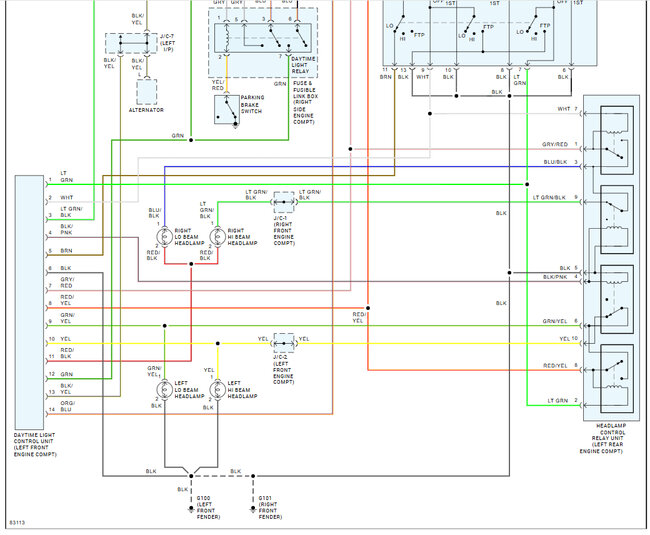
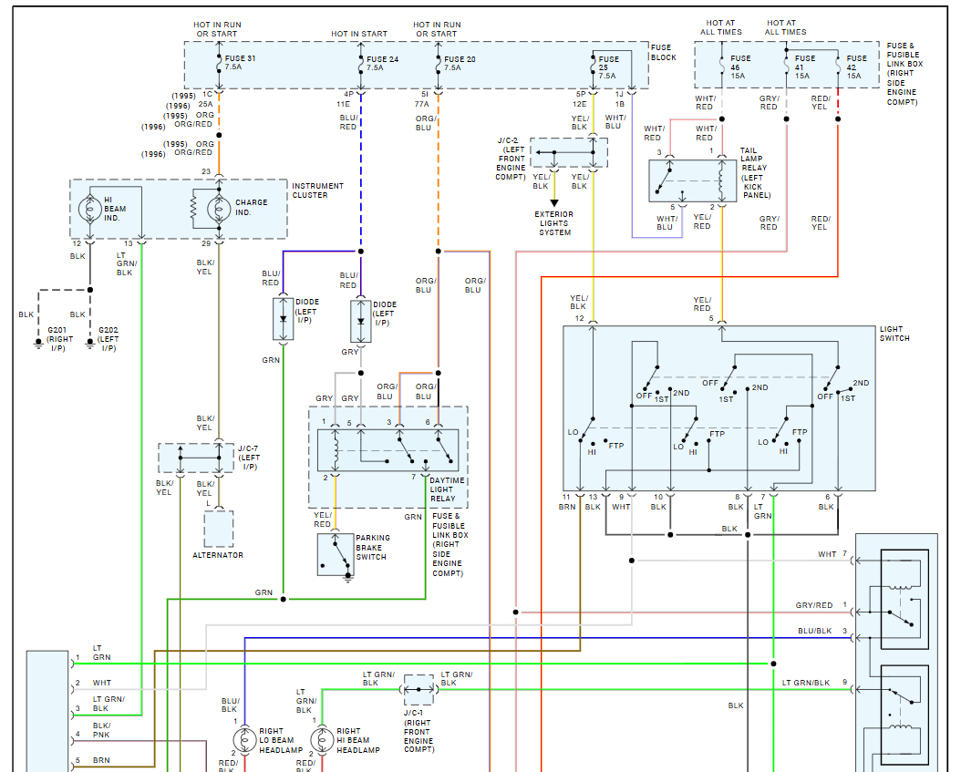
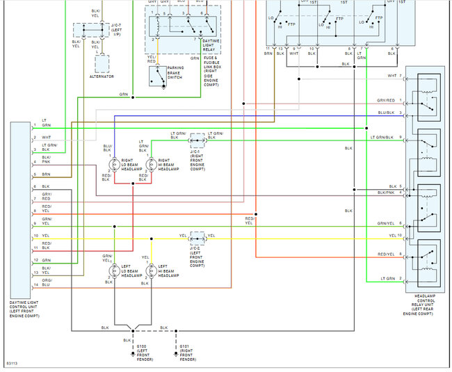
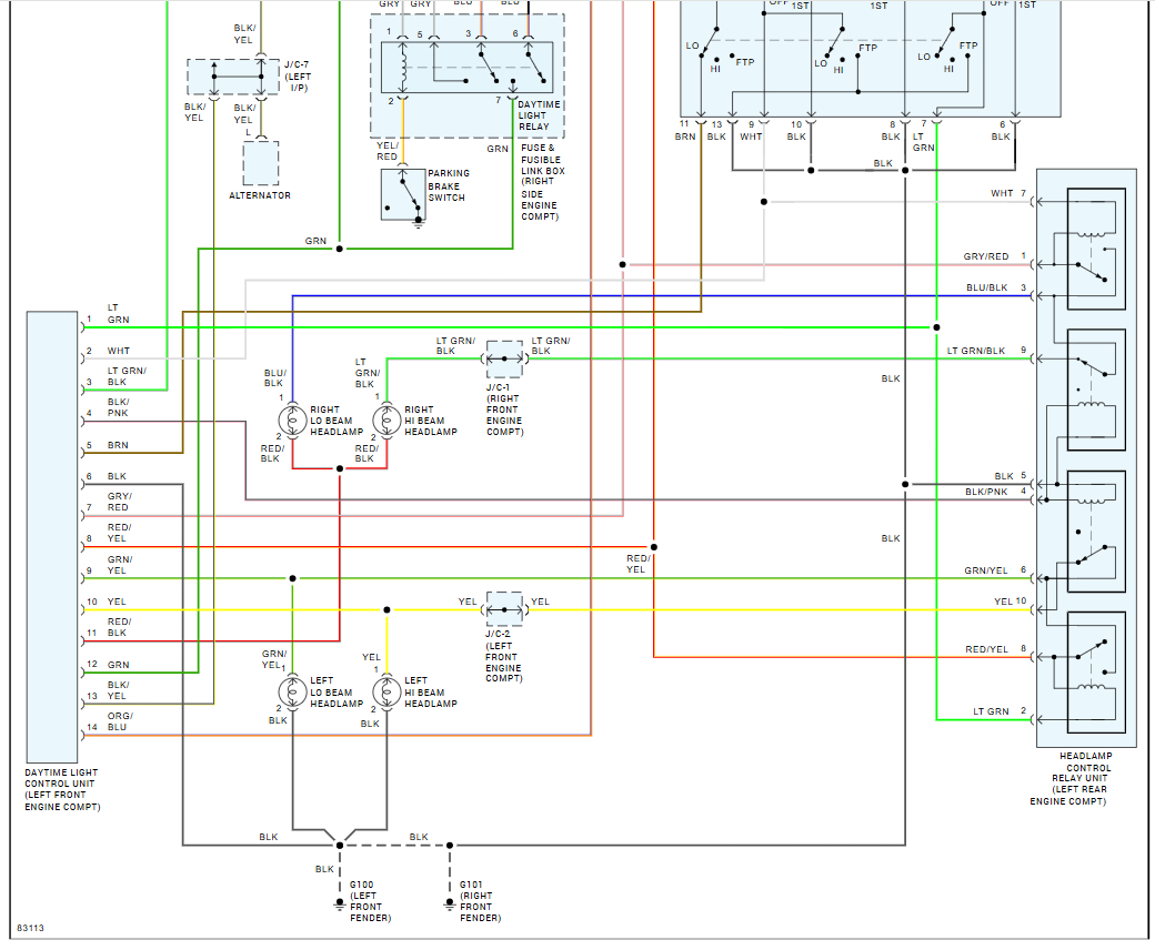
Sure, it can be a couple of different problems but let's start with the easy stuff, please check fuse # 25 7.5 amp and fuse #56. Here is a guide to help and the fuse locations in the image below. If the fuses are okay, I would try swapping out the taillight relay. Here are the wiring diagrams for the switch as well so we can test through it.

https://www.2carpros.com/articles/how-to-check-a-car-fuse

Check out the images (below). Please let us know what happens.
Mar 4, 2025 at 12:01 PM