Hello,
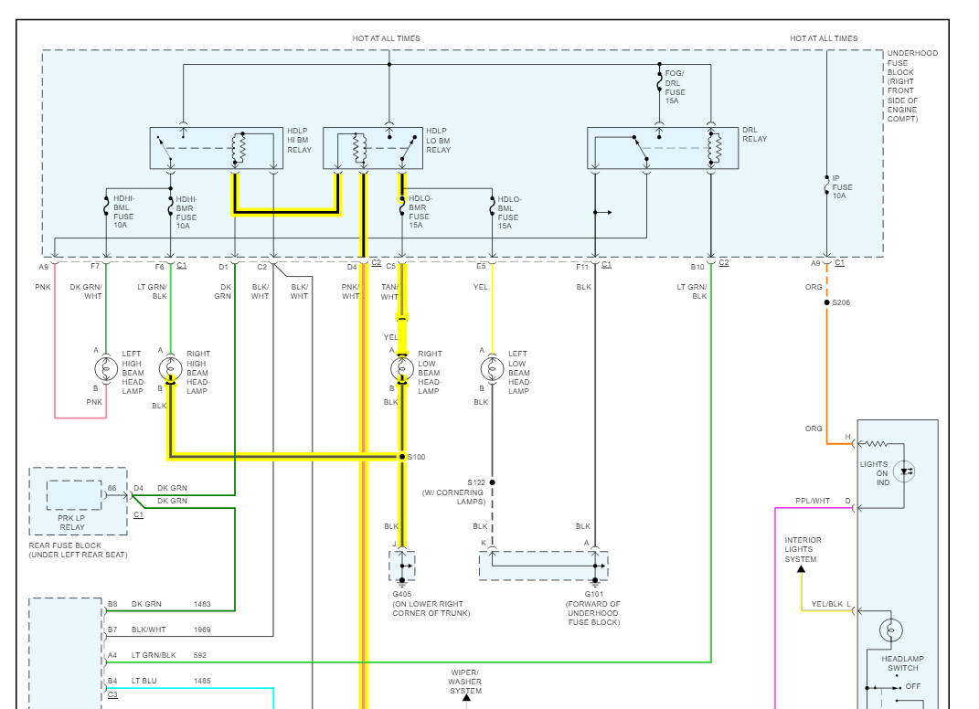
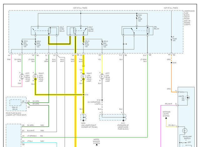
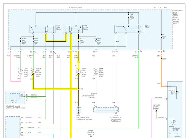
There is a relay for the low beam headlight bulbs. It is located under the hood fuse block.
A bad relay can prevent the headlights from coming on.
Check for any corrosion or burnt pin(s).
Here is a guide on how to test relays:
https://www.2carpros.com/articles/how-to-check-an-electrical-relay-and-wiring-control-circuit
I have attached diagrams below. It is number 28.
If the relay is good and getting power, it could be a wiring issue.
Please let me know what you find with the relay.
Thank you.
Images (Click to enlarge)
Dec 24, 2021 at 6:11 PM