If fuses are good, you will need to check for power to the switch. If there is power both in and out of the switch, it is time to start tracing wiring to see where there is an open circuit. If there is no power out, replace the switch.
Feb 3, 2016 at 4:21 PM
LEEGIRL
MEMBER
2 POSTS
I Replaced the switch, it still doesn't work.
Feb 3, 2016 at 9:17 PM
Advertisement
STRAILER
CERTIFIED EXPERT
53,854 POSTS
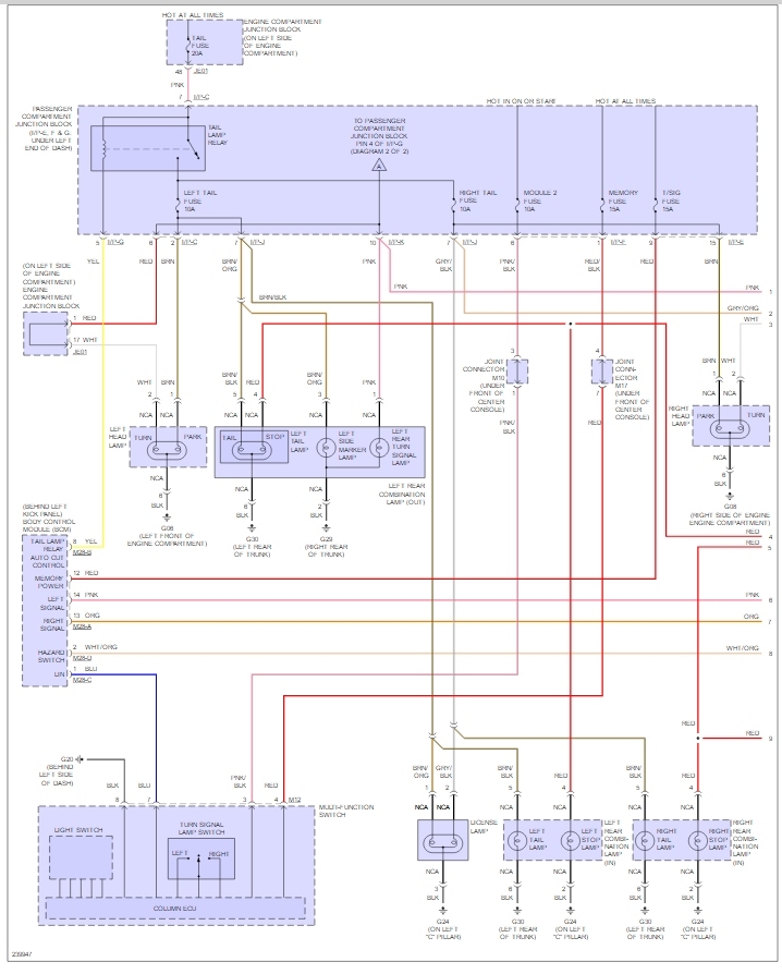
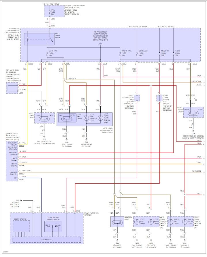
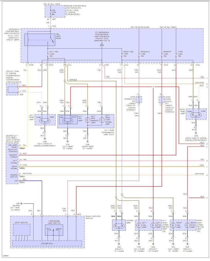
Hi lee girl , both these light circuits go through the BCM which is having a problem, here are some wiring diagrams to help see.