☰
Login
Join
×
Home
Answered Questions
Repair Topics
Repair & Service Guides
Popular Questions
Warning Lights
Trouble Codes
How It Works
Testing / Diagnostics
Symptoms
Videos
Login
Become a Member
Home
Nissan
Pathfinder
Exterior Light
Headlight
Not Working
Headlights stopped working
2000 NISSAN PATHFINDER
250,000 MILES • 2WD • AUTOMATIC
ANGELA MARTINEZ
MEMBER
1 POST
FOLLOW
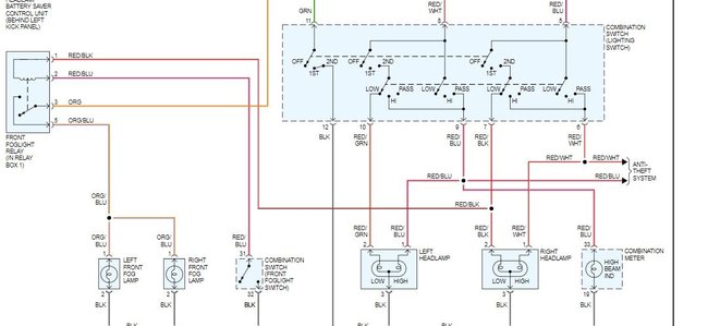
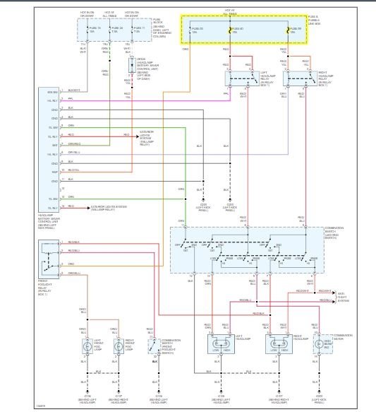
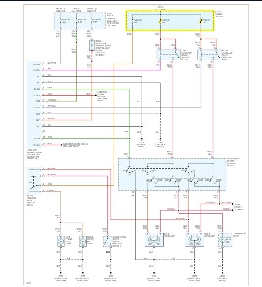
My headlights just stopped working out of nowhere. If i hold it towards me (they work) but that is only if i am holding it.
Jun 13, 2019 at 2:15 AM
Advertisement
ASEMASTER6371
CERTIFIED EXPERT
52,796 POSTS
Good morning,
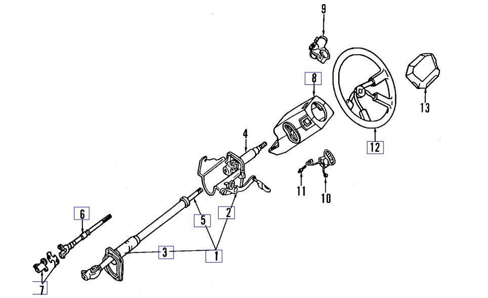
This sounds like the multi-function switch has failed.
https://www.2carpros.com/articles/how-a-headlight-switch-works
I assume by it, you mean the turn signal handle to change high and low beams?
Roy
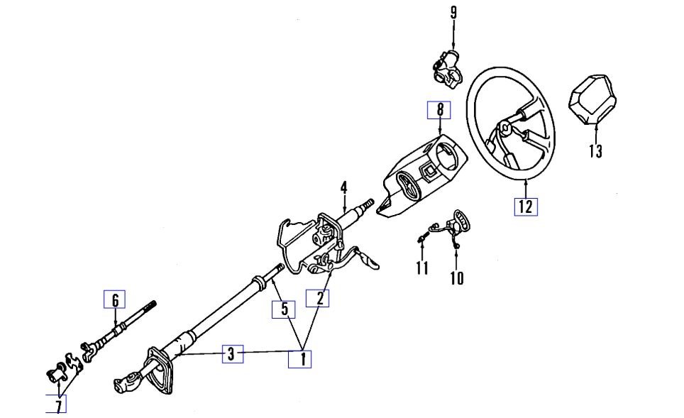
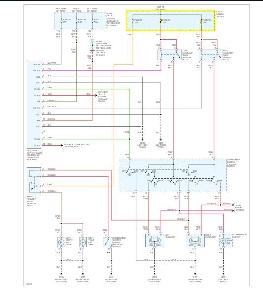
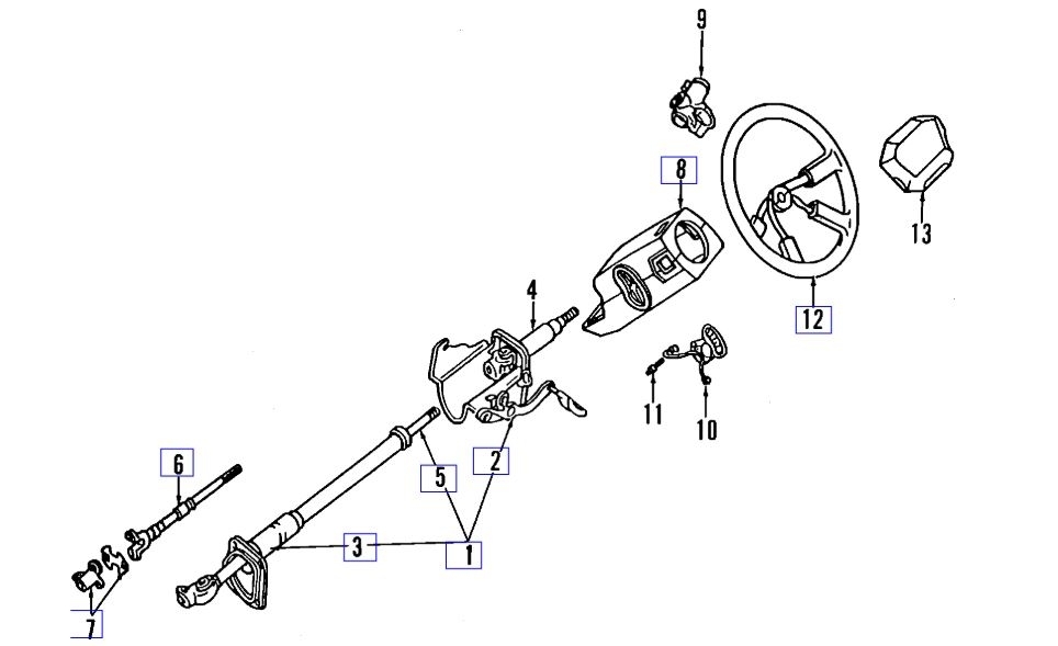
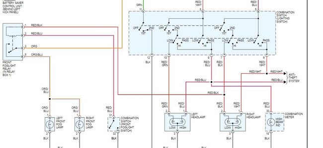
Images (Click to enlarge)
Jun 13, 2019 at 7:51 AM