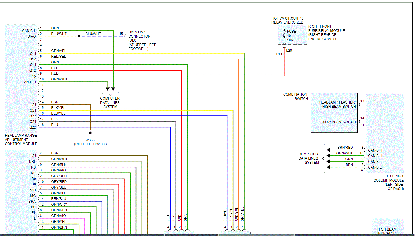
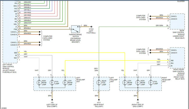
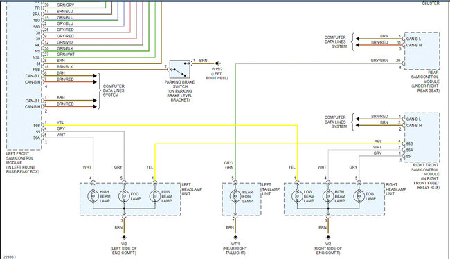
hi, i need the headlight wiring harness schematics for Bixenon HID to LED please. i bought new headlights assembly for the car thinking it would be plug and play which it wasn't. the car's headlights assembly has three connectors to connect to the car the new headlights only have one plug; which is a 6 pin plug. the original connectors are 3 separate ones ones a 6 pin and 5 pin and a 4 pin when i connect the 6 pin to the new lights nothing works. do i have to connect the ballast and igniter to the new headlights to work?
Apr 1, 2020 at 8:36 PM


