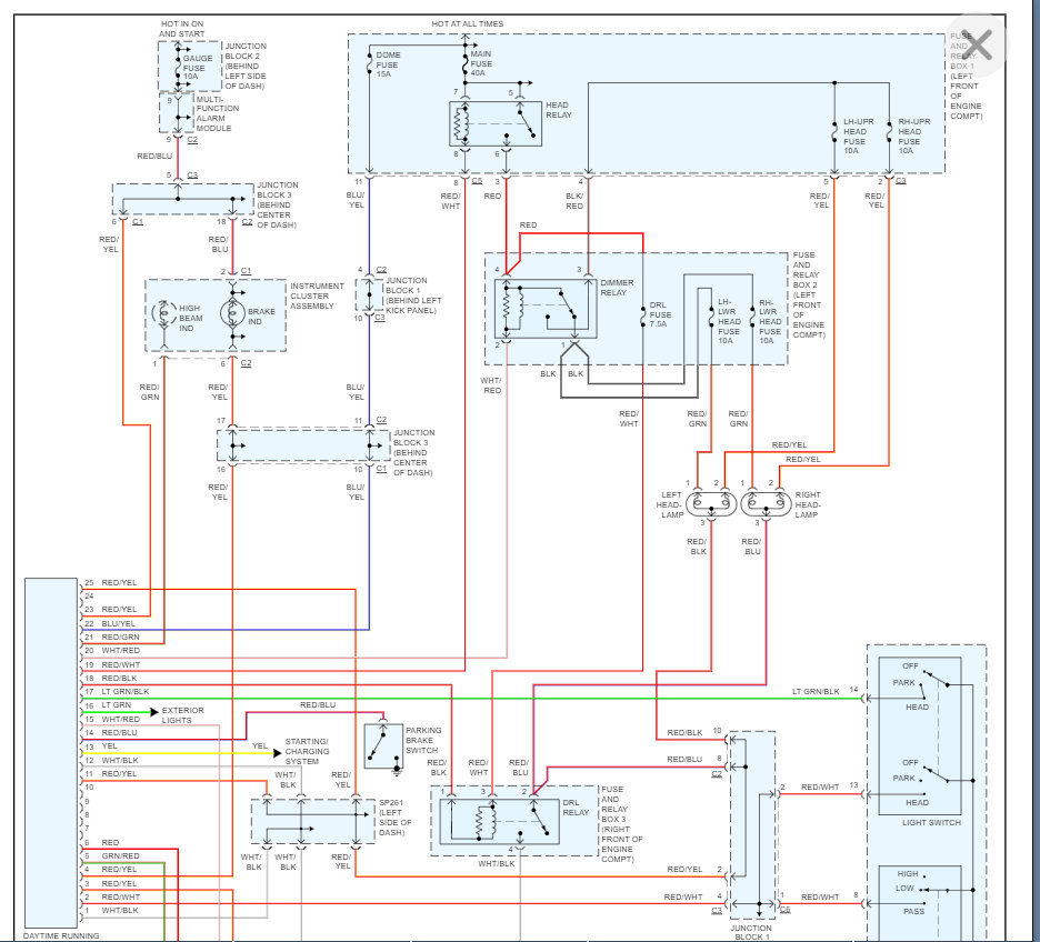
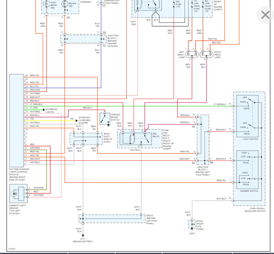
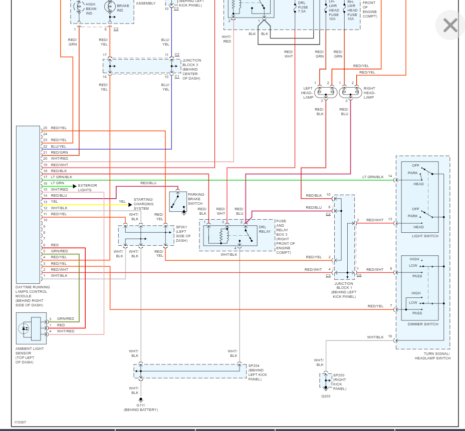
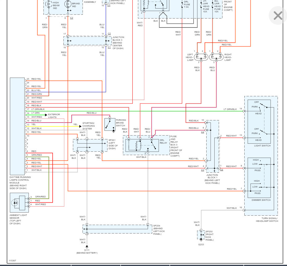
For some reason I can’t turn my daytime running lights on and for some reason my headlights and taillights cut on automatically at night even when I have switched them off. I can’t turn them off for some reason.
Apr 17, 2022 at 6:59 PM

