☰
Login
Join
×
Home
Answered Questions
Repair Topics
Repair & Service Guides
Popular Questions
Warning Lights
Trouble Codes
How It Works
Testing / Diagnostics
Symptoms
Videos
Login
Become a Member
Home
Nissan
Altima
Exterior Light
Headlight
Wiring
headlights wiring diagrams?
1998 NISSAN ALTIMA
200,000 MILES
KRIEGL
MEMBER
1 POST
FOLLOW
Headlights not working only high beams.
Feb 25, 2018 at 7:48 AM
Advertisement
PATENTED_REPAIR_PRO
CERTIFIED EXPERT
1,853 POSTS
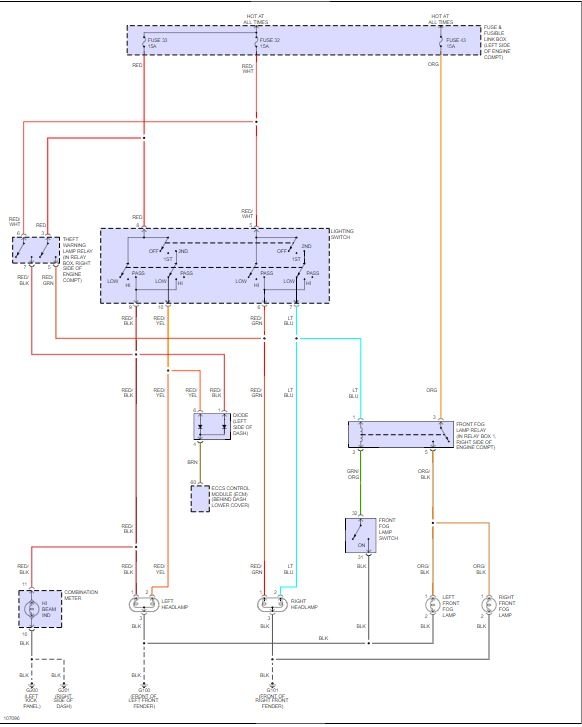
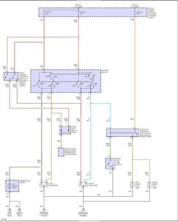
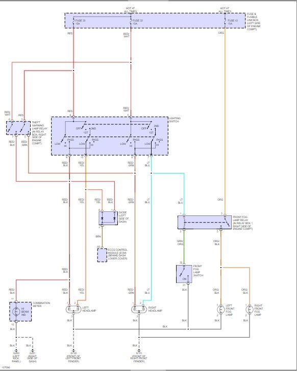
About the only thing that I see can from looking at the wiring diagram is a faulty lighting switch. Check out the diagrams (Below). Please let us know if you need anything else to get the problem fixed.
Image (Click to enlarge)
Feb 25, 2018 at 8:14 AM