headlight wiring issue?

2001 CHEVROLET IMPALA
300,000 MILES • 1.6L • 6 CYL • 2WD • AUTOMATIC
Avatar
JOSEPH GARRETT STEVISON
  • MEMBER
  • 3 POSTS
i have a set of sonar SK3302 headlights that the previous owner installed. However, the wiring was spliced and was wrong. i am having to do it all over and i can't find any sort of information about wire color codes for this set of headlights. i have a chevy impala 01 but the front end (bumper and grille) has been replaced from parts off of a Chrysler and the set of headlights that fit that front end does not match the harness on the vehicle. it has been incorrectly spliced.
"Can anyone help me?"
All i really need to know is the wiring color codes and which does what, as far as daytime running, high beam, low beam, etc.
Nov 30, 2022 at 3:46 PM
Advertisement
Avatar
JACOBANDNICKOLAS
  • CERTIFIED EXPERT
  • 110,175 POSTS
Hi,

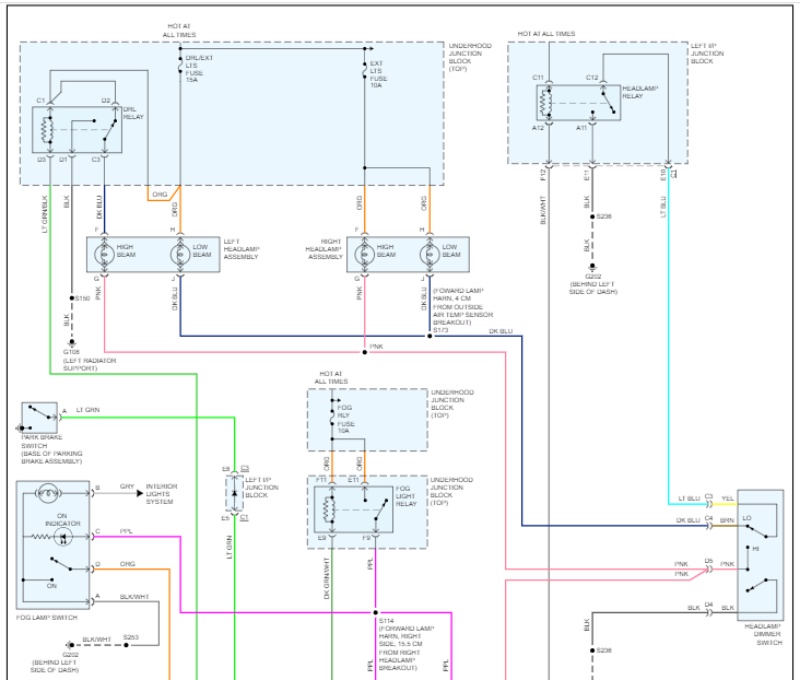
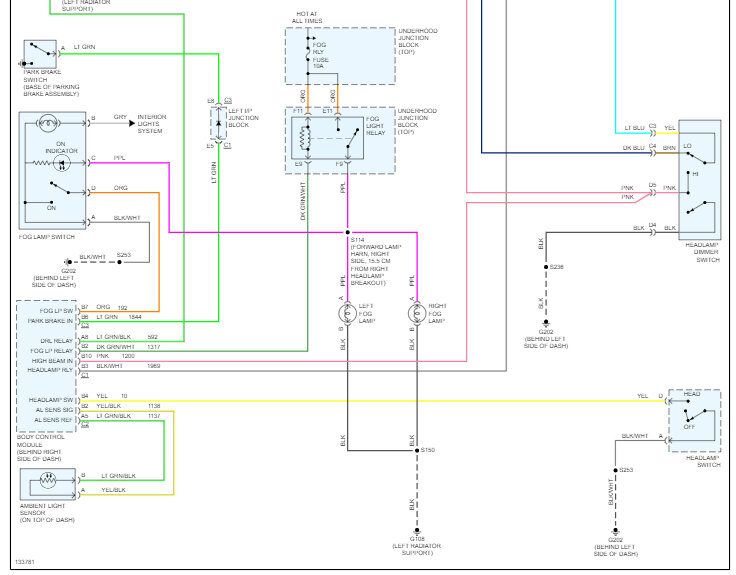
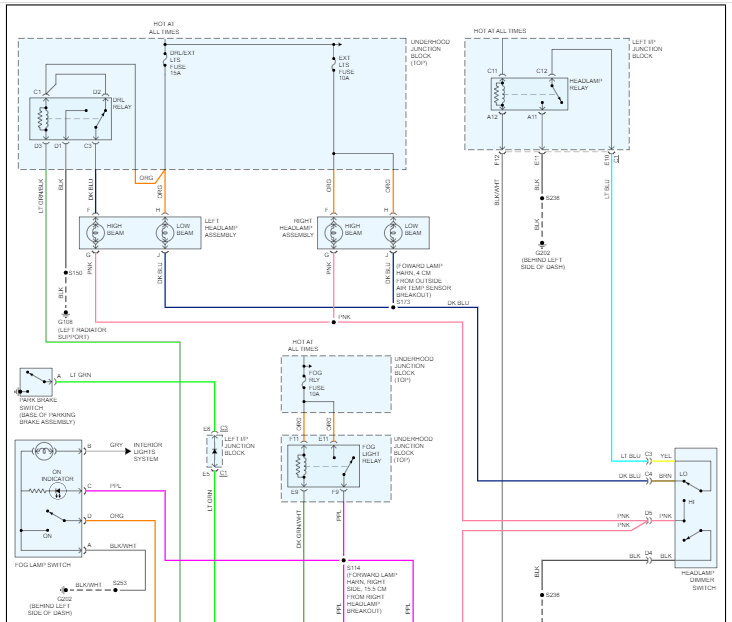
As far as aftermarket items are concerned, I won't have schematics. However, I do have the headlamp wiring schematic showing wiring colors and purpose.

Take a look at the schematic below. Note that I had to cut it in half to make it readable for you. I did overlap the two so you can follow from one to the next.

Let me know if this helps or if you have other questions.

Take care,

Joe

See pics below.
Nov 30, 2022 at 9:37 PM