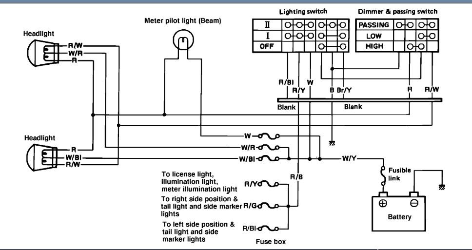
Headlight wiring diagram

1987 SUZUKI SAMURAI
150,000 MILES • 1.3L • 4 CYL • 4WD • MANUAL
Avatar
JESUS BERRIOS2
  • MEMBER
  • 9 POSTS
Hello there! I'm trying to put all the wiring back at my vehicle but I forgot where they belong. A wiring diagram showing where each cables goes would be perfect. I need to connect almost all the lights on the samurai and need to find the correct wires for each connection. I don't want to make any bad connections.
Sep 13, 2019 at 6:40 PM
Advertisement
Avatar
JACOBANDNICKOLAS
  • CERTIFIED EXPERT
  • 110,175 POSTS
Welcome to 2CarPros.

I attached one of the original wiring schematics for exterior lighting. I hope it helps.

Take care,
Joe
Sep 13, 2019 at 8:43 PM
Avatar
JESUS BERRIOS2
  • MEMBER
  • 9 POSTS
Thank you so much! I'm trying to understand it. Doing my best. Thank you so much for your help. Take care.
Sep 13, 2019 at 9:03 PM
Advertisement
Avatar
JACOBANDNICKOLAS
  • CERTIFIED EXPERT
  • 110,175 POSTS
Welcome back:

You are very welcome. Please feel free to let me know if I can help.

Take care,
Joe
Sep 14, 2019 at 5:23 PM