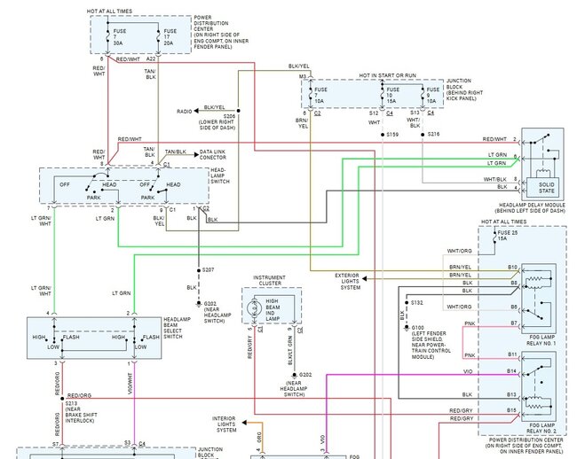
Okay, so none of the headlights work and the dash lights are out as well, correct? If you pull up on the dimmer stalk to the flash position, do they come on? Does the high beam light on the dash come on in any position? Does your Jeep have DRLs? Attached are the wiring diagrams for both versions. We can do a couple tests to see which end of the circuit is the problem. First get a simple test light like the one in the image. Use that to test the fuses and see where the power stops.
https://www.2carpros.com/articles/how-to-check-a-car-fuse
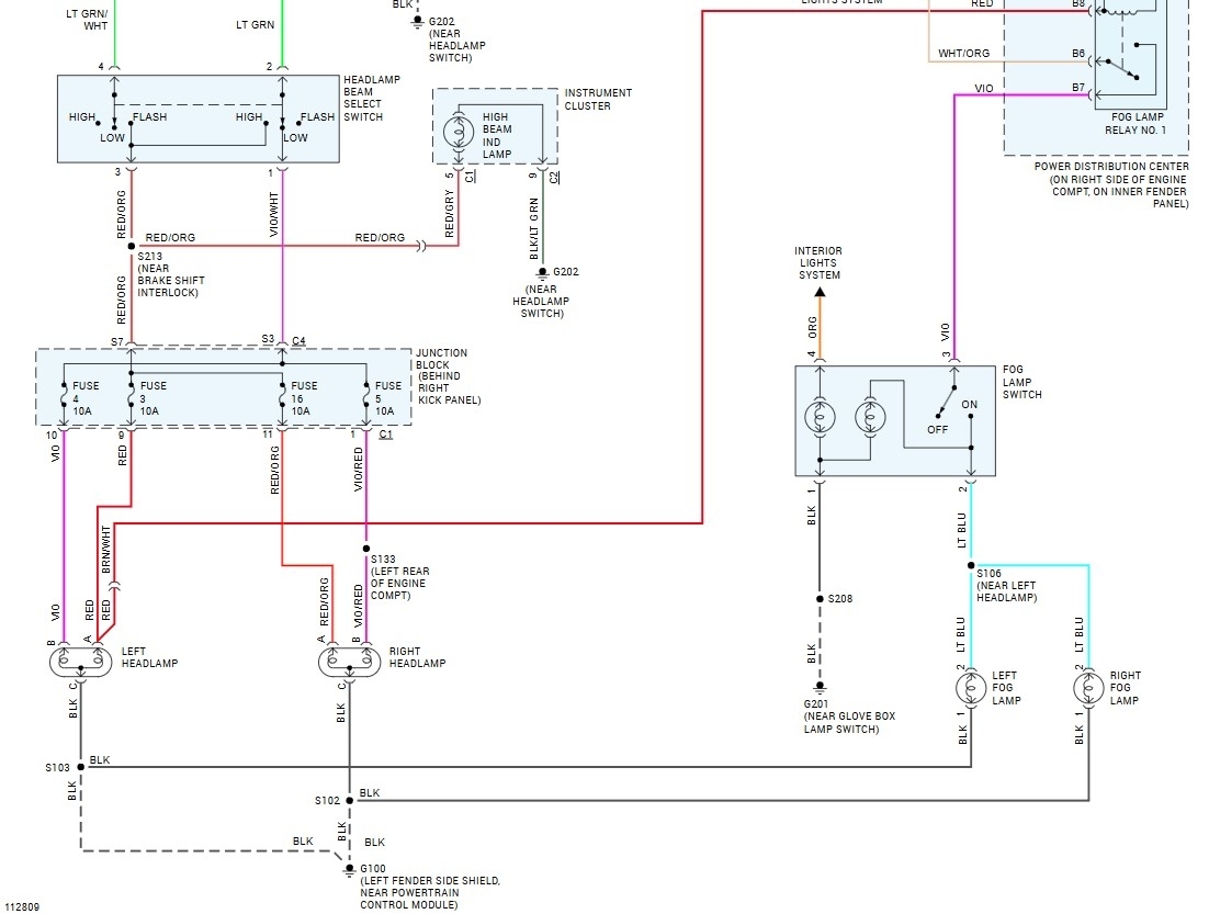
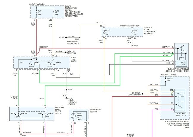
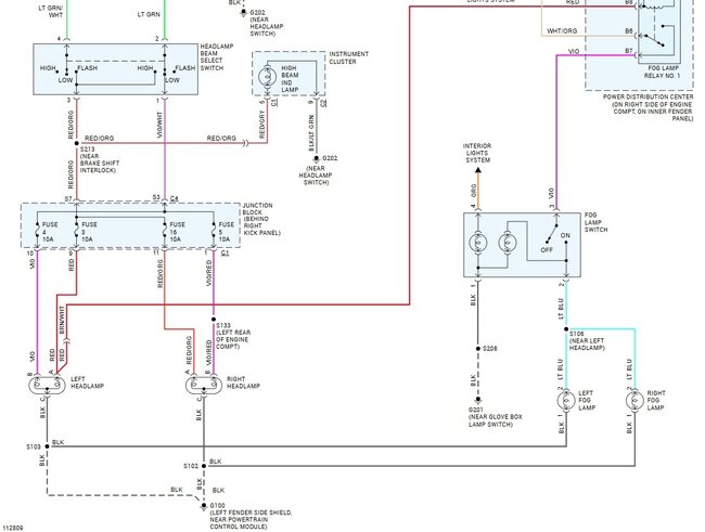
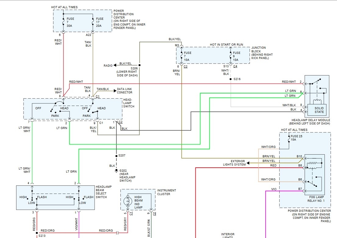
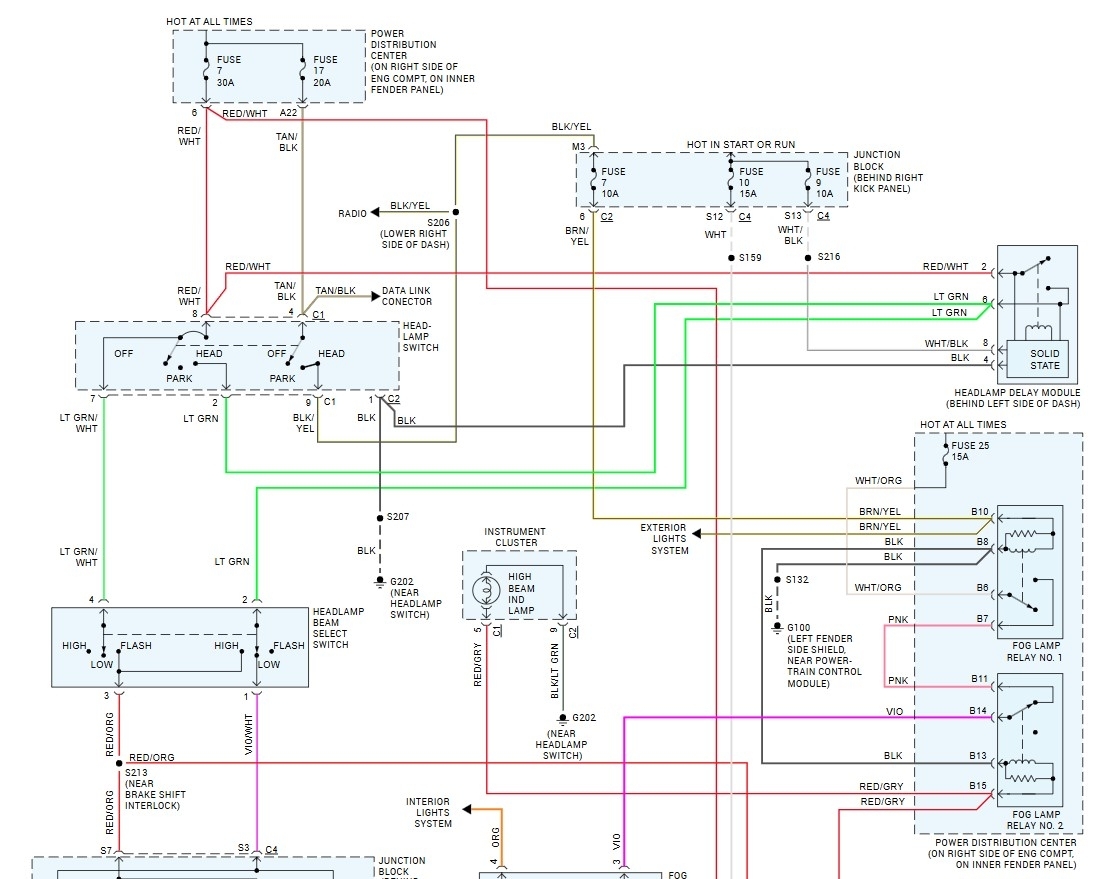
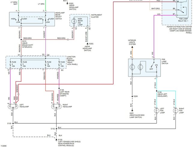
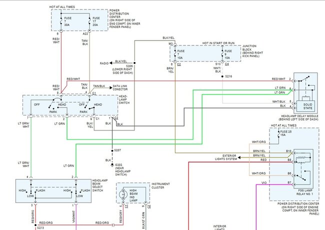
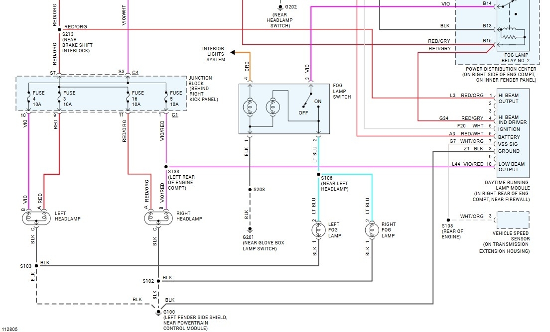
Test at fuses 7 and 17 in the power distribution box first, they are connected to the battery so the light should come on both sides of the fuses. Now find the fuse box behind the right-hand kick panel in the passenger footwell. Turn on the key to run and turn on the headlight switch. In that box you want to check fuses 7 and 9 (add 10 if you have DRLs). Make sure the switch is on low beam and test fuses 4 and 5 then switch to high and test fuses 3 and 16. Did you have power at each fuse? If yes then you need to go to the headlight socket itself, unplug one of them and find the connector with the black wire coming into the socket. Take a piece of wire and jump that pin to a good ground with the key and lights on, does the other connected headlight come on? If yes then the issue is the ground for the lights, very common for them to rot away and cause problems. The ground in question is G100, it is on the left inner fender near the PCM. It grounds many things. Try those and see if you have power or if it's the ground. Then return and let us know what you have found.
Images (Click to enlarge)
May 7, 2025 at 12:52 AM