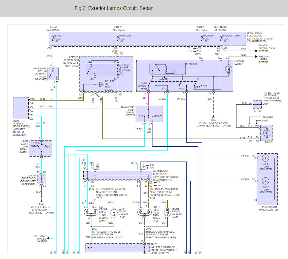
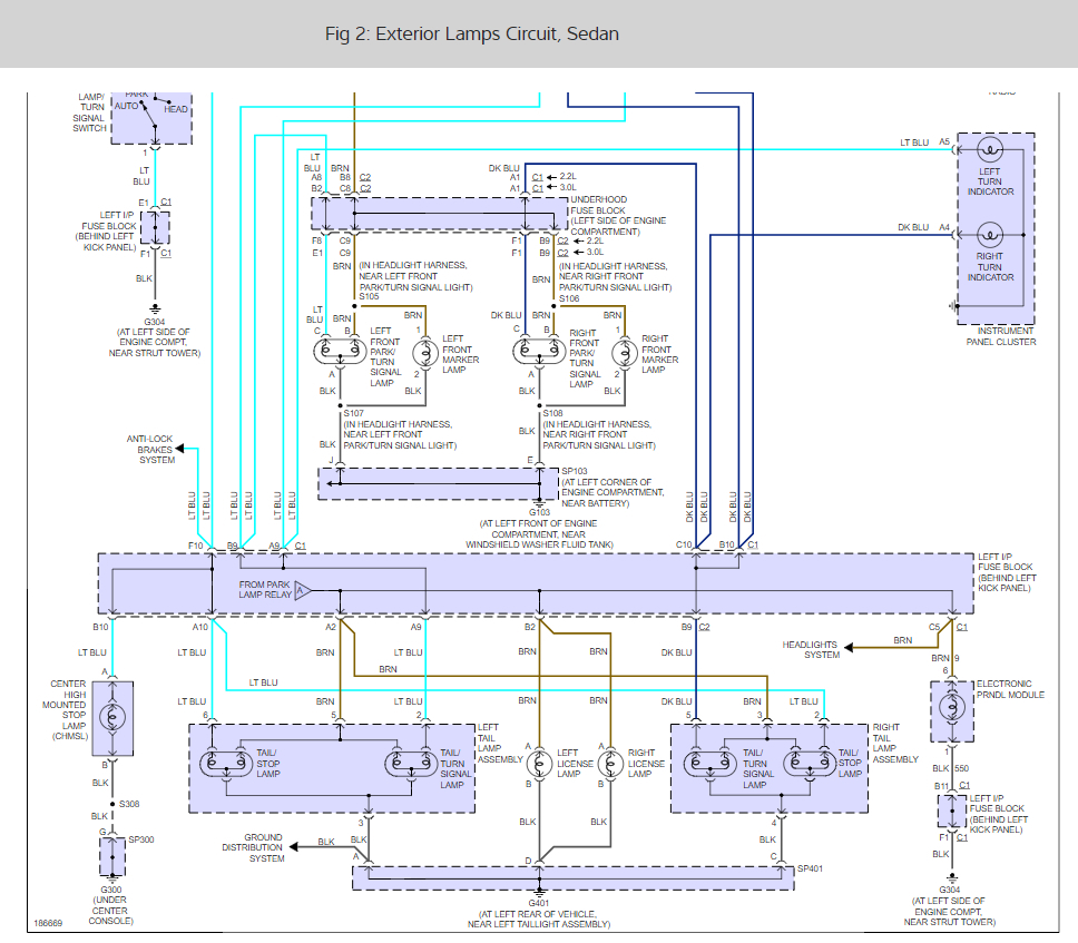
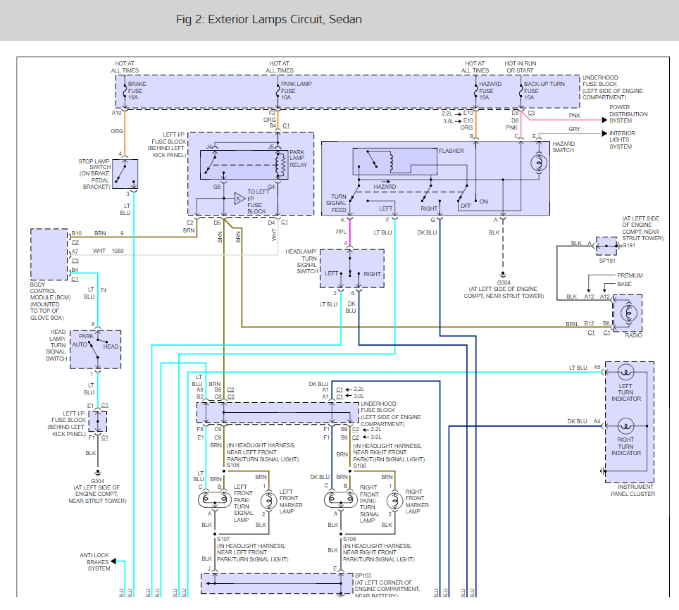
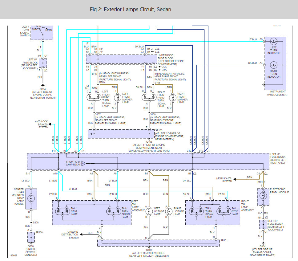
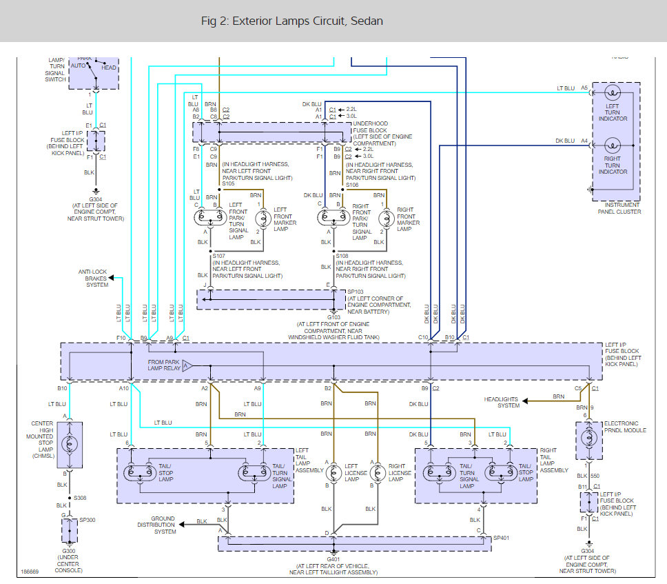
Turn signals only work when headlights are off. They stop as soon as the headlights are turned on. Four way flashers just buzz when turned on. Replaced turn signal/headlight switch and also flasher unit.
Sep 17, 2017 at 1:08 PM

