Headlight turn signal not working properly?

2022 HONDA CIVIC
12,000 MILES
Avatar
ELIMAK
  • MEMBER
  • 17 POSTS
I had damage to the front left of my car listed above, so I changed the left headlight, but it’s turn signal doesn’t want to work, the signal works though when you have the hazards on. I plugged in the headlight into the right-side connector, and it works perfectly on that side. What could be the issue, any ideas?
Aug 21, 2023 at 2:15 PM
Advertisement
Avatar
JACOBANDNICKOLAS
  • CERTIFIED EXPERT
  • 110,175 POSTS
Hi,

If the headlamp is working and the DRL, it isn't a ground problem. So, we need to check for power at the connector. By chance, does the rear left signal work?

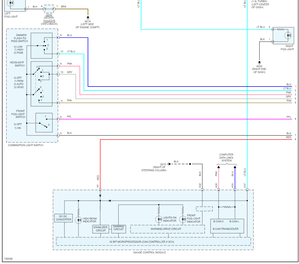
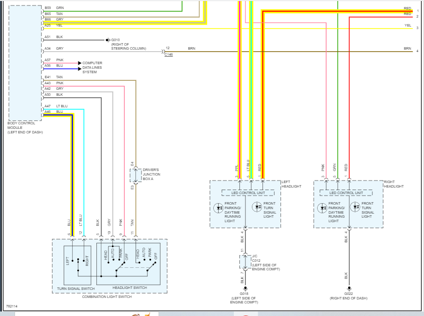
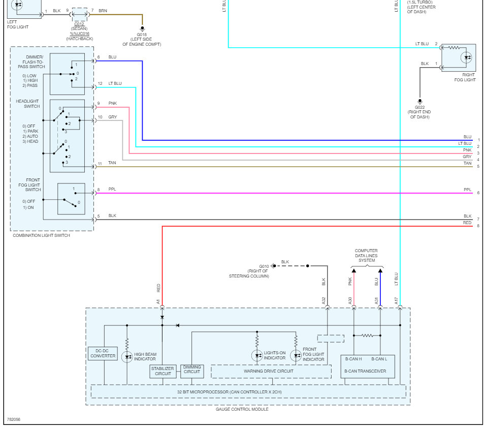
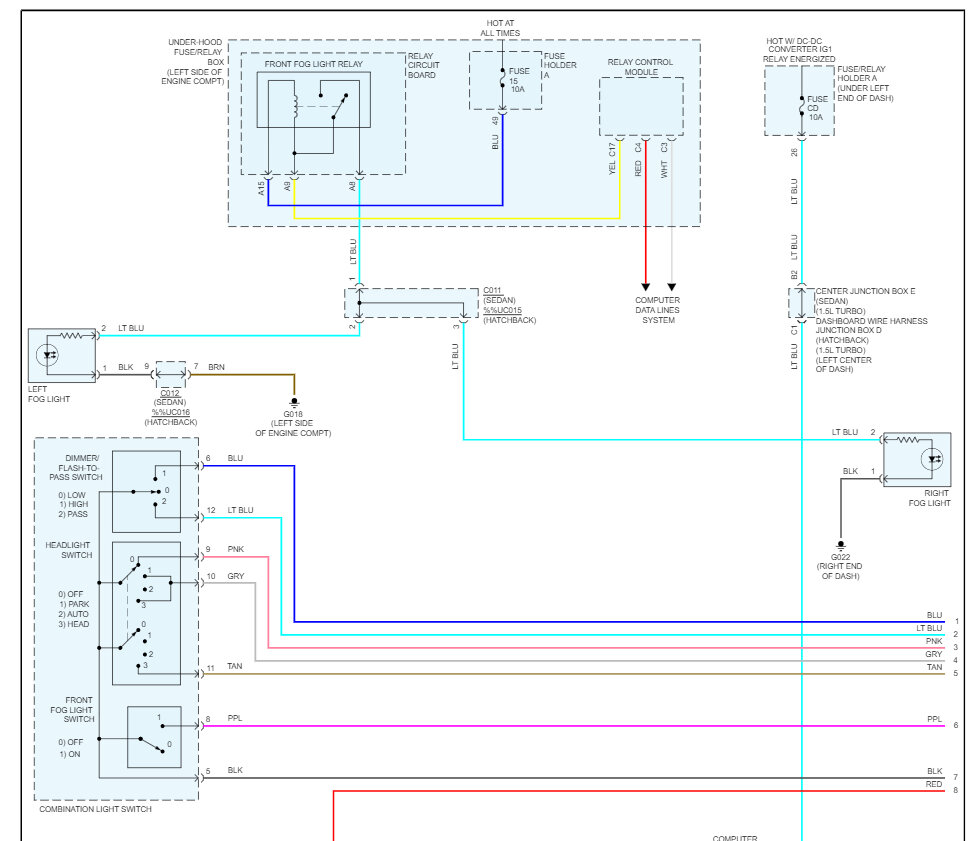
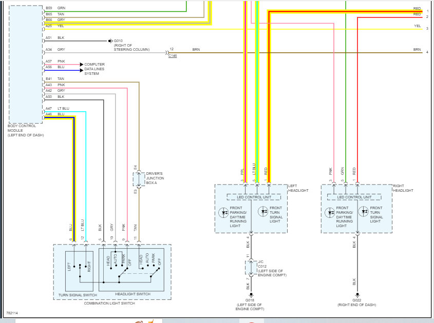
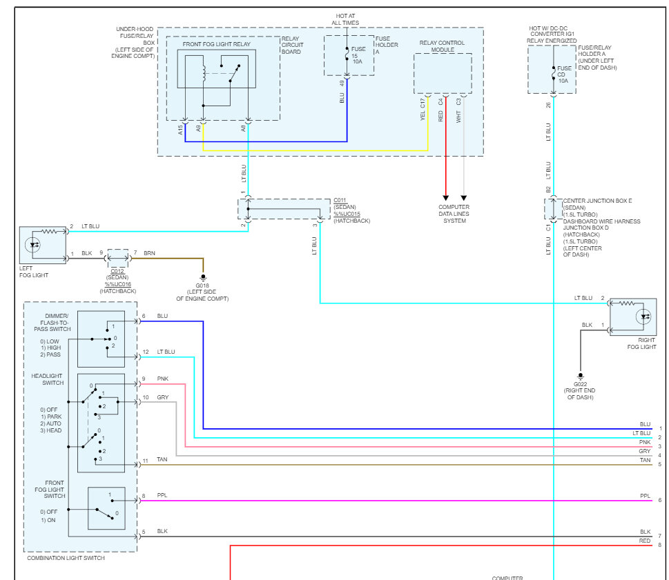
If you look below, I attached the wiring schematic for the light assembly so that you have a reference.

With the connector disconnected at the light assembly, confirm the light blue wire has power at all times. If it does, turn the key on and the left turn signal. Check the purple wire for power.

Here is a link you may find helpful:

https://www.2carpros.com/articles/how-to-check-wiring

Let me know what you find or if you have questions.

Take care,

Joe

See pics below. Note: I highlighted the relevant wiring.
Aug 21, 2023 at 8:27 PM
Avatar
ELIMAK
  • MEMBER
  • 17 POSTS
Light blue wire has full power, but the purple wire is jumping all over the place. And yes, the rear turn signal does work.
Aug 21, 2023 at 9:17 PM
Advertisement
Avatar
ELIMAK
  • MEMBER
  • 17 POSTS
I also checked the right side headlight connector and it was reading the same on every wire?
Aug 21, 2023 at 9:51 PM
Avatar
JACOBANDNICKOLAS
  • CERTIFIED EXPERT
  • 110,175 POSTS
Hi,

All the readings are the same on the right side? What do you get if you check the red wire on the left side? Also, when you check things on the right side, the signal power should strobe. Is that happening?

Let me know.

Joe
Aug 22, 2023 at 6:56 PM
Avatar
ELIMAK
  • MEMBER
  • 17 POSTS
The small red wire gets like .24 voltage and the thicker ted wire gets 12v, I’m not sure what strobe means so I couldn’t confirm that on the right side headlight.
Aug 22, 2023 at 7:48 PM
Avatar
JACOBANDNICKOLAS
  • CERTIFIED EXPERT
  • 110,175 POSTS
I'm only seeing one red wire at the assembly. You have two?

Let me know.

Joe
Aug 23, 2023 at 6:48 PM
Avatar
ELIMAK
  • MEMBER
  • 17 POSTS
Yes, I have two red wire a thinner one and a thicker one.
Aug 23, 2023 at 7:01 PM
Avatar
ELIMAK
  • MEMBER
  • 17 POSTS
Do you think that an aftermarket headlight would cause this issue? because the new headlight I bought was off eBay and it’s aftermarket.
Aug 23, 2023 at 7:04 PM
Avatar
JACOBANDNICKOLAS
  • CERTIFIED EXPERT
  • 110,175 POSTS
Hi,

I wouldn't think that would cause it, but anything is possible. Are you able to connect the new light to the right side to see if it works? If you are getting the exact same readings on both sides, it may be the light. Are there the same number of wires on the right side?

Let me know.

Joe

Aug 23, 2023 at 8:20 PM
Avatar
ELIMAK
  • MEMBER
  • 17 POSTS
When I connect the headlight to the right side it works perfectly fine, also when I connect the right-side OEM headlight to the left side connector starts doing the same thing as the new headlight. So that’s why I’m guessing it’s not the headlights but something different.

Yes, both side connectors have the same wires.
Do you think that when the impact happened to the vehicle to the headlight it sent some kind of signal to the ECU box and now it’s causing this issue?
Aug 23, 2023 at 9:04 PM
Avatar
JACOBANDNICKOLAS
  • CERTIFIED EXPERT
  • 110,175 POSTS
Hi,

If you have the same readings on both sides but one works and one doesn't, chances are the body control module is faulty. You could check this by scanning the can-bus.

CAN stands for controller area network. Basically, the different modules are tied together via a few wires. This type of scan can retrieve codes regardless of the module storing them.

Here is a link showing how it's done:

https://www.2carpros.com/articles/can-scan-controller-area-network-easy

I have a question. You indicated the same voltage readings are present on the opposite side. When you turn the signal on (the good side), do you get that crazy jumping around of voltage? I ask because I would suspect it to jump between 0 and 12v as the light would be flashing on and off. This is one of the odd cases where an analog multimeter would be clearer.

Let me know.

Joe
Aug 24, 2023 at 7:25 PM
Avatar
ELIMAK
  • MEMBER
  • 17 POSTS
Yes, when I check the purple wire on the right side it shows the same voltage what the left side purple wire shows.
Aug 24, 2023 at 8:49 PM
Avatar
JACOBANDNICKOLAS
  • CERTIFIED EXPERT
  • 110,175 POSTS
Hi,

Okay. At this point, I feel we need to scan the can-bus as mentioned. I wouldn't want to recommend replacing the body control module (BCM) without confirmation something is failing.

Let me know if that is something you can do or have done.

Joe
Aug 25, 2023 at 7:03 PM
Avatar
ELIMAK
  • MEMBER
  • 17 POSTS
I went to a local guy couple days ago and he scanned my vehicle with his expensive professional car scanner and he said nothing is showing up that’s faulty and no codes indicating headlight malfunction.
Aug 25, 2023 at 7:28 PM
Avatar
JACOBANDNICKOLAS
  • CERTIFIED EXPERT
  • 110,175 POSTS
Hi,

If he scanned the can-bus and nothing is present, I'm not sure what to say. I suspect when a load it being placed on the wiring, it is failing. However, that is a theory.

I am going to ask the site owner if he has any ideas. If you see a response from Ken, that is him. Let's see what he has to say.

Take care,

Joe
Aug 25, 2023 at 7:52 PM
Avatar
STRAILER
  • CERTIFIED EXPERT
  • 53,854 POSTS
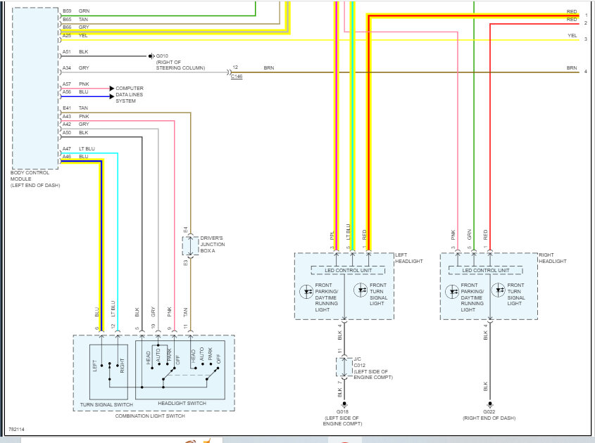
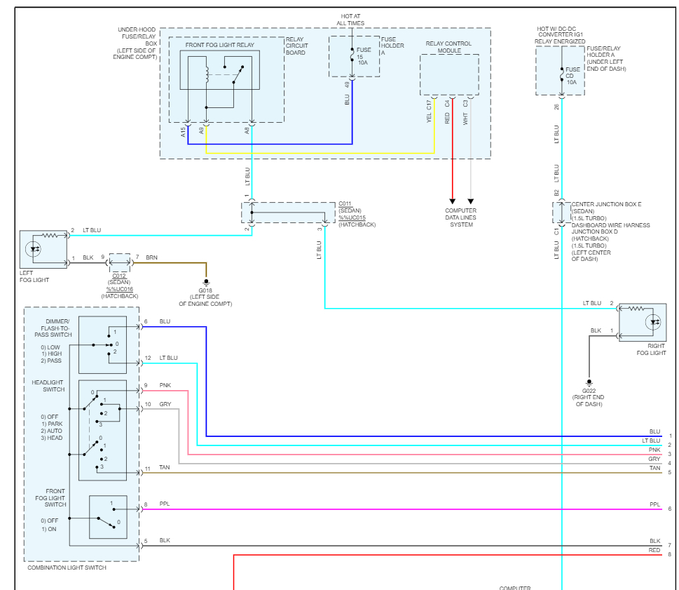
It looks like the aftermarket headlight is not good, the light blue wire goes to the fuse directly so it should have 12 volts all the time. Can you retest the light-blue wire for 12 volts please? The video is great to help us fix it. Please keep uploading. Also let's check the ground #G018 near the left side of the engine compartment. This guide can help, and I have included the headlight wiring diagrams so you can see how the system works.

https://www.2carpros.com/articles/how-to-use-a-test-light-circuit-tester

Check out the images (below). Let us know what happens and please upload pictures or videos of the problem so we can see what's going on.
Aug 26, 2023 at 10:43 AM
Avatar
ELIMAK
  • MEMBER
  • 17 POSTS
Light blue wire has 12v while car is off and on.
Aug 26, 2023 at 11:39 AM
Avatar
ELIMAK
  • MEMBER
  • 17 POSTS
The issue I’m experiencing.
Aug 26, 2023 at 11:44 AM
Avatar
ELIMAK
  • MEMBER
  • 17 POSTS
I’m not sure which ground wire you wanted me to check but this one on the left side looks intact.
Aug 26, 2023 at 11:46 AM
Avatar
ELIMAK
  • MEMBER
  • 17 POSTS
If it is headlight, I would change it out to OEM no problem, but I’m hesitant because when I plug in the right headlight which is OEM to the left side connector it does exactly what the aftermarket headlight does as in the video I just sent. When I plug the aftermarket headlight into the right connector it works as it should.
Aug 26, 2023 at 11:57 AM
Avatar
JACOBANDNICKOLAS
  • CERTIFIED EXPERT
  • 110,175 POSTS
Hi,

The grounds appear good, but I noticed there is damage to the sheet metal where they are bolted. Try turning the signal on and move those wires around to see if anything allows the light to work.

Let us know.

Joe
Aug 26, 2023 at 9:54 PM
Avatar
ELIMAK
  • MEMBER
  • 17 POSTS
Just tried that, no reaction from the turn signal.
Aug 27, 2023 at 9:17 AM
Avatar
JACOBANDNICKOLAS
  • CERTIFIED EXPERT
  • 110,175 POSTS
Hi,

Let's try it from the opposite side. At the assembly, see if there is continuity to ground via the ground wire. See if there is a lot of resistance.

Let us know.

Joe
Aug 27, 2023 at 5:55 PM
Avatar
ELIMAK
  • MEMBER
  • 17 POSTS
I bought OEM headlight from the dealer and the issue resolved; the aftermarket headlight was causing the issue. But I couldn’t have figured this out without you.
Sep 7, 2023 at 9:40 AM
Avatar
JACOBANDNICKOLAS
  • CERTIFIED EXPERT
  • 110,175 POSTS
Hi,

Thanks for the update and I'm glad to know we were able to help. Also, I'm glad you were able to resolve the issue. If I had a nickel for every aftermarket part that was faulty, I could retire. LOL

Take care of yourself and feel free to come back anytime in the future.

Joe
Sep 7, 2023 at 1:37 PM