Headlights inoperative

2003 CADILLAC DEVILLE
160,000 MILES
Avatar
OWEN ARMSTRONG
  • MEMBER
  • 1 POST
Headlight switch testing information needed.
Apr 4, 2018 at 8:26 AM
Advertisement
Avatar
STRAILER
  • CERTIFIED EXPERT
  • 53,854 POSTS
Hello,

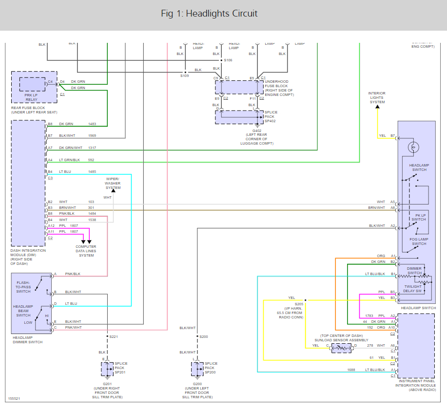
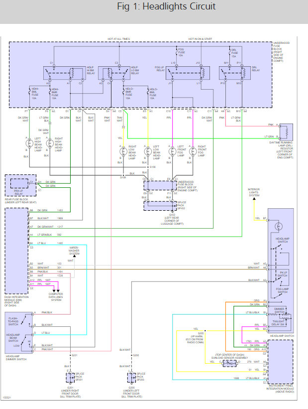
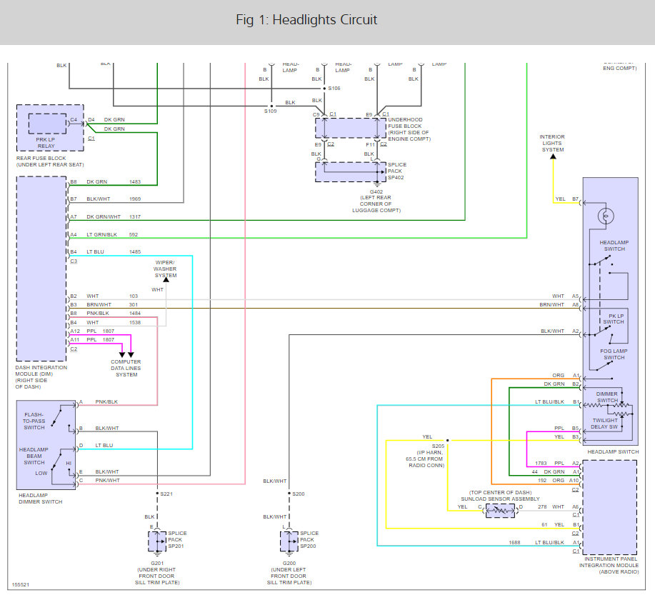
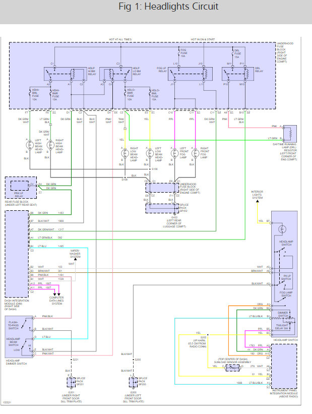
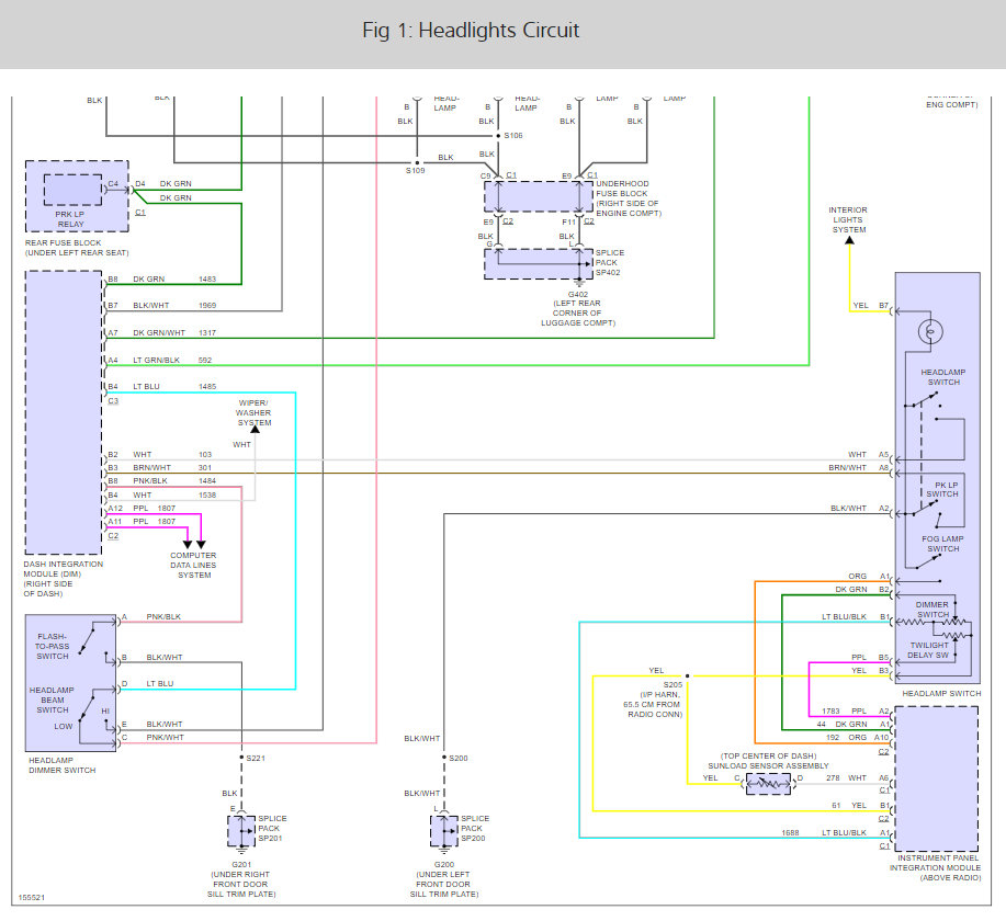
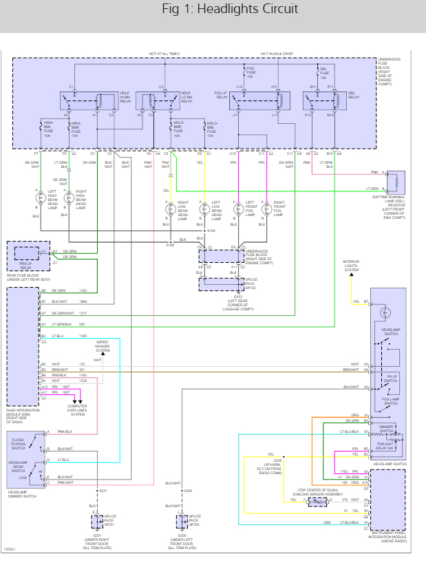
Here is a guide to help you see how to test for power lose and the headlight wiring diagrams as requested:

https://www.2carpros.com/articles/how-to-use-a-test-light-circuit-tester

Check out the diagrams (below).

Let us know what happens and please upload pictures or videos of the problem.

Cheers, Ken
Apr 5, 2018 at 12:31 PM