High beam lights on all the time, I cannot switch them off?

2007 LINCOLN NAVIGATOR
160,000 MILES • 5.7L • V8 • 2WD • AUTOMATIC
Avatar
  • MEMBER
  • 1 POST
I have the vehicle listed above with HID lights. High beam lights on all the time. I can not switch them off. I bought a new interior dimmer/blinker switch and interior headlight switch, but it did not fix the problem. What do I do?
Oct 13, 2023 at 10:40 PM
Advertisement
Avatar
STRAILER
  • CERTIFIED EXPERT
  • 53,854 POSTS
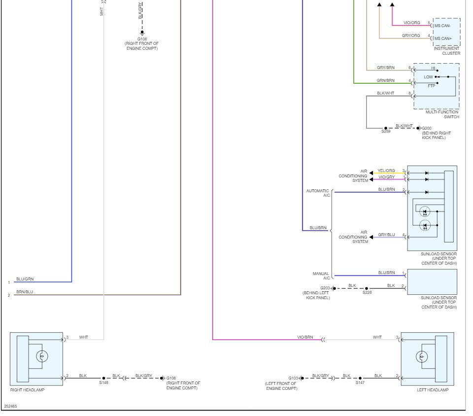
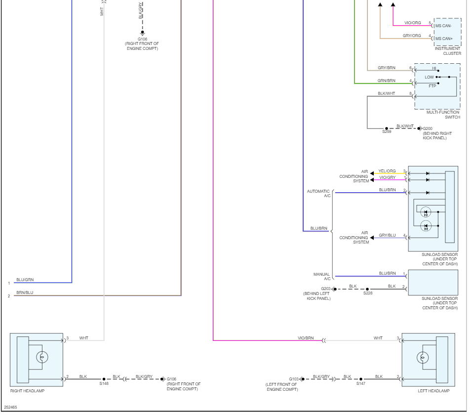
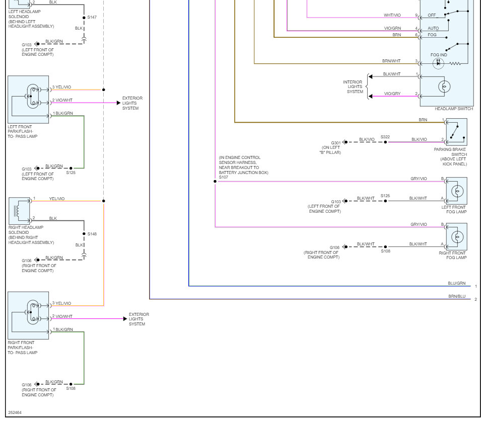
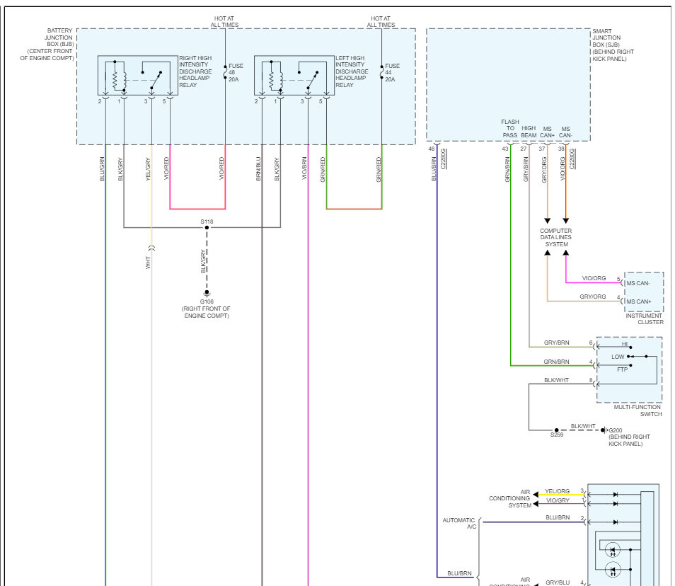
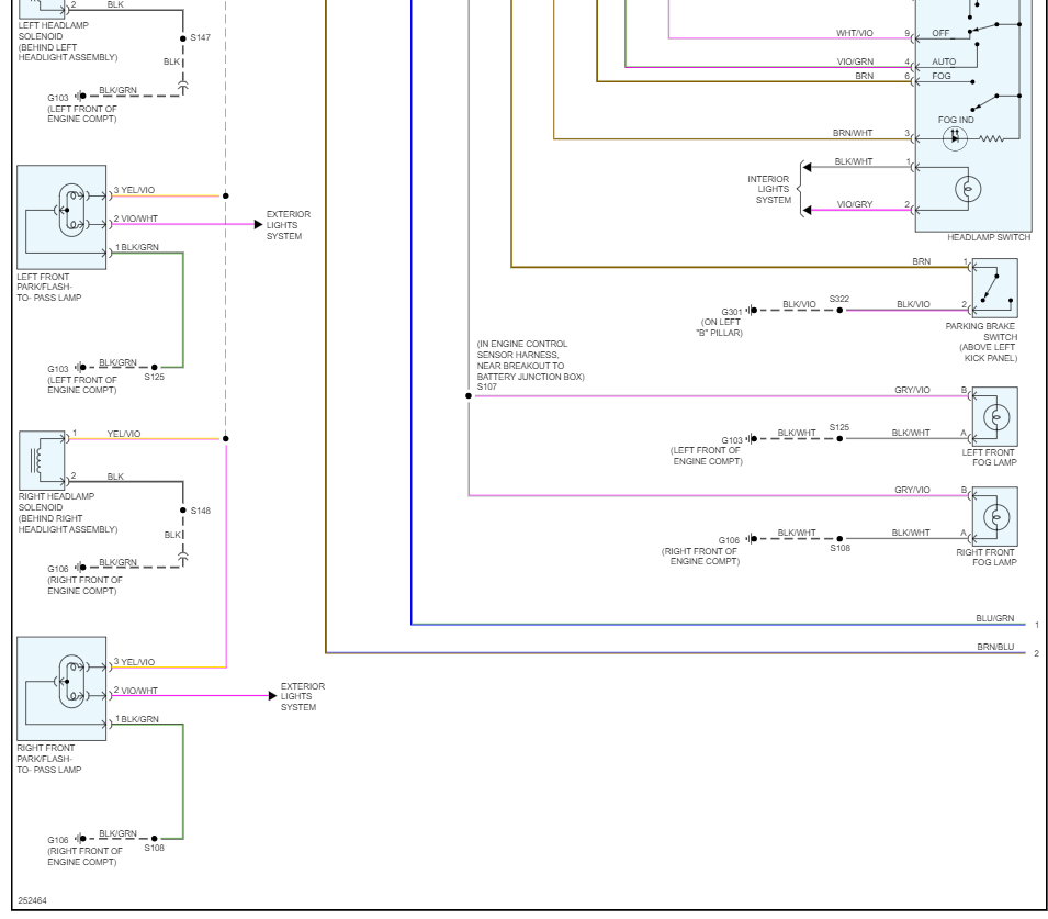
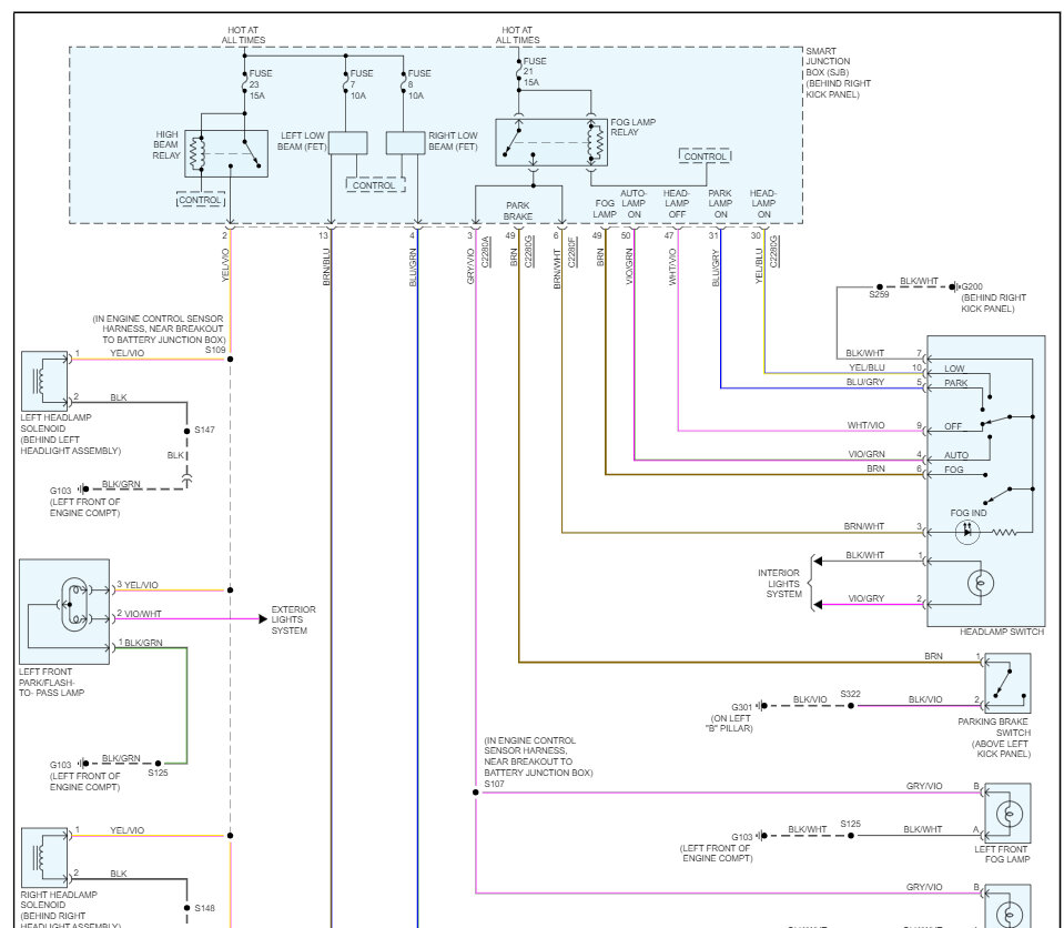
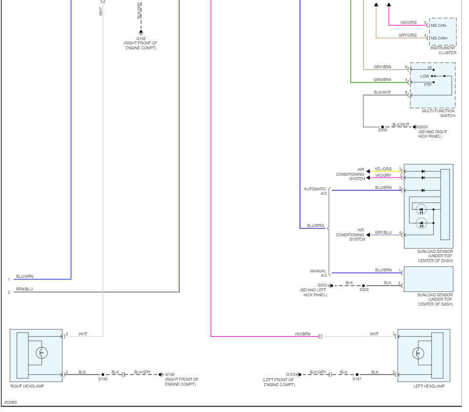
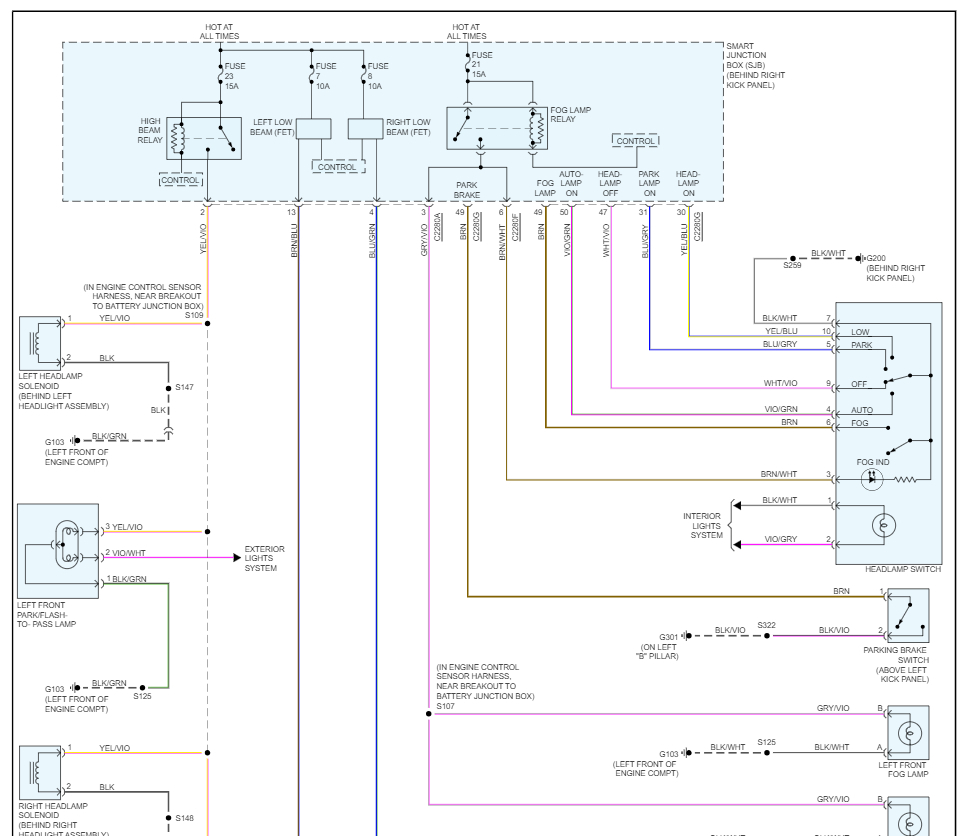
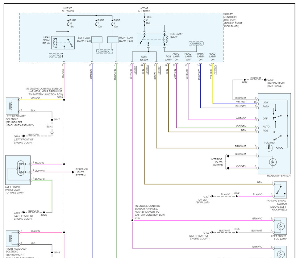
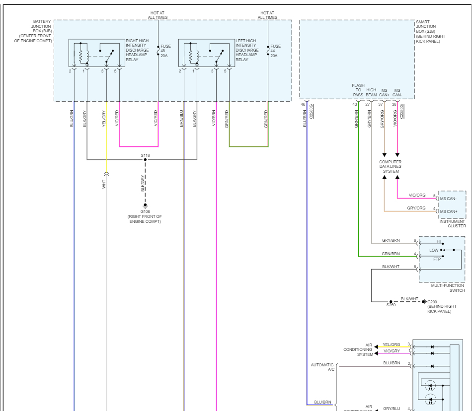
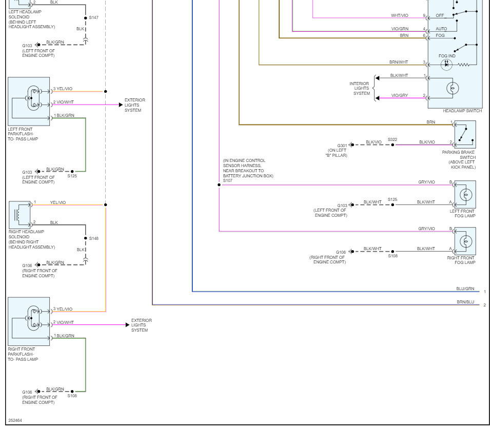
This can happen when the SJB goes out, here are the headlight wiring diagrams so you can see how the system works. Also, i have included how to change the SJB out. Check out the images (below). Please let us know how it goes.
Oct 14, 2023 at 11:32 AM