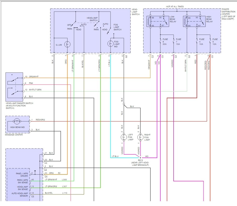
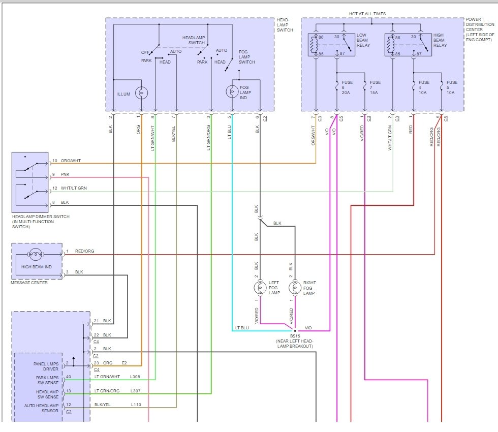
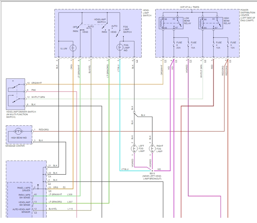
the headlights stay on all the time when van is running. light switch does not work I changed it out and checked the fuses. So does anyone have a possible solution? thank you for any help you can give.
Oct 12, 2016 at 12:46 PM

