Headlight switch wiring diagram?

2007 CHEVROLET SUBURBAN
250 MILES • V8 • 4WD • AUTOMATIC
Avatar
PIMINHS3500
  • MEMBER
  • 11 POSTS
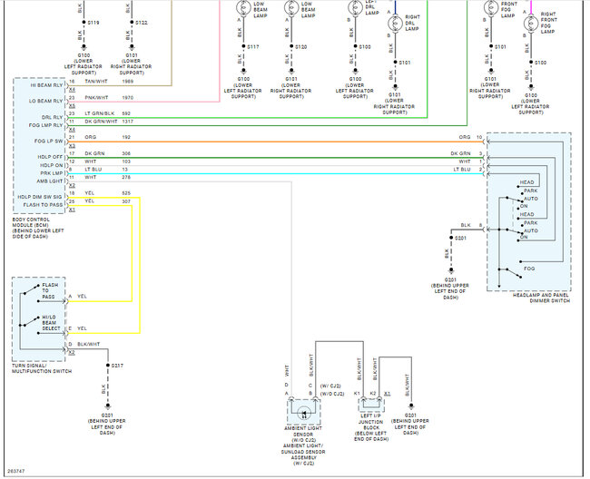
Just need the wiring diagram for the headlight switch, thank you. Tested everything and everything is fine. So, I just want to know if it's my switch I need to replace, which I believe it is. And for a new switch it's $100+ so I don't want to make this mistake. Lol Thank you again.
Mar 23, 2025 at 7:10 AM
Advertisement
Avatar
STRAILER
  • CERTIFIED EXPERT
  • 53,855 POSTS
Hello,

Yep, replacing parts that don't need it is no fun. There is a relay (HDLP LO-HID) that I would swap out as well, the switch is directly tied to the BCM FYI. Here are the headlamp wiring diagrams which you need to see how the system works. I also included the location of the relay as well. If it is the switch here is how to replace it. Make sure you check the switch ground as well. Check out the images (below). Let us know how it goes.



Mar 23, 2025 at 11:18 AM